Запчасти Case IH 1255 (118) - HAY CONDITIONER (58) - ATTACHMENTS/HEADERS

Схема запчастей Case IH 1255 - (118) - HAY CONDITIONER (58) - ATTACHMENTS/HEADERS
FIT
1:1
100%

Артикул

Название

Примечание

Количество

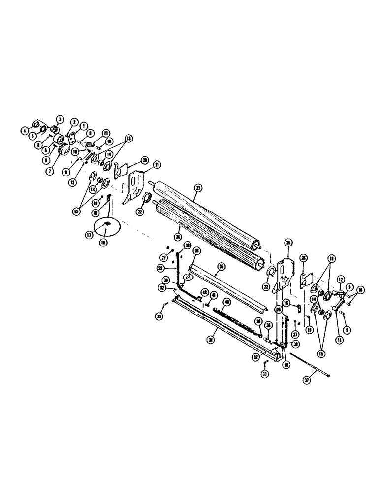
1

FH494468

BRACKET - idler

1шт.

2

FH494534

SPACER

1шт.

3

FH494625

IDLER - 4 groove

1шт.

4

T32178

BALL BEARING,0.515" ID x 1.5748" OD x 0.72"

BEARING

1шт.

5

FH740167

X

SNAP RING

1шт.

13-856

BOLT,Hex, 1/2" - 13 x 3-1/2", Gr 5

1шт.

25-108

NUT,1/2"-13, G5

- 1/2" N. C. hex.

1шт.

92-8

LOCK WASHER,1/2"

1шт.

95-8

WASHER,1/2"

flat 1/2"

1шт.

6

FH493593

SHEAVE - flat, 5-3/4" dia.

1шт.

7

FH493668

SHEAVE - 4 groove, 7" dia.

1шт.

8

FHO61564

KEY

- Gib 3/8" x 3/8" x 2-1/4"

2шт.

9

FH428946

BUSHING - 2-9/16" lg.

4шт.

10

FH428953

BUSHING - 2-1/16" lg.

4шт.

11

FH413203

ARM - pivot

2шт.

12

FH413880

ARM - pivot

2шт.

219-10

LUBE NIPPLE,1/4" - 28 NPTF

FITTING - grease 1/4" - 28

4шт.

219-57

LUBE NIPPLE,90 Degree Elbow, 1/4" - 28 NPTF

FITTING - grease 1/4" - 28 x 90 degrees

4шт.

11-856

BOLT (MACHINE)

BOLT - 1/2" x 3-1/2" rhd. sq. nk., nut, L.W.

4шт.

13

FH428979

FLANGE

4шт.

11-820

BOLT,Short NK, 1/2"-13 x 1 1/4", G2

- 1/2" x 1-1/4" rhd. sq. nk., nut and L.W.

6шт.

14

F77924

BEARING

4шт.

F62107

COLLAR

1шт.

15

FH428896

FLANGE

4шт.

25-108

NUT,1/2"-13, G5

- 1/2" N. C. hex. and L.W.

8шт.

16

F35055

STOP

2шт.

17

FH727727

PAD

1шт.

18

FHO64592

RIVET - .140 x 7/16"

2шт.

11-620

CARRIAGE BOLT,Short NK, 3/8"-16 x 1 1/4", G2

BOLT - 3/8" x 1-1/4" rhd. sq. nk., nut and L.W.

2шт.

11-820

BOLT,Short NK, 1/2"-13 x 1 1/4", G2

- 1/2" x 1-1/4" rhd. sq. nk., nut, L.W. and fl. wshr

2шт.

19

FH298158

NUT - stop adjusting

2шт.

20

F35069

PLATE - R. H. pivot

1шт.

11-828

BOLT (MACHINE)

BOLT - 1/2" x 1-3/4" rhd. sq. nk., nut, L.W. and fl. wshr.

2шт.

11-852

BOLT - 1/2" x 3-1/4" rhd. sq. nk., nut & fl. wshr.

2шт.

21

F35044

PLATE

- R. H. mounting

1шт.

22

F35059

RING - grass

2шт.

23

FH727602

ROLL - rubber conditioner

1шт.

24

F35158

ROLL - steel conditioner

1шт.

25

FH496950

PLATE - L. H. mounting

1шт.

26

F35038

PLATE

- L. H. pivot

1шт.

11-820

BOLT,Short NK, 1/2"-13 x 1 1/4", G2

- 1/2" x 1-1/4" rhd. sq. nk., nut & L.W.

2шт.

11-848

BOLT - 1/2" x 3" rhd. sq. nk., nut and L.W.

2шт.

27

FH428938

SPACER - 9/16" lg.

2шт.

28

FH428763

CONNECTOR - pivot

2шт.

29

FHO88971

CHAIN - tension adjusting R. H. (See chain page)

1шт.

30

F35230

SPROCKET ASSY.

SPROCKET

2шт.

31

FH740803

BEARING - bushing

1шт.

32

F35228

SPACER

2шт.

33

11-848

BOLT - 1/2" x 3" rhd. sq. nk., nut and L.W.

2шт.

34

FH428482

SUPPORT - spring

1шт.

35

FH428912

COVER - spring

1шт.

36

FHO88989

CHAIN - tension adjusting L. H. (See chain page)

1шт.

37

FH42428698

BOLT - tension adjusting

1шт.

38

FH428722

ADAPTER

1шт.

39

FH412916

PLUG - spring

1шт.

40

FHO58743

SPRING

1шт.

41

FH287805

PLUG

1шт.

42

FH428920

BOLT - draw

1шт.

Выбрано товаров: 58