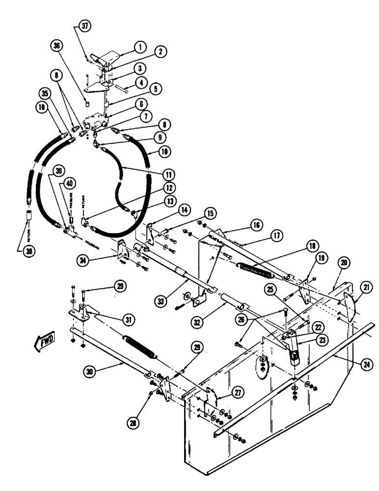
Запчасти Case IH 1255 (135E) - DOUBLE WINDROW ATTACHMENT 14 FT. (CONTD), WING AND HYDRAULIC CONTROL (58) - ATTACHMENTS/HEADERS

Схема запчастей Case IH 1255 - (135E) - DOUBLE WINDROW ATTACHMENT 14 FT. (CONTD), WING AND HYDRAULIC CONTROL (58) - ATTACHMENTS/HEADERS
FIT
1:1
100%

Артикул

Название

Примечание

Количество

1

F36077

PEDAL

1шт.

2

132-46

COTTER PIN,1/8" x 3/4"

Pin, Split (Cotter), 1/8" x 3/4"

1шт.

3

F36223

PLATE - mounting

1шт.

4

FHO63891

PIN - clevis, 3/8" x 3-1/4"

1шт.

5

F36252

JAM NUT

SPACER

1шт.

6

F36240

VALVE - hydraulic

1шт.

7

F36238

ADAPTER - swivel

1шт.

8

FH746701

PIVOT

SWIVEL - "O" ring

3шт.

9

221-1412

ELBOW,90 Degree, 1/4"-27, NPT

1шт.

10

F36236

HOSE - hydraulic, 22"

2шт.

11

F36230

HOSE - hydraulic, 72"

1шт.

12

221-413

ELBOW,90 Degree, 3/8"-18, NPT

ELL - 3/8" M x 3/8" F

1шт.

13

221-402

ELBOW,45 Degree, 1/4"-27, NPT

ELL - street

1шт.

14

F36250

BRACKET - rear cylinder

1шт.

15

FH763110

PIN - clevis, 1/2" x 2-1/4"

1шт.

16

F36226

SUPPORT - rear shield

1шт.

17

13-820

BOLT,Hex, 1/2" - 13 x 1-1/4", Gr 5, Full Thd

2шт.

18

F36237

SPRING

2шт.

19

F36249

BRACKET - hinge

2шт.

20

F36214

JAM NUT

WING

1шт.

21

F36247

BRACKET - rear wing

1шт.

22

131-1100

LOCK NUT,1/2"-13, GA

NUT, LOCK, 1/2"-13, GA

1шт.

23

F36228

BRACKET - center

1шт.

24

F36222

ANGLE - stiffener

1шт.

25

13-836

BOLT,Hex, 1/2" - 13 x 2-1/4", Gr 5

- 1/2" x 2-1/4" N. C. hex.

1шт.

26

11-616

CARRIAGE BOLT,Short NK, 3/8"-16 x 1", G2

BOLT, CARRIAGE, Short NK, 3/8"-16 x 1", G2

3шт.

27

F36248

BRACKET - front wing

1шт.

28

131-179

LOCK NUT,3/8"-16, GA

NUT - center lock 3/8"

2шт.

29

413-632

BOLT,Hex, 3/8" - 16 x 2", Gr 5

- 3/8" x 2" N.C. hex.

4шт.

30

F36244

SUPPORT - shield pipe

1шт.

31

F36246

BRACKET - spring

1шт.

32

F36243

STOP - cylinder ram

1шт.

33

FH842054

CYLINDER - hydraulic

1шт.

34

F36251

BRACKET - front cylinder

1шт.

35

F36229

HOSE - hydraulic, 28"

1шт.

36

F36234

BUSHING

1шт.

37

FHO63867

PIN - clevis, 3/16" x 1"

1шт.

38

221-337

COUPLING,Pipe, 3/8" NPT

- pipe 3/8"

1шт.

39

221-423

TEE,3/8" NPT

- F 3/8" NPT

1шт.

40

221-158

PIPE,Nipple, 3/8" NPT x 1"

NIPPLE - 3/8" x 1" NPTF

1шт.

Выбрано товаров: 40