Запчасти Case IH 201 (E-024) - CONTROLS AND DRIVES, PLATFORM DRIVE AND COUNTERSHAFT, WISCONSIN VG4D ENGINE WITH POLY-V BELT (14) - MAIN GEARBOX & DRIVE

Схема запчастей Case IH 201 - (E-024) - CONTROLS AND DRIVES, PLATFORM DRIVE AND COUNTERSHAFT, WISCONSIN VG4D ENGINE WITH POLY-V BELT (14) - MAIN GEARBOX & DRIVE
FIT
1:1
100%

Артикул

Название

Примечание

Количество

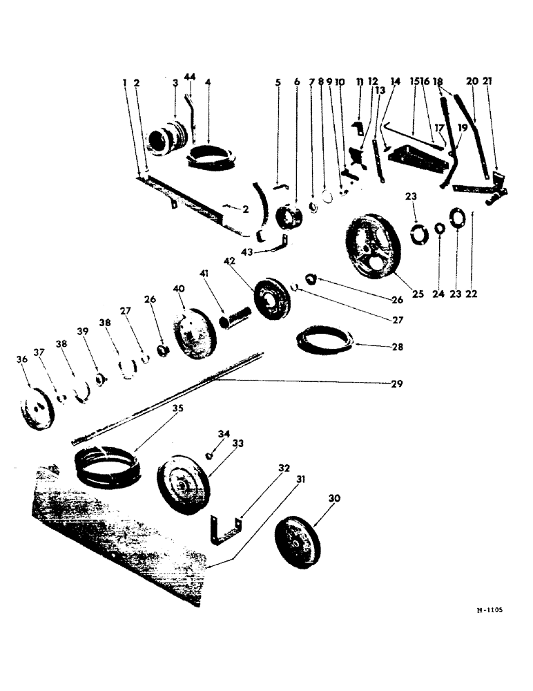
1

592041R21

GUARD, platform drive belt

1шт.

180121

BOLT,Hex, 3/8" - 16 x 7/8", Gr 5

W/NUT, 3/8 x 7/8" C-Z type 2

3шт.

21860R1

BOLT W/NUT, 3/8 x 7/8" C-Z crg

1шт.

619856R1

WASHER

13/32 x 1 x 16 ga C-Z

3шт.

120382

LOCK WASHER,Helical Spring, 3/8"

WASHER, LOCK, 3/8"

4шт.

2

592051R2

SPACER, belt guard

2шт.

180046

SPRING

W/NUT, 1/4 x 2-1/4" C-Z type 2

2шт.

492-11025

LOCK WASHER,1/4"

WASHER, LOCK, 1/4"

2шт.

3

592007R1

PULLEY, engine PTO

1шт.

Q3953

KEY,Gib, 3/8" Sq x 3"

3/8 x 3" tapered gib-hd

1шт.

4

592039R2

V-BELT,93.80" L, 8 Ribs

Platform 93.80" L, 8 Ribs

1шт.

5

592049R1

SUPPORT, belt guard upper

1шт.

180121

BOLT,Hex, 3/8" - 16 x 7/8", Gr 5

W/NUT, 3/8 x 7/8" C-Z type 2

2шт.

120382

LOCK WASHER,Helical Spring, 3/8"

WASHER, LOCK, 3/8"

2шт.

6

592061R1

PULLEY, belt idler

1шт.

18724R1

CARRIAGE BOLT,Sq Nk, 5/8" - 11 x 4", Gr 2

BOLT W/NUT, 5/8 x 4" C-Z type 2

1шт.

594176R1

BUSHING, drive belt idler pulley outer

1шт.

492-11062

BEARING WASHER,5/8"

WASHER, LOCK, 5/8"

1шт.

7

584148R91

BEARING ASSY,35mm ID x 72mm OD x 25mm W

BEARING, idler pulley (opt w/608697R91 bearing)

1шт.

7

608697R91

BALL BEARING,1.378" ID x 2.8346" OD x 0.9892"

idler pulley (opt w/584148R91 bearing)

1шт.

8

512889R1

RING

pulley brg retaining

1шт.

9

592062R1

BUSHING

idler pulley stud

1шт.

10

594179R11

LEVER, control arm pivot (1966 & since)

1шт.

594181R1

BUSHING, pivot lever pivot

1шт.

NLS

NO LONGER SERVICED

5/16"-NF angle lub

1шт.

11

592063R1

SUPPORT, idler pulley belt retainer

1шт.

18724R1

CARRIAGE BOLT,Sq Nk, 5/8" - 11 x 4", Gr 2

BOLT W/NUT, 5/8 x 4" C-Z crg

1шт.

492-11062

BEARING WASHER,5/8"

WASHER, LOCK, 5/8"

1шт.

12

594183R91

BRACKET, pivot lever (1966 & since)

1шт.

432-1624

COTTER PIN,1/4" x 1 1/2"

Pin, Split (Cotter), 1/4" x 1 1/2"

1шт.

21753R1

WASHER

25/32 x 1-1/2 x 16 ga C-Z

1шт.

180122

BOLT,Hex, 3/8" - 16 x 1", Gr 5

3/8 x 1" C-Z type 2

4шт.

120377

NUT,3/8" - 16, Gr 5

3шт.

120382

LOCK WASHER,Helical Spring, 3/8"

WASHER, LOCK, 3/8"

4шт.

13

594178R1

BRACE, control arm (1966 & since)

2шт.

14

594177R1

ROLLER, brace pivot (1966 & since)

1шт.

15

594182R1

ROD, control (1966 & since)

1шт.

103409

PIN, SPLIT (COTTER),3/16" x 1 1/2"

2шт.

178374R1

WASHER

17/32 x 1-1/2 x 16 ga C-Z

2шт.

124934

HOSE

1/2"-NF jam

1шт.

16

221465

CLEVIS, rod end (1966 & since)

1шт.

114787

AXLE PIN

PIN, 1/2 x 1-27/64" rod-end

1шт.

103384

COTTER PIN,1/8" x 3/4"

Pin, Split (Cotter), 1/8" x 3/4"

1шт.

17

594174R11

ARM, drive control (1966 & since)

1шт.

271293

PULLEY

LUB-FITTING, 5/16"-NF

1шт.

18

935885R1

GRIP, platform control lever

1шт.

19

594171R11

LEVER, platform control (1966 & since)

1шт.

271293

PULLEY

LUB-FITTING, 5/16"-NF

1шт.

20

591972R1

LEVER, platform control, Serial Range: (prior-1966)

1шт.

180124

BOLT,Hex, 3/8" - 16 x 1 1/4", Gr 5

W/NUT, 3/8 x 1-1/8" C-Z type 2

2шт.

619856R1

WASHER

13/32 x 1 x 16 ga C-Z

2шт.

120382

LOCK WASHER,Helical Spring, 3/8"

WASHER, LOCK, 3/8"

2шт.

21

592054R91

ROCKSHAFT, drive control, Serial Range: (prior-1966)

1шт.

271293

PULLEY

LUB-FITTING, 5/16"-NF

1шт.

22

301020R1

SNAP RING,#118, Ext

Ring, Snap, , bearing #118, Ext

1шт.

23

591873R1

FLANGE

TTE, countershaft brg LH

2шт.

21860R1

BOLT W/NUT, 3/8 x 7/8" C-Z crg

3шт.

619856R1

WASHER

13/32 x 1 x 16 ga C-Z

3шт.

120382

LOCK WASHER,Helical Spring, 3/8"

WASHER, LOCK, 3/8"

3шт.

24

591872R91

BEARING

countershaft LH

1шт.

25

592052R1

PULLEY, countershaft driven

1шт.

240

KEY,Gib, 3/8" Sq x 2 1/2"

3/8 x 2-1/2" tapered gib-hd

1шт.

26

586649R91

BEARING

drive & driven pulley

2шт.

27

557995R11

COLLAR

W/SCREW, pulley brg locking

2шт.

115321

SET SCREW,Hex Skt, 5/16"-18 x 5/16"

SCREW, 5/16 x 5/16" hdls cup-pt set

2шт.

28

591881R1

V-BELT,0.88" W x 83.50" L

Transmission drive 0.88" W x 83.50" L

1шт.

29

591870R1

SHAFT, main drive counter

1шт.

30

574051R91

PULLEY

drive belt front idler

1шт.

413-1044

BOLT,Hex, 5/8" - 11 x 2-3/4", Gr 5

W/NUT, 5/8 x 1-3/4" C-Z type 2

1шт.

464623R1

WASHER

21/32 x 1-1/2" x 11 ga C-Z

1шт.

610397R1

SPACER, front idler pulley

1шт.

492-11062

BEARING WASHER,5/8"

WASHER, LOCK, 5/8"

1шт.

31

591793R2

SHIELD, platform drive pulley

1шт.

180075

BOLT,Hex, 5/16" - 18 x 5/8", Gr 5

W/NUT, 5/16 x 5/8" C-Z type 2

4шт.

80681

LOCK WASHER,5/16"

WASHER, LOCK, 5/16"

1шт.

32

591794R2

CHANNEL, shield bracket

1шт.

16897R1

CARRIAGE BOLT,Short Nk, 5/16" - 18 x 3/4", Gr 2, Full Thd

BOLT W/NUT, 5/16 x 3/4" C-Z crg

1шт.

80681

LOCK WASHER,5/16"

WASHER, LOCK, 5/16"

1шт.

33

565441R91

BEARING

PULLEY, belt rear tightener

1шт.

18722R1

CARRIAGE BOLT,Sq Nk, 5/8" - 11 x 2 1/2", Gr 2

BOLT W/NUT, 5/8 x 2-1/2" C-Z crg

1шт.

492-11062

BEARING WASHER,5/8"

WASHER, LOCK, 5/8"

1шт.

34

591792R1

SPACER, rear tightener pulley

1шт.

35

591878R1

V-BELT,0.88" W x 139.40" L

Platform 0.88" W x 139.40" L

1шт.

36

591877R1

PULLEY, platform driven

1шт.

37

455104R11

COLLAR

W/SCREW, brg locking RH (Fafnir, SKF, & New Departure - use w/565672R91 bearing)

1шт.

37

607419R11

COLLAR

W/SCREW, brg locking RH (Fisher - use w/607418R91 bearing)

1шт.

102592

SET SCREW,Hex Skt, 3/8" - 16 x 3/8"

SCREW, 3/8 x 3/8" hdls cup-pt set

1шт.

38

617863R1

FLANGED BEARING

TTE, countershaft brg (RH)

2шт.

21860R1

BOLT W/NUT, 3/8 x 7/8" C-Z crg

3шт.

120382

LOCK WASHER,Helical Spring, 3/8"

WASHER, LOCK, 3/8"

3шт.

39

565672R91

BALL BEARING,1.25" ID x 72 mm OD x 1.53125"

countershaft RH (Fafnir, SKF & New Departure - use w/455104R11 collar)

1шт.

39

607418R91

BEARING

countershaft RH (Fisher - use w/607419R11 collar)

1шт.

40

591875R1

PULLEY, variable speed driven

1шт.

22206R1

BOLT W/NUT, 3/8 x 8-3/4" C-Z type 2

4шт.

120382

LOCK WASHER,Helical Spring, 3/8"

WASHER, LOCK, 3/8"

4шт.

41

591876R1

TUBE, drive & driven pulley 2.625" OD, 6.48" Length

1шт.

42

591874R1

PULLEY, transmission drive

1шт.

22206R1

BOLT W/NUT, 3/8 x 8-3/4" C-Z type 2

4шт.

120382

LOCK WASHER,Helical Spring, 3/8"

WASHER, LOCK, 3/8"

4шт.

43

591902R2

ANGLE, belt guard lower support

1шт.

180121

BOLT,Hex, 3/8" - 16 x 7/8", Gr 5

W/NUT, 3/8 x 7/8" C-Z

1шт.

619856R1

WASHER

13/32 x 3/4 x 16 ga C-Z

1шт.

120382

LOCK WASHER,Helical Spring, 3/8"

WASHER, LOCK, 3/8"

1шт.

44

596593R1

ANGLE, countershaft platform drive belt declutching guide (serial no H-3213 & up)

1шт.

187543

SCREW

BOLT, 7/16 x 4-1/2" C-Z type 2

1шт.

893862R1

WASHER

15/32 x 1-1/2 x 11 ga C-Z

2шт.

120382

LOCK WASHER,Helical Spring, 3/8"

WASHER, LOCK, 3/8"

2шт.

Выбрано товаров: 107