Запчасти Case IH 201 (A-114[B]) - HYDRAULIC PUMP (35) - HYDRAULIC SYSTEMS

Схема запчастей Case IH 201 - (A-114[B]) - HYDRAULIC PUMP (35) - HYDRAULIC SYSTEMS
FIT
1:1
100%

Артикул

Название

Примечание

Количество

611967R91

PUMP

hyd (includes parts listed below, unless otherwise noted)

1шт.

BOLT W/NUT, 3/8 x 2-3/4" no. 3 plow

2шт.

LK-WASHER, 3/8"

2шт.

Q1597

WASHER

13/32 x 3/4 x 16 ga

1шт.

NUT, 3/8"-NF

1шт.

124545

WOODRUFF KEY,#5, 1/8" x 5/8", HT

1шт.

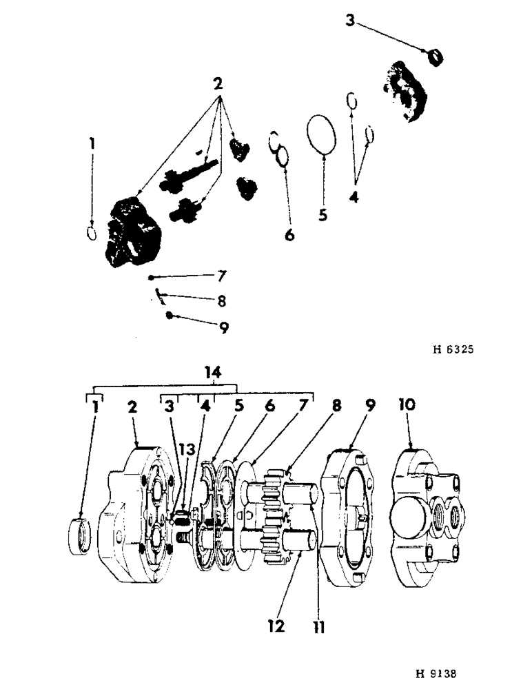
1

350667R1

O-RING,0.103" Thk x 0.674" ID, -115, Cl 5, 75 Duro

manifold seal

2шт.

2

BODY (order 1-611967R91, pump) (NSS)

1шт.

3

353183R91

OIL SEAL

OIL SEAL, pump shaft

1шт.

4

355203R1

RING

O-RING, gears

2шт.

5

353186R1

SEAL

O-RING, brg cover spg

1шт.

6

361625R1

SPRING, brg cover

1шт.

7

16008R1

BALL,1/4" Dia, Steel

1/4" dia check

1шт.

8

361627R1

SPRING, check ball

1шт.

9

361628R1

PLUG, check ball

1шт.

372703R4

FLUID

HY-TRAN FLUID, 1 qt U.S. measure

1шт.

372704R4

TRANSMISSION OIL

HY-TRAN FLUID, 1 gal U.S. measure

1шт.

372705R4

FLUID

HY-TRAN FLUID, 5 gal U.S. measure

1шт.

997495R4

FLUID

HY-TRAN FLUID, 1 qt imperial measure

1шт.

997497R4

FLUID

HY-TRAN FLUID, 5 gal imperial measure

1шт.

617368R92

PUMP, hyd (Note A) (includes parts listed, unless otherwise noted)

1шт.

594149R91

PUMP, hyd (Note B) (includes parts listed, unless otherwise noted)

1шт.

BOLT W/NUT, 3/8 x 1-1/4" no. 3 plow

2шт.

Not part of pump

1шт.

LK-WASHER, 3/8"

2шт.

Not part of pump

1шт.

Q1597

WASHER

13/32 x 3/4 x 16 ga

1шт.

NUT, 3/8"-NF slt

1шт.

C-PIN, 1/16 x 1/2"

1шт.

1

596548R91

SEAL

OIL SEAL, shaft

1шт.

2

614746R91

PLATE, pump front

1шт.

3

16007R1

BALL

7/32" dia spg

2шт.

4

371523R1

SPRING

steel ball

2шт.

5

SEAL (order 1-614750R91, package) (NSS)

1шт.

6

GASKET (order 1-614750R91, package) (NSS)

1шт.

7

DIAPHRAGM (order 1-614750R91, package) (NSS)

1шт.

8

617369R91

PACKAGE, gear service

1шт.

For use on serial no. H2184 to H6535

1шт.

614749R2

KEY

gear shaft

1шт.

9

617370R91

BODY, pump

1шт.

10

617371R91

PLATE, pump back

1шт.

BOLT, 5/16 x 2-1/4" type 2

4шт.

11

592249R91

GEAR, idler

1шт.

For use on serial no. H6536 & up\n+Not part of pump

1шт.

12

592248R91

GEAR, drive

1шт.

For use on serial no. H6536 & up\n+Not part of pump

1шт.

13

607171R1

KEY

gear shaft

1шт.

For use on serial no. H6536 & up\n+Not part of pump

1шт.

14

614750R91

KIT

PACKAGE, gasket & seal service composed of: (1) oil seal 596548R91, (1) diaphragm (NSS), (1) seal (NSS), (1) gasket (NSS), (2) spring 371523R1, (2) ball 16007R1

1шт.

Выбрано товаров: 49