Запчасти Case IH 201 (E-008) - ELECTRICAL SYSTEM, WIRING DIAGRAM, SERIAL NUMBER H-1200 AND UP (55) - ELECTRICAL SYSTEMS

Схема запчастей Case IH 201 - (E-008) - ELECTRICAL SYSTEM, WIRING DIAGRAM, SERIAL NUMBER H-1200 AND UP (55) - ELECTRICAL SYSTEMS
FIT
1:1
100%

Артикул

Название

Примечание

Количество

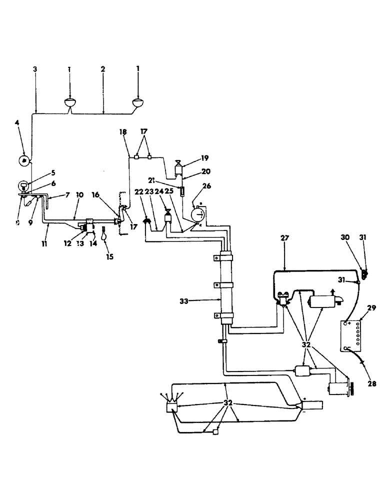
1

LIGHT, head (refer to "headlight and mounting parts")

2шт.

2

592805R11

CABLE, Serial Range: headlight-headlight

1шт.

3

618882R11

CABLE, taillight to headlight LH

1шт.

4

LIGHT, tail (refer to "work and taillight and mounting parts")

1шт.

5

LIGHT, safety flashing (refer to "safety flashing light")

1шт.

6

394262R1

WASHER

GASKET, safety flashing light

1шт.

7

594588R1

ANGLE, light support

1шт.

8

25-158

JAM NUT,Jam, 1/2"-20, G5

1/2-20 hex-jam

1шт.

9

120522

CLIP

CLAMP, no 5 cable

1шт.

413-410

BOLT,Hex, 1/4" - 20 x 5/8", Gr 5

W/NUT, 1/4 x 5/8" C-Z type 2

1шт.

492-11025

LOCK WASHER,1/4"

WASHER, LOCK, 1/4"

1шт.

10

594591R91

CABLE, Serial Range: taillight-junction

1шт.

11

594590R91

CABLE, safety light to flasher & junction

1шт.

12

394132R91

FLASHER UNIT

FLASHER, 12 volt

1шт.

13

394133R1

FASTENER

CLAMP, flasher

1шт.

14

394134R1

SEAL

HOSE, flasher absorber

1шт.

15

394473R91

CABLE, light jumper

1шт.

16

704700R1

GROMMET

cable

1шт.

17

427026

CLAMP, cable

3шт.

18

594589R91

CABLE, Serial Range: switch-junction

1шт.

19

62801DC

SWITCH

light

1шт.

21053R1

WASHER

19/32 x 1-1/4 x 11 ga C-Z

1шт.

20

618891R91

CABLE W/HOLDER, Serial Range: switch-ammeter

1шт.

21

120150

ELBOW

FUSE, 15 amp

1шт.

22

366317R91

IGNITION SWITCH

BUTTON, starter

1шт.

132903

ADAPTER

SCREW, button mounting

2шт.

120611

NUT,#10 - 32

SQ-NUT, no 10-NF C-Z

2шт.

120217

LOCK WASHER,#10

WASHER, LOCK, #10

2шт.

23

618216R11

CABLE, starter button to ignition switch

1шт.

24

62801DC

SWITCH

ignition

1шт.

21053R1

WASHER

19/32 x 1-1/4 x 11 ga C-Z

1шт.

25

618216R11

CABLE, ignition, Serial Range: switch-ammeter

1шт.

26

269467R92

INDICATOR

AMMETER, ignition

1шт.

27

594862R91

CABLE, battery to solenoid (Wisconsin VH4D Engine) (Wisconsin VG4D)

1шт.

Serial No H-5074 and Up

1шт.

27

227134R91

CABLE

battery to solenoid (Wisconsin VG4D)

1шт.

Serial No H-1200 to H-5073

1шт.

28

860304R91

CABLE

battery ground

1шт.

29

262139D

BATTERY, dry charge Prestolite (12V) (for U.S.)

1шт.

29

C4315

BATTERY, dry charge electric storage (12V)

1шт.

30

614323R2

CLAMP

CLIP, battery cable support (VG4D)

2шт.

Serial No H-1200 to H-5073

1шт.

87716

BOLT,1/4"-20 x 1-1/4", Cl 5

W/NUT, 1/4 x 1-1/4" C-Z type 2

1шт.

492-11025

LOCK WASHER,1/4"

WASHER, LOCK, 1/4"

1шт.

31

105248

CLIP, battery cable (VG4D Engine)

2шт.

Serial No H-1200 to H-5073

1шт.

32

STARTER, solenoid, generator voltage-regulator, coil, distributor and Hi temperature switch (for service refer to the Wisconsin Engine Parts Catalog)

1шт.

33

592012R91

HARNESS, electrical wiring

1шт.

105244

CLIP

No. 3 closed (1/4" hole)

1шт.

140581

CLIP

No. 7 closed (3/8" hole)

1шт.

105248

CLIP, No. 7 closed (1/4" hole)

2шт.

413-48

BOLT,Hex, 1/4" - 20 x 1/2", Gr 5

W/NUT, 1/4 x 1/2" C-Z type 2

2шт.

492-11025

LOCK WASHER,1/4"

WASHER, LOCK, 1/4"

2шт.

Выбрано товаров: 53