Запчасти Case IH 201 (A-018) - CYLINDER HEAD (10) - ENGINE

Схема запчастей Case IH 201 - (A-018) - CYLINDER HEAD (10) - ENGINE
FIT
1:1
100%

Артикул

Название

Примечание

Количество

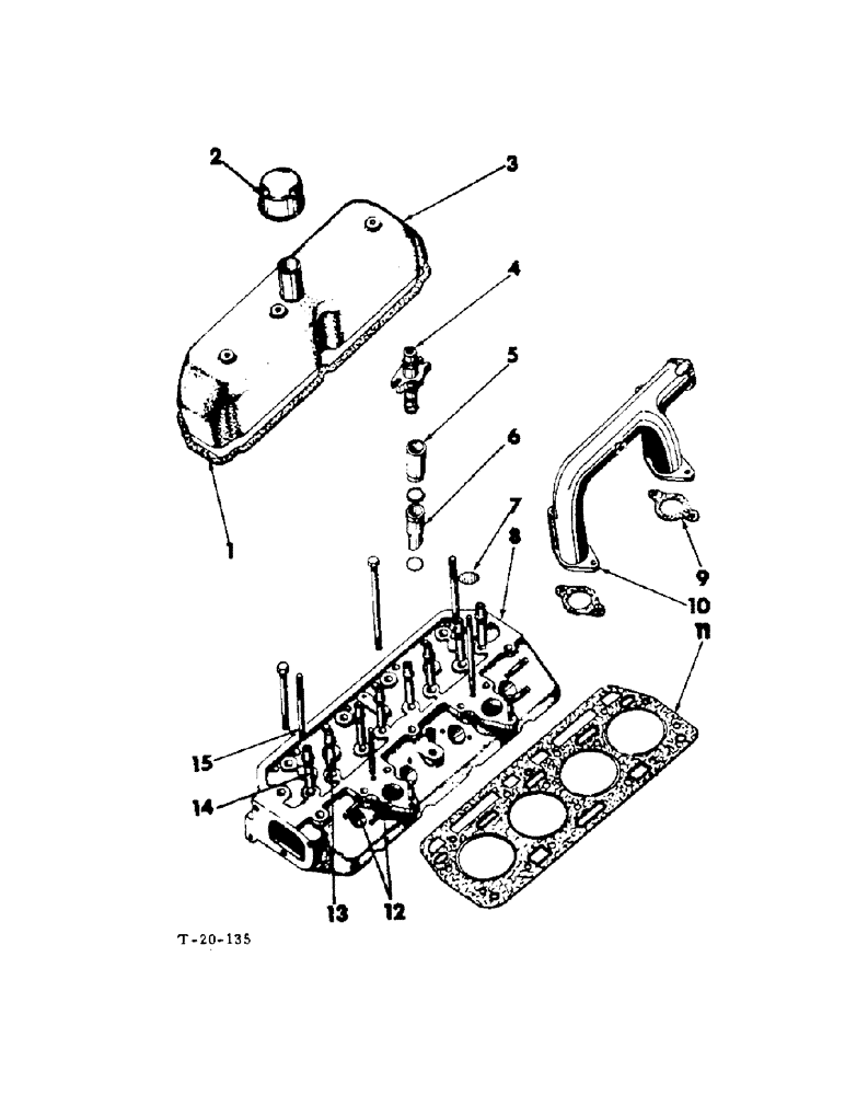
1

703896R1

GASKET

valve cover

1шт.

2

BREATHER, cyl head (for components refer to "cylinder head breather")

1шт.

3

703894R21

COVER

valve

1шт.

BOLT, 3/8 x 1/2" type 2

1шт.

NUT, 3/8"

2шт.

Q1597

WASHER

WASH, 13/32 x 3/4 x 16 ga

1шт.

LK-WASH, 3/8"

2шт.

4

NOZZLE, injection (for components refer to "injection nozzle & holder")

4шт.

706077R1

WASHER

WASH, nozzle stud

8шт.

NUT, 3/8"-NF

8шт.

5

708314R1

CHAMBER

HOLDER, pre-combustion chamber

4шт.

710382R3

GASKET,29mm ID x 35mm OD x 1.22mm Thk

chamber upr

4шт.

6

705359R2

CHAMBER

pre-combustion (prior to engine serial no. BD144/3121C)

4шт.

6

3045523R1

CHAMBER

pre-combustion (engine serial no. BD144/3121C & up)

4шт.

710383R1

GASKET

chamber lower

4шт.

7

172558

PLUG,Exp, 1 1/4"

cyl head expansion

1шт.

8

3043824R12

CYLINDER HEAD

HEAD ASSEMBLY, cyl (less valves) composed of: (4) guide 704455R1, (4) guide 704456R2, (1) head (NSS), (2) plug 172558, (4) stud 703874R1, (2) stud 703875R1, (8) stud 703876R2

1шт.

217-519

DRAIN PLUG,Sq Hd, 1/2"-14 NPTF

PLUG, , Pipe Sq Hd, 1/2"-14 NPTF

1шт.

708331R1

BOLT

BOLT, cyl head short

15шт.

708332R1

BOLT,Cyl Hd

cyl head long

1шт.

63116D

WASHER

WASH, cyl head bolt

16шт.

8

3040360R95

HEAD

ASSEMBLY, cyl (w/valves) composed of: (8) cup 704446R1, (1) head 3043824R12, (16) lock 704443R1, (8) spring 710347R2, (4) valve 3040361R1, (4) valve 3043826R1

1шт.

217-519

DRAIN PLUG,Sq Hd, 1/2"-14 NPTF

PLUG, , Pipe Sq Hd, 1/2"-14 NPTF

1шт.

708331R1

BOLT

BOLT, cyl head short

15шт.

708332R1

BOLT,Cyl Hd

cyl head long

1шт.

63116D

WASHER

WASH, cyl head bolt

16шт.

9

704162R1

MANIFOLD GASKET

air intake manifold

2шт.

10

614078R1

MANIFOLD, air intake

1шт.

BOLT, 3/8 x 1-1/4" type 2

2шт.

BOLT, 3/8 x 3-1/8" type 2

1шт.

BOLT, 3/8 x 5-1/2" type 2

1шт.

LK-WASH, 3/8"

4шт.

11

703883R6

GASKET

cyl head

1шт.

3049382R1

GROMMET

gasket rubber

2шт.

12

703876R2

STUD

injection nozzle holder

8шт.

13

704455R1

VALVE GUIDE

GUIDE, intake valve stem

4шт.

14

704456R2

VALVE GUIDE

GUIDE, exhaust valve stem

4шт.

15

703875R1

STUD

valve lever end bracket

2шт.

Выбрано товаров: 0