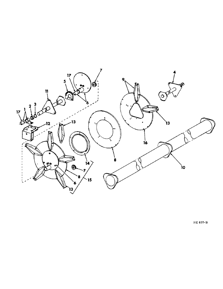
Запчасти Case IH 230 (16-18) - PLATFORM, PICK-UP REEL CENTER SHAFT (12-1/2 FT, 14-1/2 FT, 16-1/2 FT Platform

Схема запчастей Case IH 230 - (16-18) - PLATFORM, PICK-UP REEL CENTER SHAFT (12-1/2 FT, 14-1/2 FT, 16-1/2 FT Platform
FIT
1:1
100%

Артикул

Название

Примечание

Количество

1

598215R21

BEARING ASSY,1.575" ID

ASSY, reel end shaft support (includes 1-109461, fitting and 1-167666C1, bushing)

2шт.

109461

LUBE NIPPLE,1/8"-27 x .66 lg

NIPPLE, LUBE, 1/8"-27 x .66 lg

2шт.

180122

BOLT,Hex, 3/8" - 16 x 1", Gr 5

3/8 x 1"

4шт.

120377

NUT,3/8" - 16, Gr 5

4шт.

120382

LOCK WASHER,Helical Spring, 3/8"

WASHER, LOCK, 3/8"

4шт.

2

598243R1

NO LONGER SERVICED

COLLAR, roller frame spider locking

2шт.

139074

BRACKET

3/8 x 5/16" hex-skt cup-pt set

4шт.

3

47411H

WASHER, 1-21/32 x 2-1/4 x 11 ga

6шт.

4

598213R1

SHAFT

reel end drive LH

1шт.

495967R1

CARRIAGE BOLT,Short NK, 3/8"-16 x 1", G5, Full Thd

BOLT, 3/8 x 1" crg

3шт.

619856R1

WASHER

13/32 x 1 x 16 ga

3шт.

385525R1

LOCK NUT,3/8"-16, GB

LK-NUT, 3/8"

3шт.

120382

LOCK WASHER,Helical Spring, 3/8"

WASHER, LOCK, 3/8"

3шт.

5

598217R1

PLATE

eccentric adjustment

2шт.

180147

SCREW,Hex, 7/16" - 14 x 1 1/4", Gr 5

BOLT, 7/16 x 1-1/4"

4шт.

271501

SOCKET

NUT, 7/16"

4шт.

120383

LOCK WASHER,Helical Spring, 7/16"

WASHER, LOCK, 7/16"

4шт.

6

598241R11

HUB ASSY.

FRAME ASSY, eccentric roller (includes 1-109461, fitting and 2- 167666C1, bushing)

2шт.

180173

BOLT,Hex, 1/2" - 13 x 1", Gr 5

2шт.

120384

WASHER,1/2"

LOCK, 1/2"

2шт.

7

598242R91

ROLLER BEARING,0.376" ID x 2.25" OD x 1"

BEARING, eccentric roller frame

6шт.

113-233

BOLT,Hex, 3/8" - 16 x 1-3/4", Gr 5

6шт.

120377

NUT,3/8" - 16, Gr 5

6шт.

120382

LOCK WASHER,Helical Spring, 3/8"

WASHER, LOCK, 3/8"

6шт.

8

598238R1

RETAINER

PLATE, eccentric roller frame

2шт.

9

598218R91

SPIDER ASSY, reel inner (3 used 12-1/2 ft) (4 used 14-1/2 ft and 16-1/2 ft) composed of: (1) plate 598219R1, (5) arm 598239R1, (15) bolt 180073, (15) nut 120376, (15) washer 120214

1шт.

10

598210R1

TUBE

SHAFT, reel center 12-1/2 ft

1шт.

10

598211R1

TUBE

SHAFT, reel center 14-1/2 ft

1шт.

10

598212R1

TUBE

SHAFT, reel center 16-1/2 ft

1шт.

11

598214R1

SHAFT

reel end driven RH

1шт.

495967R1

CARRIAGE BOLT,Short NK, 3/8"-16 x 1", G5, Full Thd

BOLT, 3/8 x 1" crg

3шт.

619856R1

WASHER

13/32 x 1 x 16 ga

3шт.

385525R1

LOCK NUT,3/8"-16, GB

LK-NUT, 3/8"

3шт.

120382

LOCK WASHER,Helical Spring, 3/8"

WASHER, LOCK, 3/8"

3шт.

12

598216R2

BRACKET

eccentric adjustment

2шт.

LC175

PIN

1/2 x 2-1/2" std-hd-dld

2шт.

599744R1

AXLE PIN

C-PIN, Q.A.

2шт.

13

598239R1

ARM

reel bat and finger support (25 used 12-1/2 ft) (30 used 14-1/2 and 16-1/2 ft)

1шт.

88574

BOLT,Hex, 5/16" - 18 x 1/2", Gr 5, Full Thd

(65 used 12-1/2 ft) (80 used 14-1/2 ft and 16-1/2 ft) Hex, 5/16"-18 x 1/2", G5, Full Thd

1шт.

120376

NUT,5/16"-18, G5

(1 per bolt) 5/16"-18, G5

1шт.

80681

LOCK WASHER,5/16"

WASHER, LOCK, , 1 used per bolt 5/16"

1шт.

14

598240R1

RETAINER

RING, eccentric control

2шт.

180077

BOLT,Hex, 5/16" - 18 x 3/4", Gr 5

5/16 x 3/4"

10шт.

120376

NUT,5/16"-18, G5

10шт.

80681

LOCK WASHER,5/16"

WASHER, LOCK, 5/16"

10шт.

15

598237R91

2шт.

SPIDER ASSY, eccentric roller frame composed of: (1) plate 598238R1, (5) arm 598239R1, (1) ring 598240R1, (1) frame assy 598241R11, (3) bearing 598242R91, (10) bolt 180073, (5) bolt 180077, (3) bolt 180128, (1) bolt 180173, (15) washer 120214, (13) washer 120382, (1) washer 120384, (15) nut 120376, (3) nut 120377

1шт.

16

598219R1

SHIELD

PLATE, reel inner (3 used 12-1/2 ft) (4 used 14-1/2 ft and 16-1/2 ft)

1шт.

113-206

BOLT,Hex, 3/8" - 16 x 3/4", Gr 5, Full Thd

3/8 x 3/4" (9 used 12-1/2 ft) (12 used 14-1/2 ft and 16-1/2 ft)

1шт.

619856R1

WASHER

13/32 x 1 x 16 ga (1 per bolt)

1шт.

385525R1

LOCK NUT,3/8"-16, GB

LK-NUT, 3/8" (1 per bolt)

1шт.

120382

LOCK WASHER,Helical Spring, 3/8"

WASHER, LOCK, , 1 per bolt 3/8"

1шт.

17

167666C1

BUSHING

bearing and eccentric frame assy

6шт.

Выбрано товаров: 53