Запчасти Case IH 275 (N-04) - PARTS ACCESSORIES AND ATTACHMENTS, HYDRAULIC VARIATOR Accessories & Attachments

Схема запчастей Case IH 275 - (N-04) - PARTS ACCESSORIES AND ATTACHMENTS, HYDRAULIC VARIATOR Accessories & Attachments
FIT
1:1
100%

Артикул

Название

Примечание

Количество

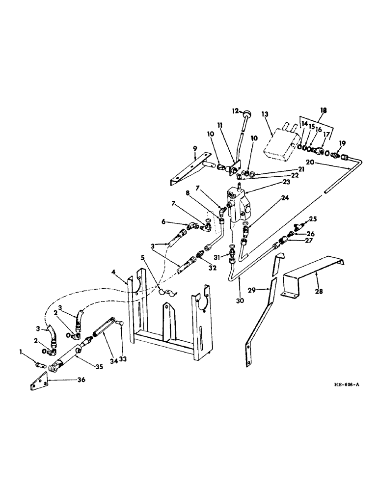
1

21890R1

PIN, 5/8 x 1-3/4" std-hd-dld hyd cyl mounting rear

1шт.

432-1216

COTTER PIN,3/16" x 1"

Pin, Split (Cotter), 3/16" x 1"

1шт.

2

9410976

ELBOW,90 Degree, 9/16"-18, 37 Degree x 9/16"-18, O-Ring

3/8" - 90 degree variator hyd cyl

2шт.

364839R1

O-RING,0.078" Thk x 0.468" ID, -906, Cl 6, 90 Duro

6-1, 90 Duro, .468" ID x .078" Thk, variator elbow

2шт.

3

632454R91

HYDRAULIC HOSE,0.31" ID x 30.00", SAE 100R1 Class B

HOSE, variator hyd cyl to valve

2шт.

4

598576R1

FRAME, inner variator

1шт.

5

212214R1

CLAMP, hose

1шт.

86505867

BOLT,Hex, 1/4" - 20 x 1", Gr 5

1шт.

120375

NUT,Hex, 1/4" - 20, Gr 5

1шт.

6

9410280

ELBOW,90 Degree, 9/16"-18, 37 Degree x 9/16"-18, 37 Degree Fem Sw

3/8" - 90 degree variator valve to return hose swivel

1шт.

7

9410976

ELBOW,90 Degree, 9/16"-18, 37 Degree x 9/16"-18, O-Ring

3/8" - 90 degree variator valve

2шт.

364839R1

O-RING,0.078" Thk x 0.468" ID, -906, Cl 6, 90 Duro

6-1, 90 Duro, .468" ID x .078" Thk, valve elbow

2шт.

8

598567R11

TUBE, variator valve to hose 0.375" OD, 2.4, 2.4" Length

1шт.

9

598564R1

PIVOT, variator handle mounting

1шт.

187988

COTTER PIN,3/16" x 1 1/4"

PIN, SPLIT (COTTER), 3/16" x 1 1/4"

1шт.

180122

BOLT,Hex, 3/8" - 16 x 1", Gr 5

3/8 x 1"

3шт.

120377

NUT,3/8" - 16, Gr 5

3шт.

120382

LOCK WASHER,Helical Spring, 3/8"

WASHER, LOCK, 3/8"

3шт.

10

185062R1

BUSHING

variator handle

2шт.

11

598561R2

HANDLE, hyd variator

1шт.

12

163574C1

KNOB

hyd valve variator (opt to use 1 - 610638R1, KNOB)

1шт.

12

610638R1

KNOB

hyd valve variator (opt to use 1 - 163574C1, KNOB)

1шт.

13

VALVE, hyd control (for component parts of the applicable valve to refer to "HYDRAULIC VALVE CONTROL" in section "F" of this parts catalog)

1шт.

14

370920R1

O-RING,1/2" ID

adapter plug

1шт.

15

598644R1

WASHER

adaptor plug back-up

1шт.

16

350429R1

O-RING,0.103" Thk x 0.612" ID, -114, Cl 5, 75 Duro

adapter plug

1шт.

17

597877R1

PLUG

main hyd control valve pressure beyond adapter

1шт.

18

598386R91

PLUG

power beyond adaptor, composed of, (1) PLUG 597877R1, (1) O-RING 350429R1, (1) O-RING 370920R1, (1) WASHER 598644R1

1шт.

19

9410202

HYD CONNECTOR,9/16"-18, 37 Degree x 9/16"-18, O-Ring

CONNECTOR, tube to main control valve

1шт.

364839R1

O-RING,0.078" Thk x 0.468" ID, -906, Cl 6, 90 Duro

6-1, 90 Duro, .468" ID x .078" Thk, valve connector

1шт.

20

598575R11

TUBE, variator valve to main valve

1шт.

21

178375R1

WASHER

25/32 x 1-1/4 x 16 ga

1шт.

22

598083R1

CHAIN (AG)

LINK, variator valve connecting

1шт.

23

596409R92

VALVE

variator control (for component parts of this assembly refer to "VARIATOR CONTROL VALVE" in section "F" of this parts catalog)

1шт.

180042

BOLT,Hex, 1/4" - 20 x 1 3/4", Gr 5

BOLT, 1/4 x 1-3/4"

2шт.

120375

NUT,Hex, 1/4" - 20, Gr 5

2шт.

492-11025

LOCK WASHER,1/4"

WASHER, LOCK, 1/4"

2шт.

24

9411104

ELBOW,45 Degree, 9/16"-18, 37 Degree x 9/16"-18, O-Ring

3/8" - 45 degree variator valve

1шт.

364839R1

O-RING,0.078" Thk x 0.468" ID, -906, Cl 6, 90 Duro

6-1, 90 Duro, .468" ID x .078" Thk, valve elbow

1шт.

25

9402982

TEE,3/4"-16, 37 Degree

1/2" hyd

1шт.

26

9403400

REDUCER,37 Degree, 1/2" x 3/8" Tube

1/2 x 3/8" hyd tee

1шт.

27

9403528

TUBE NUT,37 Degree, 3/4"-16, Type B

NUT, reducer

1шт.

28

598574R1

BRACKET, speed product graphic

1шт.

2753719R1

PRODUCT GRAPHIC, speed

1шт.

145140

COTTER PIN

SCREW, No. 10 x 3/4" type B tapping

4шт.

29

598573R1

INDICATOR, speed control

1шт.

181700

BOLT,Hex, 1/2" - 20 x 1 1/2", Gr 5

1/2 - NF x 1-1/2"

2шт.

120371

NUT,1/2"-20, G5

2шт.

120384

WASHER,1/2"

LOCK, 1/2"

2шт.

30

598576R11

TUBE, variator, Serial Range: valve-tee

1шт.

31

9410202

HYD CONNECTOR,9/16"-18, 37 Degree x 9/16"-18, O-Ring

CONNECTOR, variator valve

1шт.

364839R1

O-RING,0.078" Thk x 0.468" ID, -906, Cl 6, 90 Duro

6-1, 90 Duro, .468" ID x .078" Thk, valve connector

1шт.

32

9402786

UNION,9/16"-18, 37 Degree x 9/16"-18, 37 Degree

tube to hose

1шт.

33

21380R1

PIN, 1/2 x 1-5/16" std-hd-dld hyd cyl front mounting

1шт.

432-1216

COTTER PIN,3/16" x 1"

Pin, Split (Cotter), 3/16" x 1"

1шт.

34

598569R1

ROD, variator cyl adjusting

1шт.

35

403824R91

CYLINDER, hyd variator (for component parts of this assembly refer to "HYDRAULIC VARIATOR CYLINDER" in section "F" of this parts catalog)

1шт.

36

598568R1

PLATE, cyl anchor rear

1шт.

180149

LOCK SCREW,Hex, 7/16" - 14 x 1 1/2", Gr 5

BOLT, 7/16 x 1-1/2"

2шт.

271501

SOCKET

NUT, 7/16"

2шт.

120383

LOCK WASHER,Helical Spring, 7/16"

WASHER, LOCK, 7/16"

2шт.

Выбрано товаров: 0