Запчасти Case IH 275 (C-18) - 6 CYLINDER, 232 CARBURETED ENGINE, GOVERNOR, HOOF PRODUCTS (01) - ENGINE

Схема запчастей Case IH 275 - (C-18) - 6 CYLINDER, 232 CARBURETED ENGINE, GOVERNOR, HOOF PRODUCTS (01) - ENGINE
FIT
1:1
100%

Артикул

Название

Примечание

Количество

827035C91

GOVERNOR

ASSY (includes all parts listed)

1шт.

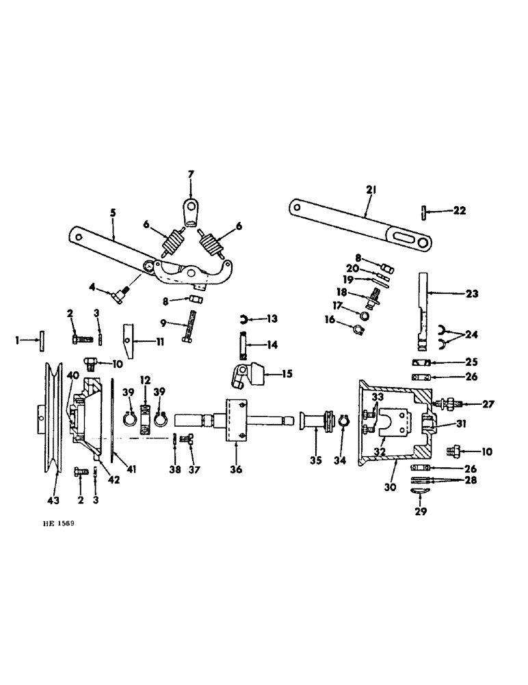
1

17080R1

LOCK PIN,5/32" x 1 1/4", Slotted

PIN, , Pulley to main shaft 5/32" x 1 1/4", Slotted

1шт.

2

271479

DOOR

SCREW, #12 - 24 x 3/4" cover and speed stop bar

4шт.

3

406219R1

WASHER, #12 lock

4шт.

4

827327C1

SCREW, speed lever pivot

1шт.

5

827324C1

LEVER, speed adjusting

1шт.

6

827325C1

SPRING

2шт.

7

827326C1

LINK, sensitivity pin

1шт.

8

120367

NUT,Hex, 1/4" - 28, Gr 5

1/4 - 28

2шт.

9

406211R1

SCREW, speed stop

1шт.

10

444613

BEARING HOUSING

1/8 - 27 pipe

2шт.

11

827319C1

BAR, speed stop

1шт.

12

406237R91

BEARING, main shaft

1шт.

13

626907R1

RING,#18, Ext

Snap, , pivot pin #18, Ext

2шт.

14

406224R1

PIN

flyweight pivot

2шт.

15

827323C1

FLYWEIGHT

2шт.

16

875777R1

SNAP RING,#25, Ext

Ring, Snap, , adjusting screw #25, Ext

1шт.

17

827330C1

WASHER, screw spacer

1шт.

18

827329C1

SCREW, sensitivity adjusting

1шт.

19

22653R1

WASHER

9/32 x 5/8 x .051 ga adjusting screw

1шт.

20

120423

LOCK WASHER,Int Tooth, 0.267" ID x 0.478" OD x 0.028"

WASHER, LOCK, , Adjusting screw Int Tooth, 1/4"

1шт.

21

827328C1

LEVER, throttle

1шт.

22

17064R1

LOCK PIN,1/8" x 5/8", Slotted

Pin, , spring lever to rocker shaft 1/8" x 5/8", Slotted

1шт.

23

827320C1

SHAFT, rocker

1шт.

24

406218R1

RETAINER, bearing

2шт.

25

406215R1

SEAL, rocker shaft oil

1шт.

26

406235R91

BEARING, rocker shaft

2шт.

27

406230R1

SCREW, bumper

1шт.

28

162217H1

WASHER, bearing spacer

2шт.

29

172532

PLUG,Exp, 13/16"

expansion

1шт.

30

BODY, governor (NSS) (for service 1 - 827035C91 GOVERNOR ASSY)

1шт.

31

827321C1

BUSHING, main shaft

1шт.

32

406229R1

LEVER, rocker

1шт.

33

406228R1

SCREW w/LOCKWASHER

2шт.

34

213262R1

SNAP RING,#37, Ext

Ring, Snap, , sleeve and bearing #37, Ext

1шт.

35

406227R1

BEARING w/SLEEVE

1шт.

36

827322C1

SHAFT, main

1шт.

37

225577

SCREW, 1/4 - 28 x 7/16" fil-hd cover

2шт.

38

492-11025

LOCK WASHER,1/4"

WASHER, LOCK, 1/4"

2шт.

39

382627R1

SNAP RING,#59, Ext

Ring, Snap, , bearing #59, Ext

2шт.

40

406236R91

OIL SEAL

front main oil

1шт.

41

406223R1

GASKET

cover

1шт.

42

827318C1

COVER, housing

1шт.

43

827317C1

PULLEY

drive

1шт.

Выбрано товаров: 44