Запчасти Case IH 275 (B-35) - POWER TRAIN, PLATFORM COUNTER SHAFT (03) - POWER TRAIN

Схема запчастей Case IH 275 - (B-35) - POWER TRAIN, PLATFORM COUNTER SHAFT (03) - POWER TRAIN
FIT
1:1
100%

Артикул

Название

Примечание

Количество

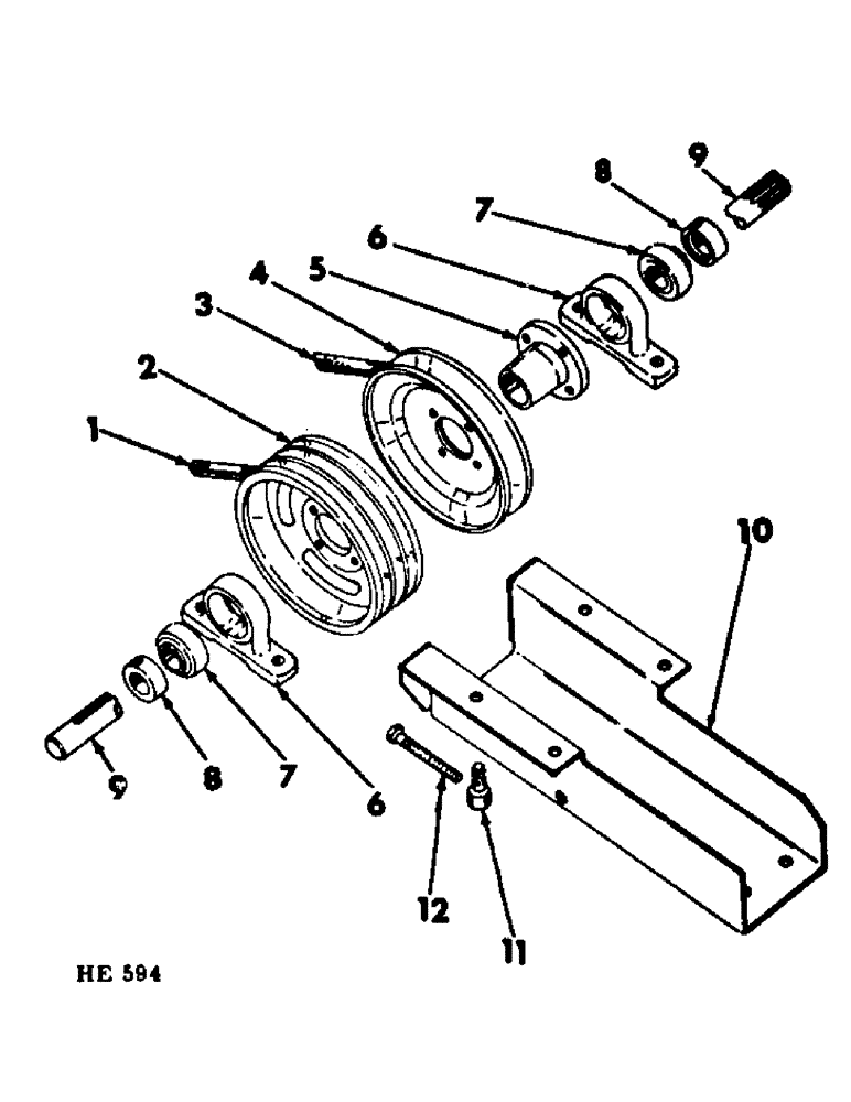
1

596174R11

SET,0.88" W x 104.00" L

OF BELTS , V-Belt, Platform counter shaft drive (Set of 3 belts) (For use on machines equipped w/single auger platform) 0.88" W x 104.00" L

1шт.

2

596175R1

PULLEY, platform counter shaft driven (for use on machines equipped w/single auger platform)

1шт.

180123

BOLT,Hex, 3/8" - 16 x 1 1/8", Gr 5, Full Thd

3/8 x 1-1/8"

4шт.

120382

LOCK WASHER,Helical Spring, 3/8"

WASHER, LOCK, 3/8"

4шт.

3

595621R1

V-BELT,1.26" W x 101.88" L

Platform counter shaft drive (For use on machines equipped w/dual auger platform) 1.26" W x 101.88" L

1шт.

4

595622R11

PULLEY

platform counter shaft driven (for use on machines equipped w/dual auger platform)

1шт.

113-206

BOLT,Hex, 3/8" - 16 x 3/4", Gr 5, Full Thd

3/8 x 3/4"

4шт.

120382

LOCK WASHER,Helical Spring, 3/8"

WASHER, LOCK, 3/8"

4шт.

5

595353R1

HUB, counter shaft driven pulley

1шт.

Q3950

KEY,Gib, 3/8" Sq x 2 1/4"

3/8 x 2-1/4" gib-hd

1шт.

6

611700R3

SUPPORT

counter shaft brg

2шт.

465567R1

CARRIAGE BOLT,Sht Sq Nk, 1/2" - 13 x 1 1/2", Gr 5

BOLT, 1/2 x 1-1/2" crg

2шт.

120378

NUT,Hex, 1/2" - 13, Gr 5

NUT, 1/2"-13, G5

2шт.

120384

WASHER,1/2"

LOCK, 1/2"

2шт.

7

565672R91

BALL BEARING,1.25" ID x 72 mm OD x 1.53125"

platform counter shaft

2шт.

8

455104R11

COLLAR

counter shaft brg locking (includes 1 - 102592, SCREW)

2шт.

102592

SET SCREW,Hex Skt, 3/8" - 16 x 3/8"

SCREW, 3/8 x 3/8" hdls-cup-pt-set

2шт.

9

596361R1

SHAFT

platform counter

1шт.

10

596362R2

BRACKET, counter shaft brg adjusting

1шт.

180145

BOLT,Hex, 7/16" - 14 x 1", Gr 5

7/16 x 1"

2шт.

180173

BOLT,Hex, 1/2" - 13 x 1", Gr 5

4шт.

271501

SOCKET

NUT, 7/16"

2шт.

120383

LOCK WASHER,Helical Spring, 7/16"

WASHER, LOCK, 7/16"

2шт.

120384

WASHER,1/2"

LOCK, 1/2"

4шт.

11

596365R1

STUD, brg adjusting bracket

2шт.

120378

NUT,Hex, 1/2" - 13, Gr 5

NUT, 1/2"-13, G5

2шт.

120384

WASHER,1/2"

LOCK, 1/2"

2шт.

12

596366R1

BOLT

1/2 x 4-1/4" special bracket

2шт.

607895R1

WASHER

17/32 x 1 x 11 ga

2шт.

Выбрано товаров: 29