Запчасти Case IH 275 (G-04) - ELECTRICAL SYSTEM, WIRING DIAGRAM (06) - ELECTRICAL SYSTEMS

Схема запчастей Case IH 275 - (G-04) - ELECTRICAL SYSTEM, WIRING DIAGRAM (06) - ELECTRICAL SYSTEMS
FIT
1:1
100%

Артикул

Название

Примечание

Количество

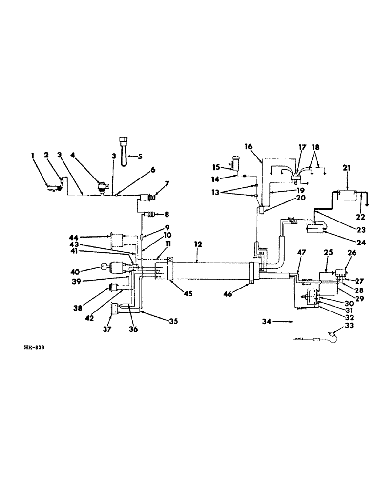
1

LIGHT, safety flashing (for component parts of this assembly refer to "FLASHING SAFETY LIGHT" in section "G" of this parts catalog)

2шт.

2

358986R1

CABLE CLIP

CLIP, flashing safety light cable (refer to "FLASHING SAFETY LIGHT" in section "G" of this parts catalog)

1шт.

3

595983R91

CABLE, flashing safety light to flasher OR jumper cable to light switch

2шт.

4

394132R91

FLASHER UNIT

FLASHER, safety light (for component parts of this assembly refer to "FLASHING SAFETY LIGHT" in section "G" of this parts catalog)

1шт.

5

394473R91

CABLE, flashing safety light jumper when steady light is desired or flasher is prohibited by law)

1шт.

6

427026

CONNECTOR, safety light switch cable

1шт.

7

62801DC

SWITCH

flashing safety light (for component parts of this assembly refer to "LIGHT SWITCH" in section "G" of this parts catalog)

1шт.

8

592700R91

HOLDER

safety light & head light fuse

1шт.

9426333

FUSE,15 Amp, Type 3AG

1-1/4" long 15 amp

1шт.

9

376749R1

BODY

CONNECTOR, fuse holder cable to ammeter cable

1шт.

10

595984R11

CABLE, ammeter to fuse holder connector & cable

1шт.

11

598389R1

CABLE, hourmeter ground (special)

1шт.

12

595499R91

HARNESS, electrical cable

1шт.

101981R1

CLIP

CLAMP, cable harness

1шт.

413-48

BOLT,Hex, 1/4" - 20 x 1/2", Gr 5

1/4 x 1/2"

1шт.

120375

NUT,Hex, 1/4" - 20, Gr 5

1шт.

492-11025

LOCK WASHER,1/4"

WASHER, LOCK, 1/4"

1шт.

140571

CLIP

cable harness

1шт.

180077

BOLT,Hex, 5/16" - 18 x 3/4", Gr 5

5/16 x 3/4"

1шт.

120376

NUT,5/16"-18, G5

1шт.

80681

LOCK WASHER,5/16"

WASHER, LOCK, 5/16"

1шт.

13

119702R1

CLIP

fuel pump to engine coil cable

2шт.

14

595518R11

CABLE, electric fuel pump to engine coil

1шт.

119702R1

CLIP

fuel pump cable

2шт.

15

394327R92

PUMP

electric fuel (also refer to "FUEL LINES" in section "E" of this parts catalog)

1шт.

16

CABLE, engine coil to distributor secondary (refer to "ENGINE IGNITION UNIT" in the applicable engine section of the ENG-1 parts catalog)

1шт.

17

DISTRIBUTOR, engine ignition (for component parts of this assembly, refer to "DISTRIBUTOR" in section "E" of th ENG-1 parts catalog)

1шт.

18

PACKAGE, ignition cable spark plug & distributor service (for component parts of this assembly refer to "SPARK PLUGS AND CABLES" in section "E" of the ENG-1 parts catalog)

1шт.

19

CABLE, coil to distributor primary (refer to "ENGINE IGNITION UNIT" in section "E" of the ENG-1 parts catalog)

1шт.

20

COIL, engine ignition (refer to "ENGINE IGNITION UNIT" in section "E" of the ENG-1 parts catalog)

1шт.

21

395590R1

BATTERY, 12 volt dry (PRESTOLITE) POL - 2432 x) (for U.S.)

1шт.

21

924336R91

BATTERY, 12 volt dry (NOT for U.S.)

1шт.

22

595490R91

CABLE, battery ground

1шт.

180077

BOLT,Hex, 5/16" - 18 x 3/4", Gr 5

5/16 x 3/4"

1шт.

80681

LOCK WASHER,5/16"

WASHER, LOCK, 5/16"

1шт.

23

595488R91

CABLE, battery to starting motor solenoid

1шт.

24

1107344

MOTOR, 12 volt starting (for component parts of this assembly refer to "STARTING MOTOR" in section "G" of this parts catalog)

1шт.

180175

BOLT,Hex, 1/2" - 13 x 1 1/4", Gr 5

1/2 x 1-1/4"

2шт.

120378

NUT,Hex, 1/2" - 13, Gr 5

NUT, 1/2"-13, G5

2шт.

120384

WASHER,1/2"

LOCK, 1/2"

2шт.

25

595496R11

CABLE, alternator ground

1шт.

26

1119513

VOLTAGE REGULATOR

REGULATOR, voltage (for component parts of this assembly refer to "VOLTAGE REGULATOR" in section "G" of this parts catalog)

1шт.

180016

SPRING

1/4 x 1/2"

2шт.

492-11025

LOCK WASHER,1/4"

WASHER, LOCK, 1/4"

2шт.

27

969325R1

ELEC CONNECTOR,Female

CONNECTOR, voltage regulator field terminal

1шт.

28

CABLE, voltage regulator No. 3 terminal to cranking motor solenoid switch (NSS) (for service order 1 - 595499R91)

1шт.

29

595497R11

CABLE, alternator "F" terminal to voltage regulator "F" terminal

1шт.

30

969541R1

CONNECTOR, ELEC

CONNECTOR, alternator field terminal

1шт.

31

ALTERNATOR, 12 volt (for component parts of this assembly refer to "ALTERNATOR" in section "G" of this parts catalog)

1шт.

32

CABLE, ammeter on instrument panel to "B" terminal on alternator (NSS) (for service order 1 - 595499R91, HARNESS)

1шт.

33

SOLENOID, carburetor fuel shut-off (for component parts of this assembly refer to "FUEL SHUT-OFF VALVE" in section "E" of the ENG-1 parts catalog)

1шт.

34

CABLE, carburetor fuel shut-off solenoid to engine coil (NSS) (for service order 1 - 595499R91, wiring HARNESS)

1шт.

35

CABLE, ammetor to engine starting motor solenoid (NSS) (for service order 1 - 595499R91, wiring HARNESS)

1шт.

36

595502R11

CABLE, ammeter to key ignition switch

1шт.

37

154818C91

GAUGE ASSY.

AMMETER, battery ignition

1шт.

38

366317R93

SWITCH

BUTTON, engine starting (for component parts of this assembly refer to "ENGINE STARTER BUTTON" in section "G" of this parts catalog)

1шт.

38

366317R93GV

CONTROL

Value, Control Switch

1шт.

39

CABLE, starter button to cranking motor solenoid switch (NSS) (for service order 1 - 595499R91, wiring HARNESS)

1шт.

40

403562R1

IGNITION SWITCH

SWITCH, key ignition (for component parts of this assembly refer to "KEY IGNITION SWITCH" in section "G" of this parts catalog)

1шт.

41

CABLE, key ignition switch to engine coil (NSS) (for service order 1 - 595499R91, wiring HARNESS)

1шт.

42

CABLE, key ignition switch to engine starter button (NSS) (for service order 1 - 595499R91, wiring HARNESS)

1шт.

43

598936R1

CABLE, hourmeter to starting switch

1шт.

44

621657C91

HOURMETER, instrument panel (for component parts of this assembly refer to "HOURMETER" in section "H" of this parts catalog)

1шт.

45

101981R1

CLIP

CLAMP, harness to instrument panel

1шт.

413-48

BOLT,Hex, 1/4" - 20 x 1/2", Gr 5

1/4 x 1/2"

1шт.

120375

NUT,Hex, 1/4" - 20, Gr 5

1шт.

492-11025

LOCK WASHER,1/4"

WASHER, LOCK, 1/4"

1шт.

46

140571

CLIP

CLAMP, Serial Range: harness-radiator

1шт.

180077

BOLT,Hex, 5/16" - 18 x 3/4", Gr 5

5/16" x 3/4"

1шт.

120376

NUT,5/16"-18, G5

1шт.

80681

LOCK WASHER,5/16"

WASHER, LOCK, 5/16"

1шт.

47

CABLE, voltage regulator No. 2 terminal to engine coil (NSS) (for service order 1 - 595499R91, wiring HARNESS)

1шт.

Выбрано товаров: 72