Запчасти Case IH 275 (N-16) - PARTS ACCESSORIES AND ATTACHMENTS, PLATFORM STABILIZER LOCK-OUT Accessories & Attachments

Схема запчастей Case IH 275 - (N-16) - PARTS ACCESSORIES AND ATTACHMENTS, PLATFORM STABILIZER LOCK-OUT Accessories & Attachments
FIT
1:1
100%

Артикул

Название

Примечание

Количество

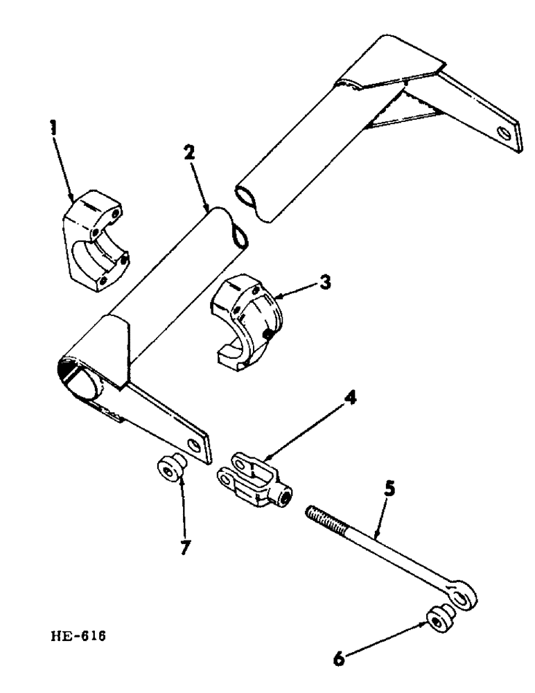
1

595974R1

BEARING, lock-out arm bottom

2шт.

433163

BOLT,Hex, 1/2" - 13 x 5", Gr 5

1/2 x 5"

8шт.

120384

WASHER,1/2"

LOCK, 1/2"

8шт.

2

595970R92

ARM, platform lock-out pivot

1шт.

3

611703R1

BEARING, platform lock-out arm top

2шт.

109461

LUBE NIPPLE,1/8"-27 x .66 lg

NIPPLE, LUBE, 1/8"-27 x .66 lg

2шт.

433163

BOLT,Hex, 1/2" - 13 x 5", Gr 5

1/2 x 5"

8шт.

120394

WASHER,3/8", SAE

LK-WASHER, 1/2"

8шт.

4

595975R1

CLEVIS, platform lock-out arm

2шт.

271725

SNAP RING,Hex, 5/8" - 11 x 2 1/2", Gr 5

5/8 x 2-1/2"

2шт.

280374

NUT,Hex, 5/8" - 11, Gr 5

5/8"

2шт.

492-11062

BEARING WASHER,5/8"

WASHER, LOCK, 5/8"

2шт.

5

595977R1

EYEBOLT, platform lock-out adjusting

2шт.

425-1014

NUT,7/8"-9, G5

NUT, 7/8"-9, G5

2шт.

426-1040

BOLT,Hex, 5/8" - 11 x 2-1/2", Gr 8

5/8 x 2-1/2"

2шт.

280374

NUT,Hex, 5/8" - 11, Gr 5

5/8"

2шт.

492-11062

BEARING WASHER,5/8"

WASHER, LOCK, 5/8"

2шт.

6

595978R1

BUSHING

adjusting eyebolt

2шт.

271725

SNAP RING,Hex, 5/8" - 11 x 2 1/2", Gr 5

5/8 x 2-1/2"

2шт.

280374

NUT,Hex, 5/8" - 11, Gr 5

5/8"

2шт.

492-11062

BEARING WASHER,5/8"

WASHER, LOCK, 5/8"

2шт.

7

595978R1

BUSHING

lock-out arm clevis

2шт.

426-1040

BOLT,Hex, 5/8" - 11 x 2-1/2", Gr 8

5/8 x 2-1/2"

2шт.

280374

NUT,Hex, 5/8" - 11, Gr 5

5/8"

2шт.

492-11062

BEARING WASHER,5/8"

WASHER, LOCK, 5/8"

2шт.

Выбрано товаров: 25