Запчасти Case IH 275 (F-24) - HYDRAULIC SYSTEM, HYDROSTATIC HYDRAULIC DRIVE CIRCUIT (07) - HYDRAULIC SYSTEM

Схема запчастей Case IH 275 - (F-24) - HYDRAULIC SYSTEM, HYDROSTATIC HYDRAULIC DRIVE CIRCUIT (07) - HYDRAULIC SYSTEM
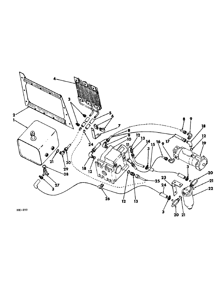
FIT
1:1
100%

Артикул

Название

Примечание

Количество

1

595382R91

RESERVOIR, hyd oil (for component parts of this assembly refer to "HYDRAULIC OIL RESERVOIR AND MOUNTING" in section "F" of this parts catalog)

1шт.

2

SUPPORT, hyd oil cooler (for service on 375 Windrower, built prior to machine serial No. 201, order 1 - 597908R1, SUPPORT & 1 - 597917R91, RADIATOR GRILLE)

1шт.

2

597908R1

SUPPORT, hyd oil cooler (for use on 375 Windrower, built w/machine serial No. 201 to machine serial No. 701)

1шт.

88574

BOLT,Hex, 5/16" - 18 x 1/2", Gr 5, Full Thd

2шт.

120376

NUT,5/16"-18, G5

2шт.

80681

LOCK WASHER,5/16"

WASHER, LOCK, 5/16"

2шт.

3

333710R91

HOSE CLAMP,#16, 0.81/1.50 Type F Worm

SWITCH MOUNTING, hydrostatic drive pump to oil cooler hose

8шт.

4

598100R1

COOLER, hyd oil

1шт.

180075

BOLT,Hex, 5/16" - 18 x 5/8", Gr 5

5/16 x 5/8"

6шт.

619855R1

WASHER

11/32 x 3/4 x 16 ga

6шт.

80681

LOCK WASHER,5/16"

WASHER, LOCK, 5/16"

6шт.

5

628088R1

HOSE, hydrostatic drive pump to oil cooler

2шт.

6

596009R1

CLAMP, hydrostatic drive pump to oil cooler tube

2шт.

7

595420R1

SUPPORT, oil cooler tube clamp

1шт.

354167R1

SPACER, tube clamp

2шт.

180122

BOLT,Hex, 3/8" - 16 x 1", Gr 5

3/8 x 1"

1шт.

120377

NUT,3/8" - 16, Gr 5

1шт.

120382

LOCK WASHER,Helical Spring, 3/8"

WASHER, LOCK, 3/8"

1шт.

8

595409R11

TUBE, hydrostatic pump reverse high pressure 1" OD, 10.75, 6.42" Length

1шт.

9

595408R1

90 ELBOW

90 degree hydrostatic drive pump & motor high pressure tube

3шт.

296247R1

O-RING,16-1, 90 Duro, 1.171" ID x .116" Thk

pump elbow

3шт.

PUMP, hydrostatic drive (for service on 375 Windrower built prior to machine serial No. 201, order 1 - 67805C91, PUMP; 1 - 596416R1, PULLEY & 1 - 645236R1, NUT) (for component parts of this assembly refer to "HYDROSTATIC DRIVE PUMP" in section "F" of this parts catalog)

1шт.

11

595406R1

ELBOW

45 degree drive pump for drive motor forward high pressure tube

1шт.

296247R1

O-RING,16-1, 90 Duro, 1.171" ID x .116" Thk

drive pump elbow

1шт.

12

364885R1

O-RING,0.097" Thk x 0.755" ID, -910, Cl 6, 90 Duro

connector & elbow

4шт.

13

574479R1

HYD CONNECTOR,1 1/16"-12, 37 Degree x 7/8"-14, O-Ring

CONNECTOR, drive pump & oil cooler

2шт.

364885R1

O-RING,0.097" Thk x 0.755" ID, -910, Cl 6, 90 Duro

hose connector

2шт.

14

635983R11

ELBOW, 90 degree hyd oil filter to drive pump pressure

1шт.

15

595722R1

HOSE, oil filter to drive pump

1шт.

16

595407R11

TUBE, drive pump to motor forward high pressure

1шт.

17

627213R91

HOSE, drive motor to pump drain

1шт.

18

9410978

ELBOW,90 Degree, 7/8"-14, 37 Degree x 7/8"-14, O-Ring

90 degree hydrostatic drive motor to pump drain hose

2шт.

364885R1

O-RING,0.097" Thk x 0.755" ID, -910, Cl 6, 90 Duro

drain hose elbow

2шт.

19

150620C91

MOTOR, hydrostatic drive (for service on 375 Windrower built prior to machine serial No. 201, order 1 - 67810C91, MOTOR) (for component parts of this assembly refer to "HYDROSTATIC DRIVE MOTOR" in section "F" of this parts catalog)

1шт.

19

67810C91

REMAN-INJECTION PUMP

MOTOR, hydrostatic drive (RENEWED) (for component parts of this assembly refer to "HYDROSTATIC DRIVE MOTOR" in section "F" of this parts catalog)

1шт.

20

595401R91

VALVE, oil filter shut-off (for component parts of this assembly refer to "OIL FILTER SHUT OFF VALVE" in section "F" of this parts catalog)

2шт.

21

368269R1

O-RING,0.116" Thk x 0.924" ID, -912, Cl 6, 90 Duro

filter valve & cooler tube

3шт.

22

156571C91

FILTER CARTRIDGE

FILTER, hyd oil (for component parts of this assembly refer to "HYDRAULIC OIL FILTER" in section "F" of this parts catalog)

1шт.

180122

BOLT,Hex, 3/8" - 16 x 1", Gr 5

3/8 x 1"

2шт.

120382

LOCK WASHER,Helical Spring, 3/8"

WASHER, LOCK, 3/8"

2шт.

23

595400R1

ANGLE, oil filter mounting

1шт.

180175

BOLT,Hex, 1/2" - 13 x 1 1/4", Gr 5

1/2 x 1-1/4"

2шт.

120378

NUT,Hex, 1/2" - 13, Gr 5

NUT, 1/2"-13, G5

2шт.

120384

WASHER,1/2"

LOCK, 1/2"

2шт.

24

595399R1

HOSE, reservoir to oil filter

1шт.

25

595410R11

TUBE, drive pump to oil cooler

1шт.

26

188775R1

CLAMP, reservoir to oil filter hose

1шт.

180121

BOLT,Hex, 3/8" - 16 x 7/8", Gr 5

3/8 x 7/8"

1шт.

120377

NUT,3/8" - 16, Gr 5

1шт.

120382

LOCK WASHER,Helical Spring, 3/8"

WASHER, LOCK, 3/8"

1шт.

27

595385R11

TEE, oil reservoir for suction hose & filter hose two-way

1шт.

9410064

WASHER

LK-NUT, 1" adjusting

1шт.

296247R1

O-RING,16-1, 90 Duro, 1.171" ID x .116" Thk

reservoir tee

1шт.

28

296247R1

O-RING,16-1, 90 Duro, 1.171" ID x .116" Thk

reservoir tee

1шт.

29

9410979

ELBOW,90 Degree, 1 1/16"-12, 37 Degree x 1 1/16"-12, O-Ring

3/4" - 90 degree oil reservoir

1шт.

368269R1

O-RING,0.116" Thk x 0.924" ID, -912, Cl 6, 90 Duro

cooler tube elbow

1шт.

30

595419R11

TUBE, oil cooler to oil reservoir 0.75" OD, 17.88, 13.5" Length

1шт.

Выбрано товаров: 57