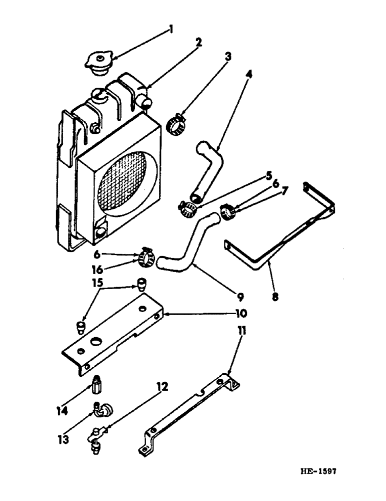
Запчасти Case IH 275 (A-12) - CHASSIS, RADIATOR AND SHEET METAL, RADIATOR AND CONNECTIONS Chassis, Radiator & Sheet Metal

Схема запчастей Case IH 275 - (A-12) - CHASSIS, RADIATOR AND SHEET METAL, RADIATOR AND CONNECTIONS Chassis, Radiator & Sheet Metal
FIT
1:1
100%

Артикул

Название

Примечание

Количество

1

80889R91

COVER

CAP, radiator filler (optional to use 1 - 118029R91 or 1 - 73047R91, CAP)

1шт.

1

118029R91

RADIATOR CAP

CAP, radiator filler (optional to use 1 - 80889R91 or 1 - 73047R91, CAP)

1шт.

1

73047R91

CAP

radiator filler (optional to use 1 - 80889R91 or 1 - 118029R91, CAP)

1шт.

2

599632R91

RADIATOR, engine cooling (for use on 275 Windrowers, built prior to machine serial No. 4000) (for use on 375 Windrower, built prior to machine serial No. 2000)

1шт.

181672

BOLT,Hex, 7/16" - 20 x 1 3/4", Gr 5

7/16 x 1-3/4"

2шт.

893862R1

WASHER

15/32 x 1-1/4 x 11 ga

4шт.

120383

LOCK WASHER,Helical Spring, 7/16"

WASHER, LOCK, 7/16"

2шт.

2

827024C1

RADIATOR, engine cooling (for use on 275 Windrower, built w/machine serial No. 4000 & since) (for use on 375 Windrower, built w/machine serial No. 2000 & since)

1шт.

180153

BOLT,Hex, 7/16" - 14 x 2", Gr 5

7/16 x 2"

2шт.

893862R1

WASHER

15/32 x 1-1/4 x 11 ga

2шт.

NLS

NO LONGER SERVICED

NUT, 7/16"

2шт.

120383

LOCK WASHER,Helical Spring, 7/16"

WASHER, LOCK, 7/16"

2шт.

3

279026R91

HOSE CLAMP,#36, 1.81/2.75 Type F Worm

CLAMP, radiator inlet hose at radiator (for use on 275 Windrower, built prior to machine serial No. 4000) (for use on 375 Windrower, built prior to machine serial No. 2000)

1шт.

3

279027R91

CLAMP,#28, 1.31/2.25 Type F Worm

radiator inlet hose at radiator (for use on 275 Windrower, built w/machine serial No. 4000 & since) (for use on 375 Windrower built w/machine serial No. 2000 & since)

1шт.

4

595523R1

RADIATOR HOSE,2.12" ID, 2.50" ID x 7.25", SAE 20R4 ClassR Grade1

2.21" ID, 2.50" ID x 7.25", SAE 20R4 Class R Grade 1, Inlet upper (for use on 275 Windrower built prior to machine serial No. 4000) (for use on 375 Windrower, built prior to machine serial No. 201)

1шт.

4

598130R2

HOSE, radiator inlet upper (for use on 375 Windrower, built w/machine serial No. 201 prior to machine serial No. 2000)

1шт.

4

826949C1

RADIATOR HOSE,1.50" ID x 10.30", SAE 20R4 CLASS SC OR SAE 20R4 CLASS R

Upper, Inlet (For Use on 275 Windrower, Built w/Machine Serial No. 4000 & Since) (For Use on 375 Windrower, Built w/Machine Serial No. 2000 & Since) 1.50" ID x 10.30", SAE 20R4 CLASS SC OR SAE 20R4 CLASS R

1шт.

5

39240H

CLAMP

radiator inlet hose at outlet elbow (for use on 275 Windrower, built prior to machine serial No. 4000) (for use on 375 Windrower, built prior to machine serial No. 2000)

1шт.

5

279027R91

CLAMP,#28, 1.31/2.25 Type F Worm

radiator inlet hose at outlet elbow (for use on 275 Windrower, built w/machine serial No. 4000 & since) (for use on 375 Windrower, built w/machine serial No. 2000 & since)

1шт.

6

279024R91

HOSE CLAMP,#24, 1.06/2.00 Type F Worm

CLAMP, lower radiator hose (for use on 275 Windrower, built prior to machine serial No. 4000) (for use on 375 Windrower, built prior to machine serial No. 201)

2шт.

7

279026R91

HOSE CLAMP,#36, 1.81/2.75 Type F Worm

CLAMP, lower radiator hose rear (for use on 275 Windrower built w/machine serial No. 4000 & since) (for use on 375 Windrower, built w/machine serial No. 201 & since)

1шт.

8

595522R1

BRACE, radiator (for use on 275 Windrower, built prior to machine serial No. 4000) (for use on 375 Windrower, built prior to machine serial No. 201)

1шт.

113-206

BOLT,Hex, 3/8" - 16 x 3/4", Gr 5, Full Thd

3/8 x 3/4"

2шт.

120382

LOCK WASHER,Helical Spring, 3/8"

WASHER, LOCK, 3/8"

2шт.

8

598129R1

BRACE, radiator (for use on 375 Windrower, built w/machine serial No. 201 to machine serial No. 2000)

1шт.

113-206

BOLT,Hex, 3/8" - 16 x 3/4", Gr 5, Full Thd

3/8 x 3/4"

2шт.

180145

BOLT,Hex, 7/16" - 14 x 1", Gr 5

7/16 x 1"

1шт.

120382

LOCK WASHER,Helical Spring, 3/8"

WASHER, LOCK, 3/8"

2шт.

120383

LOCK WASHER,Helical Spring, 7/16"

WASHER, LOCK, 7/16"

1шт.

9

595524R1

RADIATOR HOSE,1.38" ID, 1.50" ID x 7.80", SAE 20R4 Class SC & SAE 20R4 Class R Grade 1A

Outlet lower (for use on 275 Windrower built prior to machine serial No. 4000) (for use on 375 Windrower, built prior to machine serial No. 201) 1.38" ID, 1.50" ID x 7.80", SAE 20R4 Class SC & SAE 20R4 Class R Grade 1A

1шт.

9

598131R1

HOSE

radiator outlet lower (for use on 375 Windrower, built w/machine serial No. 201 to machine serial No. 2000)

1шт.

9

826950C1

HOSE

radiator outler lower (for use on 275 Windrower, built w/machine serial No. 4000 & since) (for use on 375 Windrower, built w/machine serial No. 2000 & since)

1шт.

10

827026C1

SUPPORT, radiator mounting (for use on 275 Windrower w/machine serial No. 4000 & since) (for use on 375 Windrower w/machine serial No. 2000 & since)

1шт.

180173

BOLT,Hex, 1/2" - 13 x 1", Gr 5

2шт.

120378

NUT,Hex, 1/2" - 13, Gr 5

NUT, 1/2"-13, G5

2шт.

120384

WASHER,1/2"

LOCK, 1/2"

2шт.

11

595520R1

SUPPORT, radiator mounting (for use on 275 Windrower built prior to machine serial No. 4000) (for use on 375 Windrower built prior to machine serial No. 201)

1шт.

180175

BOLT,Hex, 1/2" - 13 x 1 1/4", Gr 5

1/2 x 1-1/4"

2шт.

120378

NUT,Hex, 1/2" - 13, Gr 5

NUT, 1/2"-13, G5

2шт.

120384

WASHER,1/2"

LOCK, 1/2"

2шт.

11

596498R1

SUPPORT, radiator mounting (for use on 375 Windrower built w/machine serial No. 201 to machine serial No. 2000)

1шт.

180177

BOLT,Hex, 1/2" - 13 x 1 1/2", Gr 5

1/2 x 1-1/2"

2шт.

283856C1

WASHER

17/32 x 1 x 3/16" plain

2шт.

120378

NUT,Hex, 1/2" - 13, Gr 5

NUT, 1/2"-13, G5

2шт.

120384

WASHER,1/2"

LOCK, 1/2"

2шт.

12

614201R1

VALVE

radiator drain

1шт.

13

105423

ELBOW,90 Degree, 1/4" NPT Street

1/4 - 90 degree drain valve street (375 Windrower w/machine serial No. 201 to machine serial No. 4000)

1шт.

14

614200R1

ADAPTER

radiator drain valve

1шт.

15

271928R1

GROMMET

MOUNT, radiator rubber

2шт.

21226R1

WASHER

1.281 x 2.000 x .105 rubber mount spacer (for use on 275 Windrower, built w/machine serial No. 4000 & since) (for use on 375 Windrower, built w/machine serial No. 2000 & since)

1шт.

16

279024R91

HOSE CLAMP,#24, 1.06/2.00 Type F Worm

CLAMP, lower radiator hose front (for use on 375 Windrower, built w/machine serial No. 201 to machine serial No. 2000)

1шт.

16

279038R91

HOSE CLAMP,#32, 1.56/2.50 Type F Worm

CLAMP, lower radiator hose front (for use on 275 Windrower, built w/machine serial No. 4000 & since) (for use on 375 Windrower built w/machine serial No. 2000 & since)

1шт.

Выбрано товаров: 52