Запчасти Case IH 275 (A-15) - CHASSIS, RADIATOR AND SHEET METAL, ENGINE EXHAUST AND MUFFLER Chassis, Radiator & Sheet Metal

Схема запчастей Case IH 275 - (A-15) - CHASSIS, RADIATOR AND SHEET METAL, ENGINE EXHAUST AND MUFFLER Chassis, Radiator & Sheet Metal
FIT
1:1
100%

Артикул

Название

Примечание

Количество

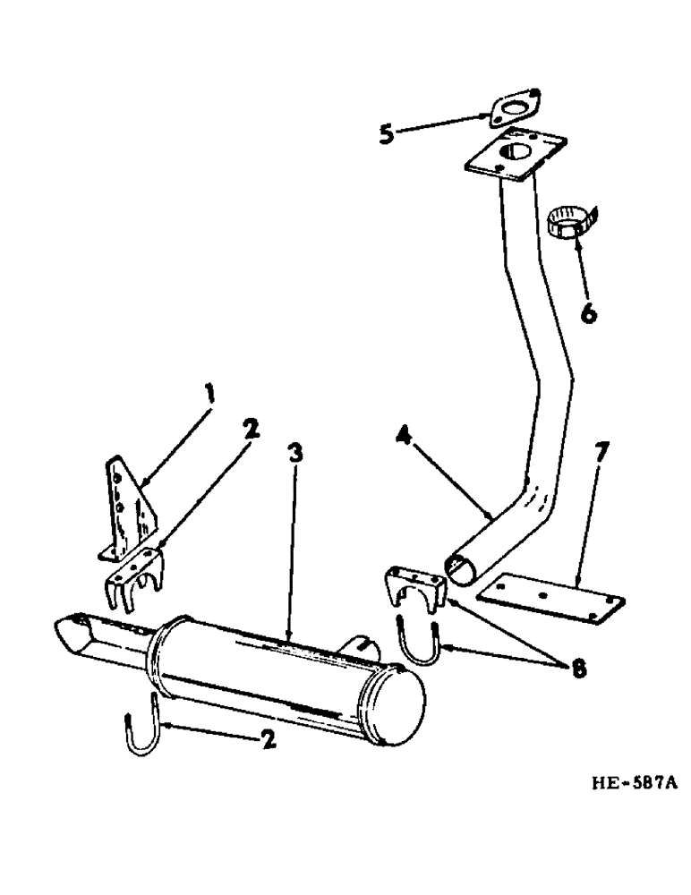
1

597833R2

SUPPORT, muffler clamp

1шт.

180121

BOLT,Hex, 3/8" - 16 x 7/8", Gr 5

3/8 x 7/8"

2шт.

120377

NUT,3/8" - 16, Gr 5

2шт.

120382

LOCK WASHER,Helical Spring, 3/8"

WASHER, LOCK, 3/8"

2шт.

2

170571R91

CLAMP

exhaust muffler (includes 2 - 120214, LOCKWASHER & 2 - 120368, NUT)

1шт.

120368

NUT,5/16"-24, G5

2шт.

80681

LOCK WASHER,5/16"

WASHER, LOCK, 5/16"

2шт.

3

597831R2

MUFFLER

engine exhaust

1шт.

4

597828R2

PIPE, engine exhaust

1шт.

619856R1

WASHER

13/32 x 1 x 16 ga

2шт.

280136

NUT,3/8"-16, G8

Exhaust flange stud 3/8"-16, G8

2шт.

120382

LOCK WASHER,Helical Spring, 3/8"

WASHER, LOCK, 3/8"

2шт.

5

598638R1

GASKET, exhaust pipe flange (opt to use 1 - 3057485R1, GASKET)

1шт.

5

3057485R1

SEAL

exhaust pipe flange (opt ot use 1 - 598638R1, GASKET)

1шт.

6

279038R91

HOSE CLAMP,#32, 1.56/2.50 Type F Worm

CLAMP, exhaust pipe heat shield

2шт.

7

597832R1

BAR, exhaust pipe clamp support

1шт.

180121

BOLT,Hex, 3/8" - 16 x 7/8", Gr 5

3/8 x 7/8"

2шт.

120377

NUT,3/8" - 16, Gr 5

2шт.

120382

LOCK WASHER,Helical Spring, 3/8"

WASHER, LOCK, 3/8"

2шт.

8

170572R91

CLAMP

exhaust pipe (includes 2 - 120214, LOCKWASHER & 2 - 120368, NUT)

1шт.

120368

NUT,5/16"-24, G5

2шт.

80681

LOCK WASHER,5/16"

WASHER, LOCK, 5/16"

2шт.

Выбрано товаров: 22