Запчасти Case IH 375 (F-02) - HYDRAULIC SYSTEM, RESERVOIR TO PUMP AND VALVE HYDRAULIC LINES (07) - HYDRAULIC SYSTEM

Схема запчастей Case IH 375 - (F-02) - HYDRAULIC SYSTEM, RESERVOIR TO PUMP AND VALVE HYDRAULIC LINES (07) - HYDRAULIC SYSTEM
FIT
1:1
100%

Артикул

Название

Примечание

Количество

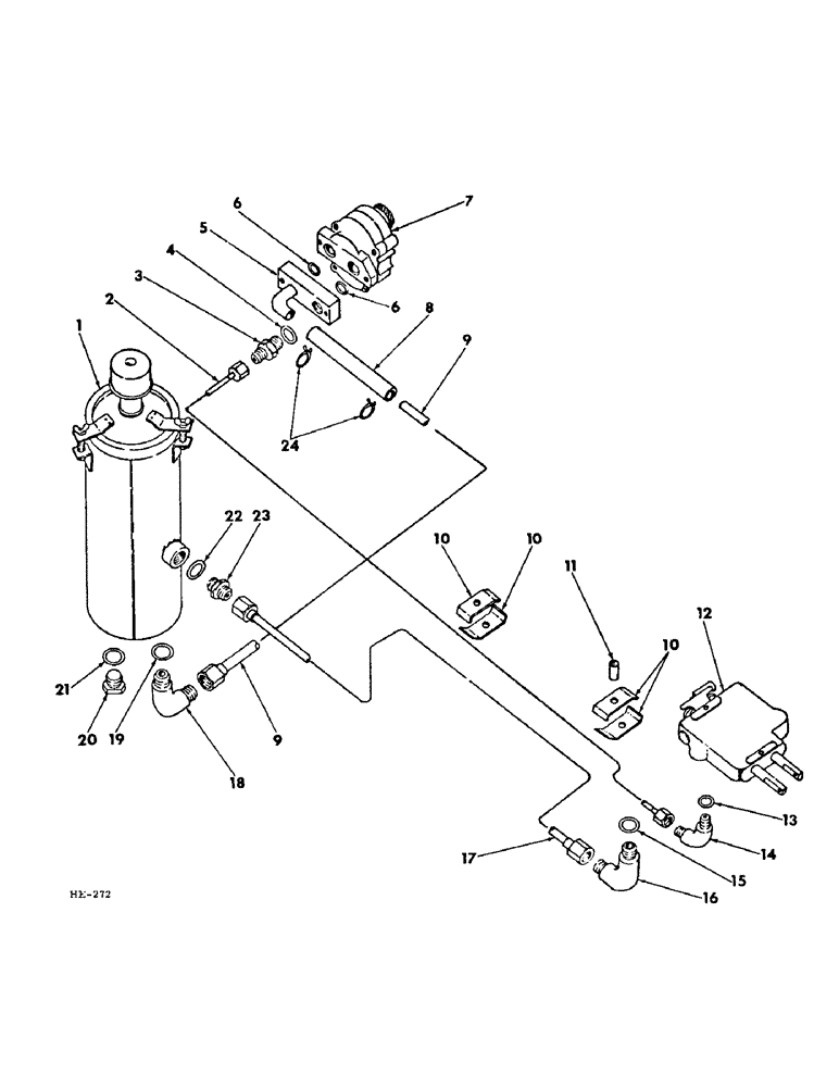
1

595379R91

RESERVOIR, hyd oil (for component parts of this assembly refer to "HYDRAULIC OIL RESERVOIR AND MOUNTING" in section "F" of this parts catalog)

1шт.

2

595390R11

TUBE, high pressure hyd

1шт.

3

587639R1

HYD CONNECTOR,9/16"-18, 37 Degree x 3/4"-18, O-Ring

CONNECTOR, hyd pump pressure tube

1шт.

570828R1

O-RING,0.087" Thk x 0.644" ID, -908, Cl 6, 90 Duro

pressure tube connector

1шт.

4

570828R1

O-RING,0.087" Thk x 0.644" ID, -908, Cl 6, 90 Duro

pressure tube connector

1шт.

5

595387R91

MANIFOLD, hyd pump upper section

1шт.

180132

BOLT,Hex, 3/8" - 16 x 2 1/4", Gr 5

3/8 x 2-1/4"

2шт.

120377

NUT,3/8" - 16, Gr 5

2шт.

120382

LOCK WASHER,Helical Spring, 3/8"

WASHER, LOCK, 3/8"

2шт.

6

283401R1

O-RING

hyd pump outer (for use w/377033R94, PUMP)

2шт.

6

355965R1

O-RING,0.139" Thk x 0.921" ID, -213, Cl 5, 75 Duro

hyd pump outer (for use w/397130R91, PUMP)

2шт.

7

377033R94

PUMP, HYDRAULIC

1шт.

PUMP, 4-1/2 g.p.m. hyd (opt to use 1 - 397130R91, PUMP) (for component parts of this assembly refer to "HYDRAULIC PUMP" in section "F" of this parts catalog) (for attaching parts refer to "HYDRAULIC PUMP MOUNTING AND DRIVE" in section "F" of this parts catalog)

1шт.

7

1949254C1

REMAN-HYD PUMP

Remanufactured HYDRAULIC PUMP - for N.A. Only

1шт.

7

1949255C1

CORE-HYDRAULIC PUMP

Return No, HYDRAULIC PUMP - for N.A. Only

1шт.

180132

BOLT,Hex, 3/8" - 16 x 2 1/4", Gr 5

3/8 x 2-1/4"

2шт.

120382

LOCK WASHER,Helical Spring, 3/8"

WASHER, LOCK, 3/8"

2шт.

7

397130R91

PUMP

1шт.

PUMP, 4-1/2 g.p.m. hyd (opt to use 1 - 377033R94, PUMP) (for component parts of this assembly refer to "HYDRAULIC PUMP" in section "F" of this parts catalog) (for attaching parts refer to "HYDRAULIC PUMP MOUNTING AND DRIVE" in section "F" of this parts catalog)

1шт.

180132

BOLT,Hex, 3/8" - 16 x 2 1/4", Gr 5

3/8 x 2-1/4"

2шт.

120382

LOCK WASHER,Helical Spring, 3/8"

WASHER, LOCK, 3/8"

2шт.

8

614327R1

HOSE, reservoir to pump suction

1шт.

9

595389R11

TUBE, reservoir to pump lower suction

1шт.

10

614323R1

CLAMP

pressure & return tube

4шт.

181582

BOLT

1/4 x 2-3/4"

2шт.

87716

BOLT,1/4"-20 x 1-1/4", Cl 5

2шт.

7770

NUT,Hex, 1/4 - 20, Cl 5

1/4"-20, G5

4шт.

11

65881H

SPACER,1/4" Pipe x 1 1/4"

front tube clamp

1шт.

12

VALVE, hyd control (for component parts of this assembly refer to "HYDRAULIC CONTROL VALVE" in section "F" of this parts catalog)

1шт.

413-536

BOLT,Hex, 5/16" - 18 x 2-1/4", Gr 5

5/16 x 2-1/4"

2шт.

120376

NUT,5/16"-18, G5

2шт.

80681

LOCK WASHER,5/16"

WASHER, LOCK, 5/16"

1шт.

13

364839R1

O-RING,0.078" Thk x 0.468" ID, -906, Cl 6, 90 Duro

6-1, 90 Duro, .468" ID x .078" Thk, high pressure tube elbow

1шт.

14

9410976

ELBOW,90 Degree, 9/16"-18, 37 Degree x 9/16"-18, O-Ring

3/8 - 90 degree valve pressure tube

1шт.

364839R1

O-RING,0.078" Thk x 0.468" ID, -906, Cl 6, 90 Duro

6-1, 90 Duro, .468" ID x .078" Thk, pressure tube elbow

1шт.

15

364885R1

O-RING,0.097" Thk x 0.755" ID, -910, Cl 6, 90 Duro

return tube elbow

1шт.

16

9410978

ELBOW,90 Degree, 7/8"-14, 37 Degree x 7/8"-14, O-Ring

5/8" - 90 degree valve return tube

1шт.

364885R1

O-RING,0.097" Thk x 0.755" ID, -910, Cl 6, 90 Duro

return tube elbow

1шт.

17

595391R11

TUBE, oil reservoir return

1шт.

18

9410979

ELBOW,90 Degree, 1 1/16"-12, 37 Degree x 1 1/16"-12, O-Ring

3/4" - 90 degree pump suction tube

1шт.

368269R1

O-RING,0.116" Thk x 0.924" ID, -912, Cl 6, 90 Duro

suction tube elbow

1шт.

19

368269R1

O-RING,0.116" Thk x 0.924" ID, -912, Cl 6, 90 Duro

suction tube elbow

1шт.

20

9410358

PLUG

3/8" oil reservoir drain

1шт.

364839R1

O-RING,0.078" Thk x 0.468" ID, -906, Cl 6, 90 Duro

6-1, 90 Duro, .468" ID x .078" Thk, drain plug

1шт.

21

364839R1

O-RING,0.078" Thk x 0.468" ID, -906, Cl 6, 90 Duro

6-1, 90 Duro, .468" ID x .078" Thk, oil reservoir drain plug

1шт.

22

364885R1

O-RING,0.097" Thk x 0.755" ID, -910, Cl 6, 90 Duro

oil reservoir connector

1шт.

23

597882R1

ELBOW

CONNECTOR, 5/8" return tube

1шт.

364885R1

O-RING,0.097" Thk x 0.755" ID, -910, Cl 6, 90 Duro

tube connector

1шт.

24

628091R1

FASTENER, suction hose

2шт.

Выбрано товаров: 49