Запчасти Case IH 375 (F-55) - HYDRAULIC SYSTEM, DRIVE PUMP CONTROL VALVE (07) - HYDRAULIC SYSTEM

Схема запчастей Case IH 375 - (F-55) - HYDRAULIC SYSTEM, DRIVE PUMP CONTROL VALVE (07) - HYDRAULIC SYSTEM
FIT
1:1
100%

Артикул

Название

Примечание

Количество

533855R91

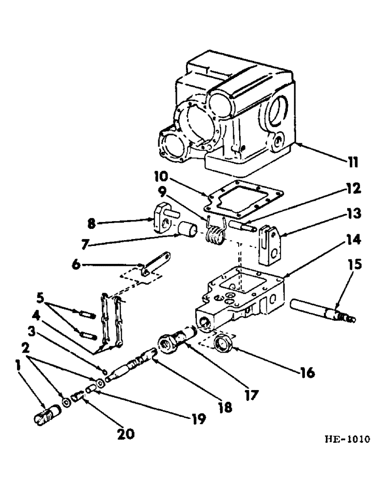
VALVE, drive pump control (composed of all parts listed below, unless otherwise noted) (Valve is a component part of 67791C91, PUMP & 67805C91, PUMP) (PUMPS are illustrated & listed in section "F" of this parts catalog)

1шт.

413-436

BOLT,Hex, 1/4" - 20 x 2-1/4", Gr 5

SCREW, 1/4 x 2-1/4" cap

9шт.

Not part of pump valve assembly.

1шт.

385180R1

WASHER

9/32 x 1/2 x .065"

9шт.

Not part of pump valve assembly.

1шт.

1

394224R1

SCREW,Sl, 3/4" - 16 x 1.56"

centering spg adjusting

1шт.

219758

JAM NUT,Jam, 3/4"-10, G5

3/4" - NF hex jam

1шт.

364840R1

O-RING,0.07" Thk x 0.801" ID, -19, Cl 5, 75 Duro

13/16 x 15/16 x 1/16"

1шт.

2

394225R1

WASHER

centering spg

2шт.

3

21346R1

SNAP RING,#25, Ext, E-Type

Ring, Retaining, , spg adjusting screw #25, Ext, E-Type

1шт.

4

394233R1

LINK, control valve

2шт.

394235R1

PIN

valve link pivot

2шт.

21346R1

SNAP RING,#25, Ext, E-Type

Ring, Retaining, , pivot pin #25, Ext, E-Type

4шт.

5

394235R1

PIN

control valve link pivot

2шт.

21346R1

SNAP RING,#25, Ext, E-Type

Ring, Retaining, , pivot pin #25, Ext, E-Type

4шт.

6

406904R1

ELEC CONNECTOR

CONNECTOR, control valve link

1шт.

7

394230R1

SLEEVE

valve handle shaft return spg

1шт.

8

394232R1

ARM

ACTUATOR, shaft return spg

1шт.

18518R1

LOCK PIN,1/8" x 1", Slotted

PIN, 1/8" x 1", Slotted

1шт.

9

394231R1

SPRING

valve handle shaft return

1шт.

10

394237R2

GASKET

control valve housing (a component part of 67791C91 & 67805C91, PUMP)

1шт.

Not part of pump valve assembly.

1шт.

11

HOUSING, drive pump (for component parts of this assembly refer to "HYDROSTATIC DRIVE PUMP" in section "F" of this parts catalog)

1шт.

Not part of pump valve assembly.

1шт.

12

406905R1

PIN

valve handle shaft link

1шт.

235529R1

SNAP RING,#50, Ext, Crescent

Ring, Snap, , handle shaft #50, Ext, Crescent

1шт.

21346R1

SNAP RING,#25, Ext, E-Type

Ring, Retaining, , shaft link #25, Ext, E-Type

1шт.

Not part of pump valve assembly.

1шт.

13

406903R1

LINK

valve handle shaft

1шт.

14

HOUSING, drive pump control valve (NSS) (for service order 1 - 533856R1, KIT)

1шт.

413-436

BOLT,Hex, 1/4" - 20 x 2-1/4", Gr 5

SCREW, 1/4 x 2-1/4" cap

9шт.

Not part of pump valve assembly.

1шт.

385180R1

WASHER

9/32 x 1/2 x .065

9шт.

Not part of pump valve assembly.

1шт.

15

394228R1

SHAFT

control valve handle

1шт.

379365R1

O-RING,0.07" Thk x 0.364" ID, -12, Cl 6, 90 Duro

3/8 x 1/2 x 1/16"

1шт.

16

394223R1

LOCK NUT

centering spg housing lk

1шт.

17

394222R1

HOUSING

centering spg

1шт.

382997R1

O-RING,0.07" Thk x 0.489" ID, -14, Cl 6, 90 Duro

1/2 x 5/8 x 1/16"

1шт.

400546R1

COVER

spg housing

1шт.

18

SPOOL, control valve (NSS) (for service order 1 - 533856R1, KIT)

1шт.

19

394227R1

SLEEVE

centering spg

1шт.

20

394226R1

SPRING

centering

1шт.

404711R1

BUSHING

control shaft (for use on 375 Windrower built w/machine serial No. 451 & since)

1шт.

23178R1

O-RING,0.07" Thk x 1.051" ID, -23, Cl 5, 75 Duro

-023, 70 Duro, 1.051" ID x .070" Thk, For use on 375 Windrower built w/machine S/N 451 & since)

1шт.

533856R1

VALVE

KIT, valve housing & spool

1шт.

Выбрано товаров: 46