Запчасти Case IH 4000 (2-30) - CRANKCASE, C-232 AND C-285 GAS ENGINE (02) - ENGINE

Схема запчастей Case IH 4000 - (2-30) - CRANKCASE, C-232 AND C-285 GAS ENGINE (02) - ENGINE
FIT
1:1
100%

Артикул

Название

Примечание

Количество

827483C91

ENGINE ASSEMBLY

BLOCK ASSEMBLY - short (C-232 engine prior to P.I.N. 4595)

1шт.

824769C91

BLOCK ASSEMBLY - short (C-258 engine P.I.N. 4595 through 6004)

1шт.

827172C92

ENGINE ASSEMBLY

BLOCK ASSEMBLY - short (C-258 engine P.I.N. 6005 through 8264)

1шт.

1347628C1

SKELETON ENGINE

BLOCK ASSEMBLY - short (C-258 engine P.I.N. 9001 through 9460)

1шт.

A189380

SKELETON ENGINE

BLOCK ASSEMBLY - short (C-258 engine P.I.N. 9645 through 10008)(C-258 engine P.I.N. 372001 and after)

1шт.

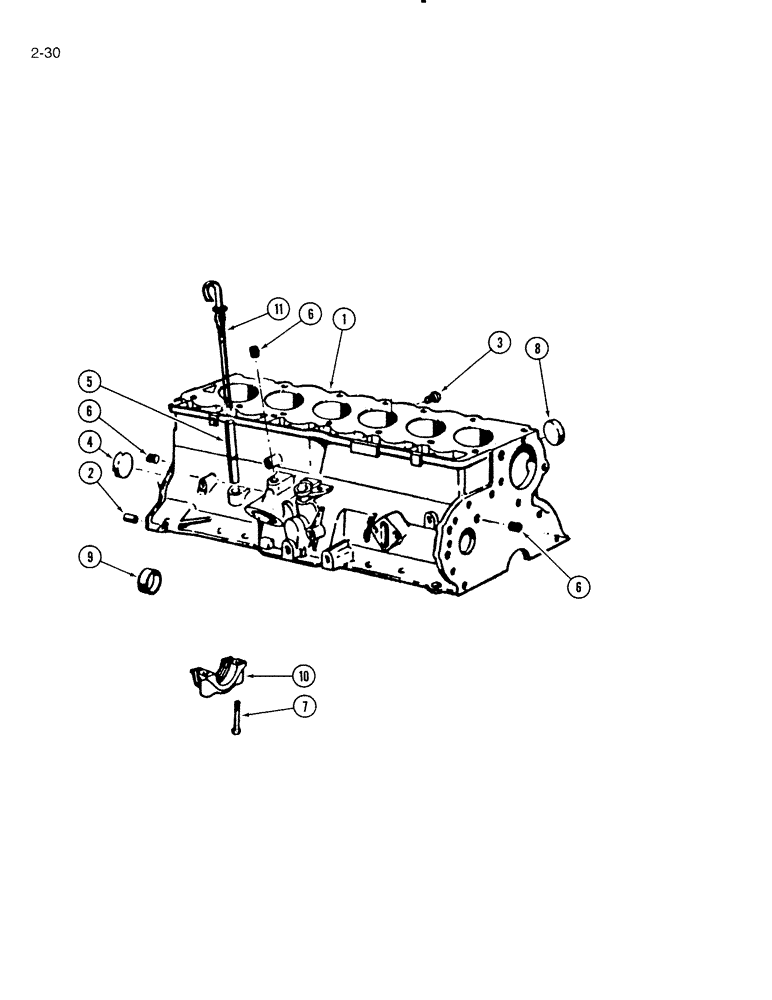
1

827477C91

CRANKCASE ASSEMBLY - engine (C-232 engine prior to P.I.N. 4595) (Includes Ref. No. 2 through 10)

1шт.

1

824500C91

CRANKCASE ASSEMBLY - engine (C-258 engine P.I.N. 4595 through 6004)(Includes Ref. No. 2 through 10)

1шт.

1

827014C92

CRANKCASE

ASSEMBLY - engine (C-258 engine P.I.N. 6005 through 8264)(Includes Ref. No. 2 through 10)

1шт.

1

NSS

NOT SOLD SEPARAT

CRANKCASE ASSEMBLY - engine (C-258 engine P.I.N. 9001 through 10008)(C-258 engine P.I.N. 372001 and after)(Order short block assembly)

1шт.

2

827376C1

PIN

DOWEL - rear PTO support

1шт.

3

221-843

PLUG,Hex Soc, 3/8"-18

- level, square head, 3/8 inch PT

2шт.

4

387027C1

PLUG

- camshaft rear bearing

1шт.

5

387023C1

TUBE,.375" OD, 6" Length

- dipstick

1шт.

6

444783

DRAIN PLUG,Sq Soc, 3/8"-18 NPTF

PLUG - square socket pipe, 3/8 inch PT

3шт.

7

387014C1

BOLT - main bearing cap, 1/2 NC x 3-3/16 inch (C-232 engine prior to P.I.N. 4595)

14шт.

7

387014C1

BOLT - main bearing cap, 1/2 NC x 3-3/16 inch (C-258 engine P.I.N. 4595 through 6004)

14шт.

7

827015C1

BOLT,Hex, 7/16" - 14 x 2.75", Cl 12.9

- main bearing cap, 7/16 NC x 2-3/4 inch (C-258 engine P.I.N. 6005 through 6950)

14шт.

7

275635R1

BOLT,Hex, 1/2" - 13 x 3", Gr 8

- main bearing cap, 1/2 NC x 3 inch (C-258 engine P.I.N. 6951 through 10008)(C-258 engine P.I.N. 372001 and after)

14шт.

8

387012C1

PLUG

- cup, 2 inch

4шт.

8

23624R1

PLUG

- cup, 1 inch (C-258 engine P.I.N. 6005 through 10008) (C -258 engine P.I.N. 372001 and after)

2шт.

9

387010C91

BEARING

SET - camshaft, standard

1шт.

9

387011C91

BEARING SET - camshaft, 0.010 inch oversize

1шт.

10

NSS

NOT SOLD SEPARAT

CAP - main bearing (Order crankcase assembly)

7шт.

11

824489C1

INDICATOR

DIPSTICK - oil level

1шт.

Выбрано товаров: 24