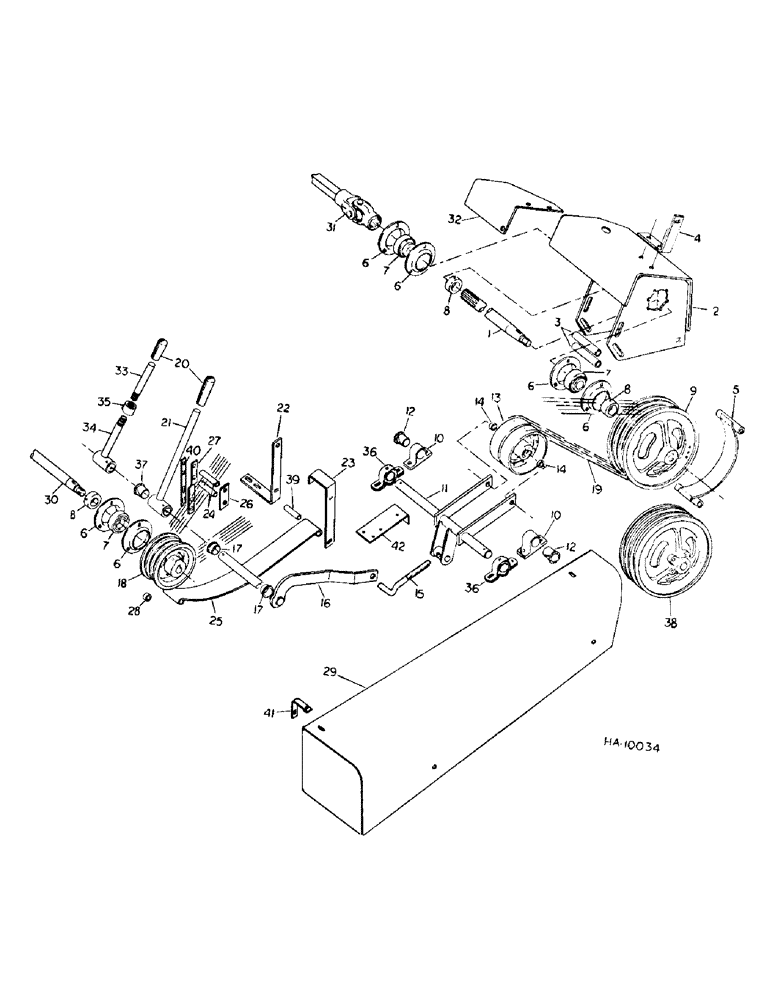
Запчасти Case IH 4000 (07-05) - DRIVE TRAIN, HEADER DRIVE RIGHT HAND (04) - Drive Train

Схема запчастей Case IH 4000 - (07-05) - DRIVE TRAIN, HEADER DRIVE RIGHT HAND (04) - Drive Train
FIT
1:1
100%

Артикул

Название

Примечание

Количество

1

827622C92

SHAFT

ASSY, header driven, Consists of

1шт.

NSS

NOT SOLD SEPARAT

SHAFT

1шт.

427640

SLOTTED NUT,3/4"-16, G5

NUT, 3/4-16 hex sltd

1шт.

467750R1

WASHER

.781 x 1.5000 x .105

1шт.

103396

PIN, SPLIT (COTTER),5/32" x 1"

5/32" x 1"

1шт.

2

829512C3

SUPPORT

ASSY, header pulley

1шт.

180175

BOLT,Hex, 1/2" - 13 x 1 1/4", Gr 5

1/2-13 x 1-1/4 hex hd

1шт.

445608

BOLT,Hex, 1/2" - 13 x 5 1/2", Gr 5

1/2-13 x 5-1/2 hex hd

1шт.

433156

BOLT,Hex, 1/2" - 13 x 4 1/2", Gr 5

1/2-13 x 4-1/2 hex hd

1шт.

27466R1

BOLT,Short NK, 1/2"-13 x 6 1/2", G5

1/2-13 x 6-1/2 carriage

2шт.

120378

NUT,Hex, 1/2" - 13, Gr 5

NUT, 1/2"-13, G5

4шт.

120384

WASHER,1/2"

LOCK, 1/2"

4шт.

20601R1

WASHER

.531 x 1.250 x .105 (Or as required)

6шт.

3

631803R1

TUBE

SPACER, pipe

2шт.

4

829518C1

ANGLE

belt guide spacer support

1шт.

180122

BOLT,Hex, 3/8" - 16 x 1", Gr 5

3/8-16 x 1 hex hd

2шт.

120377

NUT,3/8" - 16, Gr 5

2шт.

120382

LOCK WASHER,Helical Spring, 3/8"

WASHER, LOCK, 3/8"

2шт.

5

830064C1

GUIDE ASSY, header drive belt with 1-3/4 in width guide, For use on 4000 Windrower prior to serial no. 3250, For use on 5000 Windrower prior to serial no. 1350, For use on 5500 Windrowers

1шт.

5

832379C1

GUIDE

ASSY, header drive belt with 2 in width guide, For use on 4000 Windrower serial no. 3250 and since, For use on 5000 Windrower serial no. 1350 and since

1шт.

433156

BOLT,Hex, 1/2" - 13 x 4 1/2", Gr 5

1/2-13 x 4-1/2 hex hd

1шт.

180194

BOLT,Hex, 1/2" - 13 x 4", Gr 5

1/2-13 x 4 hex-hd

1шт.

120378

NUT,Hex, 1/2" - 13, Gr 5

NUT, 1/2"-13, G5

1шт.

120384

WASHER,1/2"

LOCK, 1/2"

1шт.

20601R1

WASHER

.531 x 1.250 x .105 (Or as required)

2шт.

6

825620C1

RETAINER

FLANGETTE, bearing

6шт.

550796R1

CARRIAGE BOLT,3/8" - 16 x 1 1/4", Grade 5

BOLT, 3/8-16 x 1 crg

12шт.

120377

NUT,3/8" - 16, Gr 5

12шт.

120382

LOCK WASHER,Helical Spring, 3/8"

WASHER, LOCK, 3/8"

12шт.

142619H

WASHER

.406 x .750 x .105

12шт.

7

485259R91

BEARING ASSY,1.2505" ID x 72 mm OD x 1.4844"

shaft

3шт.

8

455104R11

COLLAR

ASSY, bearing locking, Includes 1-102592 screw

3шт.

102592

SET SCREW,Hex Skt, 3/8" - 16 x 3/8"

SCREW, 3/8-16 x 3/8 cup pt set

3шт.

9

829204C1

PULLEY

header driven, For use on 4000 Windrower prior to serial no. 3250, For use on 5000 Windrower prior to serial no. 1350, For use on 5500 Windrowers

1шт.

88907

WOODRUFF KEY,#B, 5/16" x 1", HT

5/16 x 1 Woodruff

1шт.

10

829568C1

BEARING

ASSY, tightener pulley rockshaft, For service order 832207C91 bearing, 2-180079 bolt, 2-120376 nut, 2-120214 washer and 2-20893R1 washers

1шт.

180122

BOLT,Hex, 3/8" - 16 x 1", Gr 5

3/8-16 x 1 hex hd

4шт.

120377

NUT,3/8" - 16, Gr 5

4шт.

120382

LOCK WASHER,Helical Spring, 3/8"

WASHER, LOCK, 3/8"

4шт.

20803R1

WASHER

.406 x 1.000 x .105

4шт.

11

829536C1

ROCKSHAFT

ASSY, tightener pulley w/short shaft leg 4 in length, For use on 4000 Windrower prior to serial no. 3250, For use on 5000 Windrower prior to serial no. 1350, For use on 5500 Windrowers

1шт.

11

832394C1

ROCKSHAFT

ASSY, tightener pulley w/short shaft leg 4-1/4 in length, For use on 4000 Windrower serial no. 3250 and since, For use on 5000 Windrower serial no. 1350 and since

1шт.

614451R1

WASHER

1.031 x 1.750 x .105

2шт.

609836R1

WASHER

1.031 x 1.750 x .054

2шт.

432-1620

COTTER PIN,1/4" x 1 1/4"

Pin, Split (Cotter), 1/4" x 1 1/4"

2шт.

12

277523R1

BUSHING

RH rockshaft support, For use w/829568C1 bearing assy

2шт.

13

828458C91

PULLEY

header drive belt tightener

1шт.

433163

BOLT,Hex, 1/2" - 13 x 5", Gr 5

1/2-13 x 5 hex hd

1шт.

120238

JAM NUT,Jam, 1/2"-13, G5

1/2-13 hex jam

1шт.

120384

WASHER,1/2"

LOCK, 1/2"

1шт.

14

622535R1

SPACER,1/2" X-Strng Pipe x 7/16"

pulley 1/2" X-Strng Pipe x 7/16"

2шт.

15

829540C2

ROD

tightener pulley control

1шт.

280374

NUT,Hex, 5/8" - 11, Gr 5

5/8-11 hex

2шт.

21793R1

WASHER

.656 x 1.250 x .164

2шт.

432-1216

COTTER PIN,3/16" x 1"

Pin, Split (Cotter), 3/16" x 1"

1шт.

16

829547C2

ARM ASSY, tightener pulley control

1шт.

609836R1

WASHER

1.031 x 1.750 x .054

2шт.

17

595252R1

BUSHING

arm

2шт.

18

829205C2

PULLEY

header drive w/centered hub, For use on 4000 Windrower prior to serial no. 3250, For use on 5000 Windrower prior to serial no. 1350, For use on 5500 Windrowers

1шт.

18

832393C1

PULLEY

header drive w/offset hub, For use on 4000 Windrower serial no. 3250 and since, For use on 5000 Windrower serial no. 1350 and since

1шт.

88907

WOODRUFF KEY,#B, 5/16" x 1", HT

5/16 x 1 Woodruff

1шт.

19

829131C1

BELT,119.20" L, 3 Ribs

Header Drive 119.20" L, 3 Ribs

1шт.

20

829541C1

GRIP

handle

1шт.

21

829166C1

LEVER

ASSY, header drive control, For service order 1-830886C1 lever, 1-830888C1 union, 1-831317C1 rod and 2-220086 nuts

1шт.

617939R1

PIN,5/16" x 1 1/2", Coiled

1шт.

22

829567C2

ANGLE

belt guide

1шт.

180122

BOLT,Hex, 3/8" - 16 x 1", Gr 5

3/8-16 x 1 hex hd

2шт.

120377

NUT,3/8" - 16, Gr 5

2шт.

120382

LOCK WASHER,Helical Spring, 3/8"

WASHER, LOCK, 3/8"

2шт.

23

829211C1

SUPPORT

belt guide

1шт.

189305

BOLT,Hex, 3/8" - 16 x 3 1/2", Gr 5

3/8-16 x 3-1/2 hex hd

2шт.

120377

NUT,3/8" - 16, Gr 5

2шт.

120382

LOCK WASHER,Helical Spring, 3/8"

WASHER, LOCK, 3/8"

2шт.

619856R1

WASHER

.406 x 1.000 x .056

2шт.

24

621662R1

SPACER, 2.562 in guide strap inner, For use on 4000 Windrower prior to serial no. 3250, For use on 5000 Windrower prior to serial no. 1350, For use on 5500 Windrowers

2шт.

24

600411R1

SPACER,3/8" Pipe x 2 3/4"

2.750 in guide strap inner, For use on 4000 Windrower serial no. 3250 and since, For use on 5000 Windrower serial no. 1350 and since

2шт.

191163

BOLT,Hex, 3/8" - 16 x 4", Gr 5

3/8-16 x 4 hex-hd

1шт.

120377

NUT,3/8" - 16, Gr 5

2шт.

120382

LOCK WASHER,Helical Spring, 3/8"

WASHER, LOCK, 3/8"

2шт.

619856R1

WASHER

.406 x 1.000 x .056

2шт.

20803R1

WASHER

.406 x 1.000 x .105

1шт.

25

829215C1

STRAP

belt guide

1шт.

191163

BOLT,Hex, 3/8" - 16 x 4", Gr 5

3/8-16 x 4 hex hd

1шт.

9411655

LOCK NUT,3/8"-16, GB

NUT, 3/8-16 prev torque hex

1шт.

26

829212C1

BAR

belt guide

1шт.

27

829523C1

BAR, belt guide spacer, For use on 4000 Windrower prior to serial no. 3250, For use on 5000 Windrower prior to serial no. 1350, For use on 5500 Windrowers

1шт.

180122

BOLT,Hex, 3/8" - 16 x 1", Gr 5

3/8-16 x 1 hex hd

2шт.

9411655

LOCK NUT,3/8"-16, GB

NUT, 3/8-16 hex prev torque

2шт.

619856R1

WASHER

.406 x 1.000 x .056

2шт.

28

22586N

SPACER,3/8" Pipe x 9/16"

rear guide strap, For use on 4000 Windrower prior to serial no. 3250, For use on 5000 Windrower prior to serial no. 1350, For use on 5500 Windrowers

1шт.

189295

BOLT,Hex, 3/8" - 16 x 4 1/2", Gr 5

3/8-16 x 4-1/2 hex hd

1шт.

120377

NUT,3/8" - 16, Gr 5

1шт.

120382

LOCK WASHER,Helical Spring, 3/8"

WASHER, LOCK, 3/8"

1шт.

619856R1

WASHER

.406 x 1.000 x .056

1шт.

28

S5375

SPACER,3/8" Pipe x 3/8"

rear guide strap, For use on 4000 Windrower serial no. 3250 and since, For use on 5000 Windrower serial no. 1350 and since

1шт.

191163

BOLT,Hex, 3/8" - 16 x 4", Gr 5

3/8-16 x 4 hex-hd

1шт.

120377

NUT,3/8" - 16, Gr 5

1шт.

120382

LOCK WASHER,Helical Spring, 3/8"

WASHER, LOCK, 3/8"

1шт.

619856R1

WASHER

.406 x 1.000 x .056

2шт.

29

823787C1

SHIELD

ASSY, header drive, Replaces 829575C2 by also ordering 2 angle 832335C1

1шт.

202107C1

BOLT,Hex Serr Flg, 5/16" - 18 x 3/4"

SCREW, 5/16-18 x 3/4 hex flange lock

5шт.

120376

NUT,5/16"-18, G5

5шт.

80681

LOCK WASHER,5/16"

WASHER, LOCK, 5/16"

5шт.

134238R1

WASHER

.344 x 1.000 x .054

5шт.

30

SHAFT, bevel gear case, For service parts refer to bevel gear case

1шт.

427640

SLOTTED NUT,3/4"-16, G5

NUT, 3/4-16 hex sltd

1шт.

467750R1

WASHER

.781 x 1.500 x .105

1шт.

103396

PIN, SPLIT (COTTER),5/32" x 1"

5/32" x 1"

1шт.

31

JOINT ASSY, universal chassis to header, For service parts refer to universal joint

1шт.

32

830723C2

SHIELD

u-joint RH, For use on machines w/o shield entended on item no. 2 support assy

1шт.

850677C1

SCREW,Hex Wash Hd, 5/16"-18 x 1/2"

5/16 x 1/2 taptite

3шт.

134238R1

WASHER

.344 x 1.000 x .054

3шт.

33

831677C1

ROD, lever upper

1шт.

280954

NUT,3/4"-10, G5

1шт.

34

830886C1

LEVER

ASSY, header drive control

1шт.

280954

NUT,3/4"-10, G5

1шт.

617939R1

PIN,5/16" x 1 1/2", Coiled

1шт.

35

830888C1

UNION

lever coupling

1шт.

36

832207C91

HOUSING ASSY.

BEARING, tightener pulley rockshaft

2шт.

9635884

BOLT,Hex, 5/16" - 18 1", Full Thd, Gr 5

5/16-18 x 1 hex hd

4шт.

120376

NUT,5/16"-18, G5

4шт.

80681

LOCK WASHER,5/16"

WASHER, LOCK, 5/16"

4шт.

20893R1

WASHER

.344 x 1.000 x .105

4шт.

619855R1

WASHER

.344 x .750 x .054

4шт.

37

277523R1

BUSHING

lever rod

1шт.

38

832332C1

PULLEY

header driven, For use on 4000 Windrower serial no. 3250 and since, For use on 5000 Windrower serial no. 1350 and since

1шт.

88907

WOODRUFF KEY,#B, 5/16" x 1", HT

5/16 x 1 Woodruff

1шт.

39

621662R1

SPACER, belt guide

1шт.

40

832400C1

BAR

belt guide spacer, For use on 4000 Windrower serial no. 3250 and since, For use on 5000 Windrower serial no. 1350 and since

1шт.

180122

BOLT,Hex, 3/8" - 16 x 1", Gr 5

3/8-16 x 1 hex hd

2шт.

120377

NUT,3/8" - 16, Gr 5

2шт.

120382

LOCK WASHER,Helical Spring, 3/8"

WASHER, LOCK, 3/8"

2шт.

41

832335C1

ANGLE

ASSY, shield mtg

2шт.

598802R1

CARRIAGE BOLT,Short NK, 5/16"-18 x 3/4", G5, Full Thd

BOLT, 5/16 x 3/4 crg type 5

2шт.

120376

NUT,5/16"-18, G5

2шт.

80681

LOCK WASHER,5/16"

WASHER, LOCK, 5/16"

2шт.

134238R1

WASHER

.344 x 1.000 x .054

2шт.

42

NOT USED THIS APPLICATION

1шт.

Выбрано товаров: 138