Запчасти Case IH 4000 (13-17) - SUPERSTRUCTURE, OPERATORS CAB EVAPORATOR (05) - SUPERSTRUCTURE

Схема запчастей Case IH 4000 - (13-17) - SUPERSTRUCTURE, OPERATORS CAB EVAPORATOR (05) - SUPERSTRUCTURE
FIT
1:1
100%

Артикул

Название

Примечание

Количество

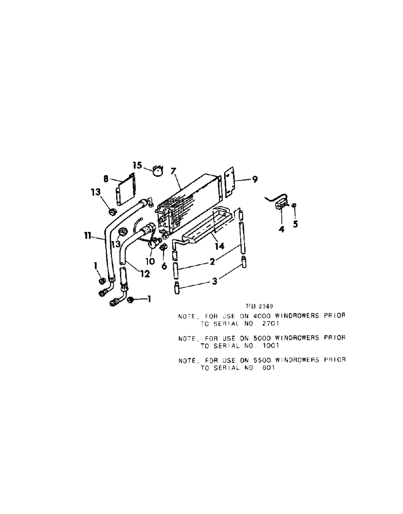
1

173893C1

GROMMET

3/8 I.D.

1шт.

1

173894C1

GROMMET

5/8 I.D.

1шт.

2

HOSE, 1/2 I.D. x .12 wall black vinal 6 inch, For service order from bulk stock no. 665181R1

2шт.

3

173910C1

HOSE

VALVE ASSY, evaporator drain

2шт.

4

175575C1

THERMOSTAT

SWITCH ASSY, thermostat control

1шт.

5

200860C1

KNOB

thermostat control

1шт.

109311H

JAM NUT

switch mtg

1шт.

6

615195C1

NUT, flared cap

1шт.

7

173915C1

CORE

COIL ASSY, air conditioner evaporator

1шт.

552897R1

SELF-TAP SCREW,1/4" - 20 x 1/2"

SCREW, 1/4-20 x 1/2 hex washer hd tapping type

4шт.

174878

WASHER

1/4 tooth lock

4шт.

8

175581C1

BRACKET

PLATE, coil mounting LH

1шт.

9

175582C1

BRACKET

PLATE, coil mounting RH

1шт.

552897R1

SELF-TAP SCREW,1/4" - 20 x 1/2"

SCREW, 1/4-20 x 1/2 hex-washer hd tapping type

4шт.

174878

WASHER

1/4 tooth lock

4шт.

10

168903C1

VALVE

expansion

1шт.

11

171851C1

HOSE ASSY.

HOSE ASSY, 96 x 3/4 OD evaporator

1шт.

12

171850C1

HOSE

ASSY, 98 x 1 OD evaporator

1шт.

13

166868C1

GROMMET

hose 1 inch I.D.

1шт.

13

173895C1

GROMMET

hose 3/4 inch I.D.

1шт.

14

175802C1

PAN ASSY, drain

1шт.

24388R1

SELF-TAP SCREW,Cross Pan Hd, #10 x 3/8"

SCREW, SELF TAPPING, Cross Pan Hd, #10 x 3/8"

4шт.

15

432366

HOLE PLUG BUTTON,1 3/8"

PLUG, 1-3/8 button, For unused holes in roof

1шт.

827427C1

PRODUCT GRAPHIC

temperature control

1шт.

Выбрано товаров: 24