Запчасти Case IH 5000 (6-02) - PROPULSION SPEED CONTROL (06) - POWER TRAIN

Схема запчастей Case IH 5000 - (6-02) - PROPULSION SPEED CONTROL (06) - POWER TRAIN
FIT
1:1
100%

Артикул

Название

Примечание

Количество

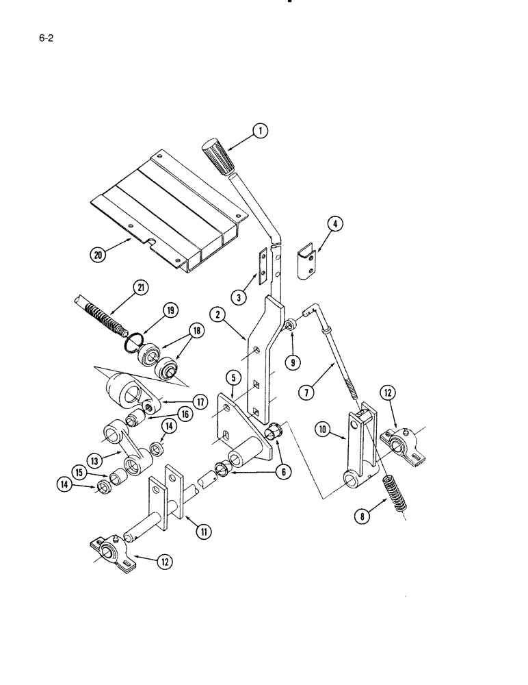
1

829541C1

GRIP

- speed control lever

1шт.

2

825040C1

LEVER

ASSEMBLY - speed control (Replaces 823390C2)

1шт.

3

825025C1

BAR

- lever

1шт.

28757R1

RIVET,But Hd, 3/16" x 1 1/8"

- solid, 3/16 x 1-1/8 inch

2шт.

434-824

CARRIAGE BOLT,Sht Sq Nk, 1/2" - 13 x 1 1/2", Gr 5

BOLT - round head square neck, 1/2 NC x 1-1/2 inch

2шт.

425-108

NUT,1/2" - 13, Gr 5

NUT, , Hex 1/2"-13, G5

2шт.

80679

LOCK WASHER,1/20.507 CST ZND

WASHER, LOCK, 1/2"

2шт.

495-81023

WASHER,17/32" x 1 1/4" x .030"

- flat, 17/32 x 1-1/4 x 1/32 inch

1шт.

4

823389C2

PAWL

- lever speed control (Used on lever 823390C2)

1шт.

21840R1

RIVET - solid, 3/16 x 1-1/4 inch

2шт.

5

823901C1

PIVOT

ASSEMBLY - control lever

1шт.

6

277523R1

BUSHING

- control lever pivot

2шт.

7

823915C1

ROD

ASSEMBLY - speed control

1шт.

495-81287

WASHER,13.49mm ID x 31.75mm OD x 3.4mm Thk

- flat, 17/32 x 1-1/4 x 7/64 inch

1шт.

425-108

NUT,1/2" - 13, Gr 5

NUT, , Hex 1/2"-13, G5

2шт.

432-1216

COTTER PIN,3/16" x 1"

2шт.

8

202192C1

SPRING

- control rod

1шт.

9

610395R1

SPACER,1/2" X-Strng Pipe x 3/8"

- control lever

1шт.

10

823912C1

LEVER

ASSEMBLY - speed control

1шт.

138-2066

PIN,3/8" x 1 1/2", Coiled

1шт.

11

823398C1

ROCKSHAFT

ASSEMBLY - speed control

1шт.

432-1224

COTTER PIN,3/16" x 1-1/2"

3/16" x 1 1/2"

2шт.

19534R1

PIN,1/4" x 1 1/2", Coiled

1шт.

495-81073

WASHER,1-1/32" x 1-3/4" x .060" Thk

- flat, 1-1/32 x 1-3/4 x 1/16 inch

1шт.

12

832207C91

HOUSING ASSY.

BEARING - speed control rockshaft

2шт.

413-512

BOLT,Hex, 5/16" - 18 x 3/4", Gr 5

- hex, 5/16 NC x 3/4 inch

4шт.

425-105

NUT,5/16"-18, G5

4шт.

492-11031

LOCK WASHER,5/16"

WASHER, LOCK, 5/16"

4шт.

13

823862C1

LINK

ASSEMBLY - speed control

1шт.

219-8

LUBE NIPPLE,1/4" - 28 NPTF

FITING - 1/4 inch PTF, straight, lube

1шт.

413-1040

BOLT,Hex, 5/8" - 11 x 2-1/2", Gr 5

- hex, 5/8 NC x 2-1/2 inch

1шт.

425-1410

JAM NUT,Jam, 5/8"-11, G5

- hex, jam, 5/8 inch NC

1шт.

413-1256

BOLT,Hex, 3/4" - 10 x 3-1/2", Gr 5

1шт.

425-1012

NUT,3/4"-10, G5

2шт.

14

697494R91

OIL SEAL

SEAL - link

2шт.

15

565627R1

BUSHING

- link

1шт.

16

583768R91

COMPOSITE RING

BUSHING - link

1шт.

17

823860C1

TRUNNION

- speed control

1шт.

18

586156R92

BEARING, ROLLER, CYL,0.7505" ID x 47 mm OD x 0.8437, 0.53125"

BEARING - trunnion

2шт.

19

513047R1

SNAP RING,1.852", Int, #185

Ring, Snap, 1.852", Int, #185

1шт.

20

823394C1

SEAL

ASSEMBLY - speed control

1шт.

413-512

BOLT,Hex, 5/16" - 18 x 3/4", Gr 5

- hex, 5/16 NC x 3/4 inch

2шт.

425-105

NUT,5/16"-18, G5

2шт.

492-11031

LOCK WASHER,5/16"

WASHER, LOCK, 5/16"

2шт.

21

823339C1

SHAFT

- steering and speed control

1шт.

Выбрано товаров: 45