Запчасти Case IH 5000 (6-08) - HYDROSTATIC DRIVE, FIXED SINGLE SPEED (06) - POWER TRAIN

Схема запчастей Case IH 5000 - (6-08) - HYDROSTATIC DRIVE, FIXED SINGLE SPEED (06) - POWER TRAIN
FIT
1:1
100%

Артикул

Название

Примечание

Количество

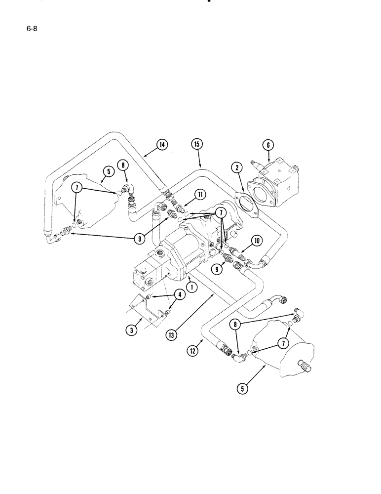
1

149605C91

PUMP

ASSEMBLY - tandem hydrostatic

1шт.

413-828

BOLT,Hex, 1/2" - 13 x 1-3/4", Gr 5

2шт.

131-930

FLANGE NUT,Hex Serr, 1/2" - 13, Gr 5

- hex, flange, self-locking, 1/2 inch NC

2шт.

25710R1

WASHER

- flat, hardened, 17/32 x 1-1/16 x 9/64 inch

2шт.

2

1980702C1

GASKET

- pump (Replaces 538898R1)

1шт.

3

832294C1

BAR

- pump mounting

1шт.

180171

BOLT,Hex, 1/2" - 13 x 3/4", Gr 5

- hex, 1/2 NC x 3/4 inch

2шт.

80679

LOCK WASHER,1/20.507 CST ZND

WASHER, LOCK, 1/2"

2шт.

413-824

BOLT,Hex, 1/2" - 13 x 1-1/2", Gr 5

2шт.

131-930

FLANGE NUT,Hex Serr, 1/2" - 13, Gr 5

- hex, flange, self-locking, 1/2 inch NC

2шт.

20601R1

WASHER

- flat, 17/32 x 1-1/4 x 7/64 inch

2шт.

4

610395R1

SPACER,1/2" X-Strng Pipe x 3/8"

- pump mounting support bar

2шт.

5

145683C91

MOTOR

ASSEMBLY - hydrostatic, fixed single speed (See Page 6-27)

2шт.

413-824

BOLT,Hex, 1/2" - 13 x 1-1/2", Gr 5

4шт.

131-930

FLANGE NUT,Hex Serr, 1/2" - 13, Gr 5

- hex, flange, self-locking, 1/2 inch NC

4шт.

6

830163C91

CASE

ASSEMBLY - bevel gear (See Page 6-17)

1шт.

413-816

BOLT,Hex, 1/2" - 13 x 1", Gr 5

3шт.

80679

LOCK WASHER,1/20.507 CST ZND

WASHER, LOCK, 1/2"

3шт.

7

237-6016

O-RING,0.116" Thk x 1.171" ID, -916, Cl 6, 90 Duro

16-1, 90 Duro, 1.171" ID x .118" Thk

8шт.

8

218-5110

ELBOW,90 Degree Elbow, 1-5/16" - 12 Male JIC x 1-5/16" - 12 Male ORB

90º adjustable, 1 inch OD tube

3шт.

9

9410207

HYD CONNECTOR,1 5/16"-12, 37 Degree x 1 5/16"-12, O-Ring

CONNECTOR - short, 1-5/16 flared x 1-5/16 inch O-ring boss

3шт.

10

218-5034

HYD CONNECTOR,1-5/16" - 12 Male JIC x 1-5/16" - 12 Male ORB

CONNECTOR - flared tube long swivel

1шт.

11

9411109

ELBOW,45 Degree, 1 5/16"-12 x 1 5/16"-12, O-Ring

- adjustable, 45 degree, 1-5/16 x 1-5/16 inch

1шт.

12

823228C1

HOSE

- forward LH motor

1шт.

13

824239C1

HOSE

- reverse LH motor

1шт.

14

823229C1

HOSE ASSY.

HOSE - forward RH motor

1шт.

15

823229C1

HOSE ASSY.

HOSE - reverse RH motor

1шт.

Выбрано товаров: 27