Запчасти Case IH 5000 (9-62) - AIR CONDITIONING SYSTEM (09) - CHASSIS/ATTACHMENTS

Схема запчастей Case IH 5000 - (9-62) - AIR CONDITIONING SYSTEM (09) - CHASSIS/ATTACHMENTS
FIT
1:1
100%

Артикул

Название

Примечание

Количество

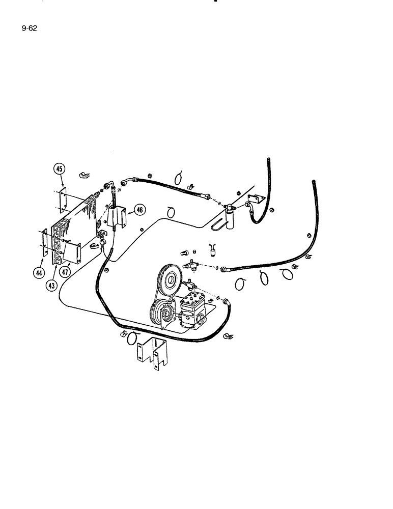
43

165130C91

COIL

- condenser (45 degree flared fittings )

1шт.

43

183901C1

CONDENSER

COIL - condenser (O-ring fittings)

1шт.

413-48

BOLT,Hex, 1/4" - 20 x 1/2", Gr 5

- hex, 1/4 NC x 1/2 inch

4шт.

425-104

NUT,1/4"-20, Cl 5

- hex, 1/4 inch NC

4шт.

492-11025

LOCK WASHER,1/4"

WASHER, LOCK, 1/4"

4шт.

44

826775C1

BAR

- condenser support RH (Replaces 828991C1)

1шт.

45

826776C1

BAR

- condenser support LH (Replaces 828593C1)

1шт.

434-516

CARRIAGE BOLT,Sht Sq Nk, 5/16" - 18 x 1", Gr 5

BOLT - round head square neck, 5/16 NC x 1 inch

4шт.

425-105

NUT,5/16"-18, G5

4шт.

495-81114

WASHER,8.74mm ID x 19.05mm OD x 1.7mm Thk

- flat, 11/32 x 3/4 x 3/64 inch

2шт.

46

828594C1

SUPPORT

- condenser, LH

1шт.

47

830167C1

SUPPORT

- condenser, RH

1шт.

Выбрано товаров: 12