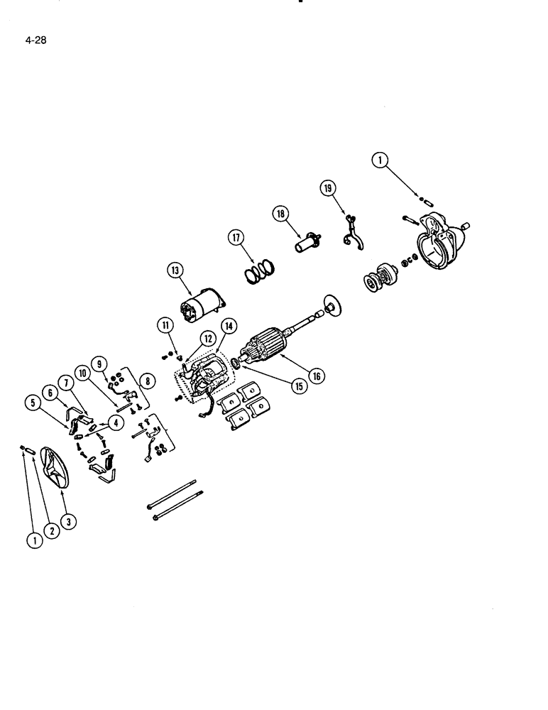
Запчасти Case IH 5000 (4-28) - STARTER ASSEMBLY, D-239 DIESEL ENGINE (04) - ELECTRICAL SYSTEMS

Схема запчастей Case IH 5000 - (4-28) - STARTER ASSEMBLY, D-239 DIESEL ENGINE (04) - ELECTRICAL SYSTEMS
FIT
1:1
100%

Артикул

Название

Примечание

Количество

1107866

MOTOR

ASEMBLY - starting (order 1998342)

1шт.

1

9427882

PLUG

- pipe

2шт.

2

1919851

WICK

- commutator end

1шт.

3

1940385

FUNNEL

FRAME ASSEMBLY - commutator end

1шт.

820148

BUSHING

- frame

1шт.

4

1946434

BRUSH, COMMUTATOR

BRUSH - commutator

2шт.

167077

SCREW

- brush insulating retaining

2шт.

5

1926618

HOLDER

- brush insulating

2шт.

6

1926622

VALVE SPRING

SPRING - brush

2шт.

7

1940477

HOLDER

- brush ground

2шт.

274875

SHAFT

SCREW - brush ground retaining

2шт.

8

1928015

BRACKET

KIT - brush holder support

1шт.

9

1960864

BRUSH, COMMUTATOR

LEAD - brush ground

2шт.

NLS

NO LONGER SERVICED

SCREW - retaining

4шт.

120361

NUT,Hex Mach Screw, #10 - 24

4шт.

NSS

NOT SOLD SEPARAT

WASHER - lock

4шт.

10

1966923

PIN

- brush holder

2шт.

11

A41980

GROMMET

- field frame

1шт.

12

A48718

ROD, CONNECTING

CONNECTOR - field, Serial Range: coil-switch

1шт.

9427815

SCREW - connector attaching

1шт.

453468

SCREW - field attaching

1шт.

NSS

NOT SOLD SEPARAT

WASHER - lock

1шт.

13

65478C1

SWITCH

- solenoid (Alternate with 594185C1)

1шт.

13

594185C1

SOLENOID,Starter

SWITCH - solenoid (Alternate with 65478C1)

1шт.

1952427

GASKET

- switch

1шт.

132255

SCREW - solenoid attaching Slotted Fil Hd, 1/4"-20 x 1/2"

2шт.

NSS

NOT SOLD SEPARAT

WASHER - lock

2шт.

14

A25548

COIL

- field

1шт.

15

A41917

WASHER,14.25mm ID x 24.89mm OD x 1.57mm Thk

- commutator end spacer

1шт.

16

108054A1!

ARMATURE - motor

1шт.

17

1958679

SPRING

- plunger return

1шт.

18

1941113

PLUNGER

- solinoid switch

1шт.

19

1951567

LEVER

- shift

1шт.

38-31212

PIN,3/16" x 3/4", Coiled

Shift lever attaching 3/16" x 3/4", Coiled

1шт.

Выбрано товаров: 34