Запчасти Case IH 5000 (10-05) - HYDRAULICS, HYDRAULIC CONTROL VALVE (07) - HYDRAULICS

Схема запчастей Case IH 5000 - (10-05) - HYDRAULICS, HYDRAULIC CONTROL VALVE (07) - HYDRAULICS
FIT
1:1
100%

Артикул

Название

Примечание

Количество

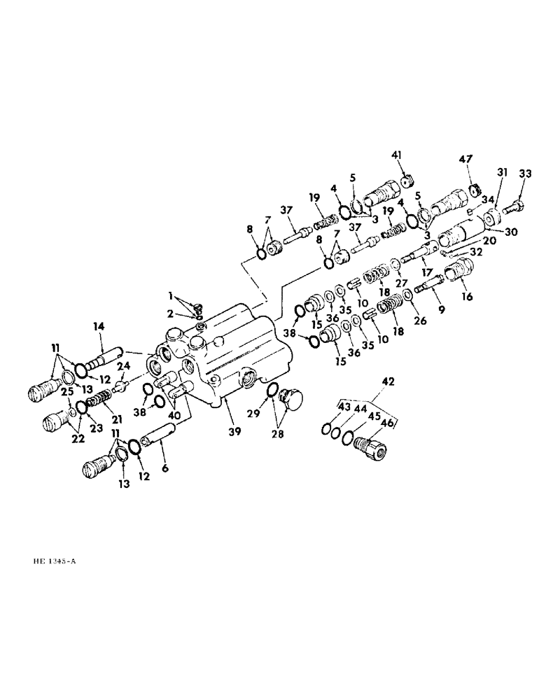
830297C91

VALVE

ASSY, hydraulic control, Includes all parts listed unless otherwise noted

1шт.

1

825226C91

PLUG

ASSY, includes o-ring

1шт.

2

O-RING, 1/16 x 7/32 I.D. plug, For service order 1-827394C1 kit

1шт.

3

674507R91

PLUG

ASSY, port adaptor, Includes o-ring and back-up washer

2шт.

4

O-RING, 3/32 x 5/8 I.D. port adaptor plug, For service order 1-827394C1 kit

2шт.

5

WASHER, port adaptor, For service order 1-827394C1 kit

2шт.

6

588352R1

PLUNGER

lockout

1шт.

7

674505R91

SEAT

ASSY, lockout, Includes o-ring

2шт.

8

O-RING, 1/16 x 1/2 I.D. seat lockout, For service order 1-827394C1 kit

2шт.

9

674491R1

SCREW

spool

1шт.

10

674492R1

SPACER

spool

2шт.

11

674515R91

PLUG

ASSY, lockout, Includes o-ring and back-up washer

2шт.

12

O-RING, 3/32 x 5/8 I.D. lockout plug, For service order 1-827394C1 kit

2шт.

13

WASHER, lockout plug, For service order 1-827394C1 kit

2шт.

14

827393C1

PLUNGER

unloading

1шт.

15

674775R1

BUSHING

spool

2шт.

16

674493R91

CAP

spool

1шт.

17

SCREW, spool detent, Not serviced separtely order valve assy 830297C91

1шт.

18

674490R1

SPRING

spool centering

2шт.

19

674509R1

SPRING

lockout

2шт.

20

201737C1

SPRING

detent

2шт.

21

673751R1

SPRING

relief valve

1шт.

22

202210C91

PLUG

ASSY, sltd relief valve, Includes o-ring

1шт.

23

O-RING, 3/32 x 9/16 I.D. sltd relief valve plug, For service order 1-827394C1 kit

1шт.

24

674501R1

VALVE POPPET

POPPET, relief valve

1шт.

25

674504R1

WASHER

SHIM, .015 relief valve

1шт.

25

394655R1

WASHER

SHIM, .010 relief valve

1шт.

25

673647R1

WASHER

SHIM, .035 relief valve

1шт.

26

673628R1

WASHER

spring

1шт.

27

674502R1

WASHER

spring

1шт.

28

674510R91

PLUG

ASSY, power beyond, Includes o-ring

1шт.

29

O-RING, 3/32 x 5/8 I.D. power beyond plug, For service order 1-827394C1 kit

1шт.

30

824541C1

CAP

detent

1шт.

31

824542C1

PLUG

detent cap adj

1шт.

32

17005R1

BALL,5/32" Dia

5/32 chrome detent

4шт.

33

180021

SPRING

1/4-20 x 7/8 hex hd

1шт.

124818

JAM NUT,Hex, 1/4" - 20, Gr 5

1шт.

34

824543C1

PLUG

filter

1шт.

35

824545C1

WASHER

spool spring

2шт.

36

202649C1

SPRING WASHER

spool spring

2шт.

37

827334C1

VALVE POPPET

POPPET VALVE, part of 827394C1 kit

2шт.

38

O-RING, 3/32 x 1/2 I.D. spool seal, For service order 1-827394C1 kit

4шт.

39

HOUSING, hydraulic valve, Not serviced separately order valve assy 830297C91

1шт.

40

SPOOL, valve control, Not serviced separately order valve assy 830297C91

2шт.

41

824544C1

PLATE

orifice, Not part of valve assy

1шт.

42

598386R91

PLUG

ASSY, power beyond adaptor, Not part of valve assy

1шт.

43

370920R1

O-RING,1/2" ID

1/16 x 1/2 ID adaptor, Not part of valve assy

1шт.

44

598644R1

WASHER

back up adaptor, Not part of valve assy

1шт.

45

350429R1

O-RING,0.103" Thk x 0.612" ID, -114, Cl 5, 75 Duro

3/32 x 5/8 adaptor, Not part of valve assy

1шт.

46

597877R1

PLUG

adaptor, Not part of valve assy

1шт.

47

403967R1

VENT

PLATE, orifice, Not part of valve assy

1шт.

827394C1

KIT

seal repair, Consists of items 2, 4, 5, 8, 12, 13, 23, 29, 37, 38, 43, 44 & 45

1шт.

Выбрано товаров: 52