Запчасти Case IH 5000 (10-15[A]) - HYDRAULICS, ADAPTOR PACKAGE, MASTER AND SLAVE CYLINDER (07) - HYDRAULICS

Схема запчастей Case IH 5000 - (10-15[A]) - HYDRAULICS, ADAPTOR PACKAGE, MASTER AND SLAVE CYLINDER (07) - HYDRAULICS
FIT
1:1
100%

Артикул

Название

Примечание

Количество

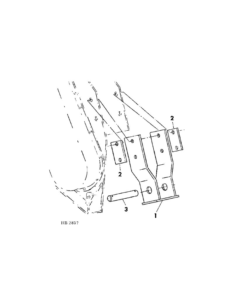
1

823216C1

ANCHOR ASSY, cylinder lower

2шт.

2

823219C1

BAR, anchor backing

4шт.

180177

BOLT,Hex, 1/2" - 13 x 1 1/2", Gr 5

1/2-13 x 1-1/2 hex-hd

8шт.

120378

NUT,Hex, 1/2" - 13, Gr 5

NUT, 1/2"-13, G5

8шт.

120384

WASHER,1/2"

LOCK, 1/2"

8шт.

3

823432C1

PIN, cylinder lower anchor

2шт.

432-1624

COTTER PIN,1/4" x 1 1/2"

Pin, Split (Cotter), 1/4" x 1 1/2"

4шт.

614451R1

WASHER

1.031 x 1.750 x .105

4шт.

Выбрано товаров: 8