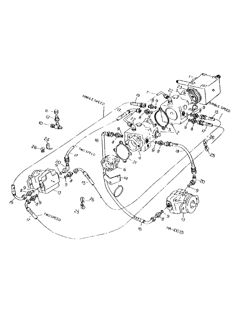
Запчасти Case IH 5000 (07-03) - DRIVE TRAIN, TANDEM PUMP WITH HYDROSTATIC MOTORS AND CONNECTIONS (04) - Drive Train

Схема запчастей Case IH 5000 - (07-03) - DRIVE TRAIN, TANDEM PUMP WITH HYDROSTATIC MOTORS AND CONNECTIONS (04) - Drive Train
FIT
1:1
100%

Артикул

Название

Примечание

Количество

1

830163C91

CASE

ASSY, bevel gear, For service parts refer to bevel gear case

1шт.

180173

BOLT,Hex, 1/2" - 13 x 1", Gr 5

3шт.

120384

WASHER,1/2"

LOCK, 1/2"

3шт.

427640

SLOTTED NUT,3/4"-16, G5

NUT, 3/4-16 hex sltd

1шт.

467750R1

WASHER

.781 x 1.500 x .105

1шт.

103396

PIN, SPLIT (COTTER),5/32" x 1"

5/32" x 1"

1шт.

2

123061C91

PUMP ASSY, tandem propulsion, For use on 4000 Windrower prior to serial no. 1451, For use on 5000 Windrower prior to serial no. 901

1шт.

2

128138C91

PUMP

ASSY, tandem propulsion, For use on 4000 Windrower serial no. 1451 and since, For use on 5000 Windrower serial no. 901 and since, For use on 5500 Windrower serial no. 501 to 600, For service parts refer to tandem pump

1шт.

180179

BOLT,Hex, 1/2" - 13 x 1 3/4", Gr 5

1/2-13 x 1-3/4 hex hd

2шт.

180175

BOLT,Hex, 1/2" - 13 x 1 1/4", Gr 5

1/2-13 x 1-1/4 hex hd

1шт.

120378

NUT,Hex, 1/2" - 13, Gr 5

NUT, 1/2"-13, G5

3шт.

120384

WASHER,1/2"

LOCK, 1/2"

3шт.

20601R1

WASHER

.531 x 1.250 x .105

1шт.

120376

NUT,5/16"-18, G5

2шт.

427640

SLOTTED NUT,3/4"-16, G5

NUT, 3/4-16 hex sltd

2шт.

103398

COTTER PIN,5/32" x 1 1/2"

Pin, Split (Cotter), 5/32" x 1 1/2"

2шт.

3

PUMP ASSY, bevel gear case to second tandem pump, For service parts refer to tandem pump

1шт.

180179

BOLT,Hex, 1/2" - 13 x 1 3/4", Gr 5

1/2-13 x 1-3/4 hex hd

2шт.

120378

NUT,Hex, 1/2" - 13, Gr 5

NUT, 1/2"-13, G5

2шт.

120384

WASHER,1/2"

LOCK, 1/2"

2шт.

4

PUMP ASSY, auxiliary pump to first pump, For service parts refer to tandem pump

1шт.

180175

BOLT,Hex, 1/2" - 13 x 1 1/4", Gr 5

1/2-13 x 1-3/4 hex hd

1шт.

120378

NUT,Hex, 1/2" - 13, Gr 5

NUT, 1/2"-13, G5

1шт.

120384

WASHER,1/2"

LOCK, 1/2"

1шт.

20601R1

WASHER

.531 x 1.250 x .105

1шт.

5

71894C1

GASKET

pump no. 1 to pump no. 2 part of tandem pump assy

1шт.

6

PUMP, hydraulic auxiliary, For service parts refer to hydraulic auxiliary pump section 10

1шт.

180124

BOLT,Hex, 3/8" - 16 x 1 1/4", Gr 5

3/8-16 x 1-1/4 hex hd

1шт.

120382

LOCK WASHER,Helical Spring, 3/8"

WASHER, LOCK, 3/8"

2шт.

7

71904C1

TUBE,500 mm OD, 920 mm Length

no. 1 pump to no. 2 pump part of tandem pump assy

1шт.

8

380633R1

HYD CONNECTOR,1 1/16"-12, 37 Degree x 1 5/16"-12, O-Ring

CONNECTOR, flared tube short reducer, 7-used fixed single speed motors, 8-used variable two speed motors

1шт.

9

296247R1

O-RING,16-1, 90 Duro, 1.171" ID x .116" Thk

1 in OD tube

8шт.

10

9410335

TEE,37 Degree, 1 1/16"-12 x 1 1/16"-12, Fem Sw Run

hyd 37 deg flared tube 90 swivel to pump

1шт.

11

9403530

TUBE NUT,37 Degree, 1 1/16"-12, Type B

NUT, hyd 37 deg flared tube

1шт.

12

9403404

ROD, CONNECTING,37 Degree, 3/4" x 3/8" Tube

REDUCER, hyd 37 deg flared

1шт.

13

123063C92

MOTOR

ASSY, hydrostatic fixed, For use on 4000 Windrower prior to serial no. 1451, For use on 5000 Windrower prior to serial no. 901

2шт.

13

128139C92

REMAN-HYD MOTOR

MOTOR ASSY, hydrostatic fixed, For use on 4000 Windrower serial no. 1451 and since, For use on 5000 Windrower serial no. 901 to 1000, For use on 5000 Windrower serial no. 1001 and since with fixed single speed hydrostatic motors

2шт.

13

128140C91

MOTOR ASSY, hydrostatic variable, For use on 5000 Windrower serial no. 1001 and since with variable two speed hydrostatic motors, For use on 5500 Windrower serial no. 501 to 600, For service parts refer to hydrostatic motor

2шт.

180179

BOLT,Hex, 1/2" - 13 x 1 3/4", Gr 5

1/2-13 x 1-3/4 hex hd

4шт.

120378

NUT,Hex, 1/2" - 13, Gr 5

NUT, 1/2"-13, G5

4шт.

120384

WASHER,1/2"

LOCK, 1/2"

4шт.

427640

SLOTTED NUT,3/4"-16, G5

NUT, 3/4-16 hex sltted

4шт.

103398

COTTER PIN,5/32" x 1 1/2"

Pin, Split (Cotter), 5/32" x 1 1/2"

4шт.

14

830084C1

SUPPORT, pump mounting front

1шт.

15

832059C1

HOSE

49 inch RH motor reverse with fixed single speed motors

1шт.

16

832059C1

HOSE

49 inch LH motor forward with fixed single and variable two speed motors

1шт.

17

832059C1

HOSE

49 inch RH motor forward and RH motor reverse with variable two speed motors

2шт.

18

832058C1

HOSE

27 inch LH motor reverse

1шт.

19

832105C1

HOSE

30 inch RH motor forward with fixed single speed motors

1шт.

20

150776C91

ELBOW,90 Degree, 1 1/16"-12, 37 Degree x 1 5/16"-12, O-Ring

flared tube adj 90 deg reducer, 1-used fixed single speed motors, 2-used variable two speed motors

1шт.

21

71896C1

GASKET

utility pump to tandum pump part of tandem pump assy

1шт.

22

9410099

ELBOW,45º, 3/4"-16, 37º x 3/4"-16, O-Ring

45 deg 37 deg flared tube part of tandem pump assy

2шт.

23

538898R1

GASKET

pump

1шт.

24

829027C1

ANGLE

hose clamp support

1шт.

113-206

BOLT,Hex, 3/8" - 16 x 3/4", Gr 5, Full Thd

3/8-16 x 3/4 hex hd

2шт.

120377

NUT,3/8" - 16, Gr 5

2шт.

120382

LOCK WASHER,Helical Spring, 3/8"

WASHER, LOCK, 3/8"

2шт.

25

892031C1

CLAMP

hose

2шт.

26

892033C1

CLAMP

hose

3шт.

113-206

BOLT,Hex, 3/8" - 16 x 3/4", Gr 5, Full Thd

3/8-16 x 3/4 hex hd

2шт.

120377

NUT,3/8" - 16, Gr 5

2шт.

120382

LOCK WASHER,Helical Spring, 3/8"

WASHER, LOCK, 3/8"

2шт.

Выбрано товаров: 62