Запчасти Case IH 5000 (07-17) - DRIVE TRAIN, HYDROSTATIC MOTOR-VARIABLE (04) - Drive Train

Схема запчастей Case IH 5000 - (07-17) - DRIVE TRAIN, HYDROSTATIC MOTOR-VARIABLE (04) - Drive Train
FIT
1:1
100%

Артикул

Название

Примечание

Количество

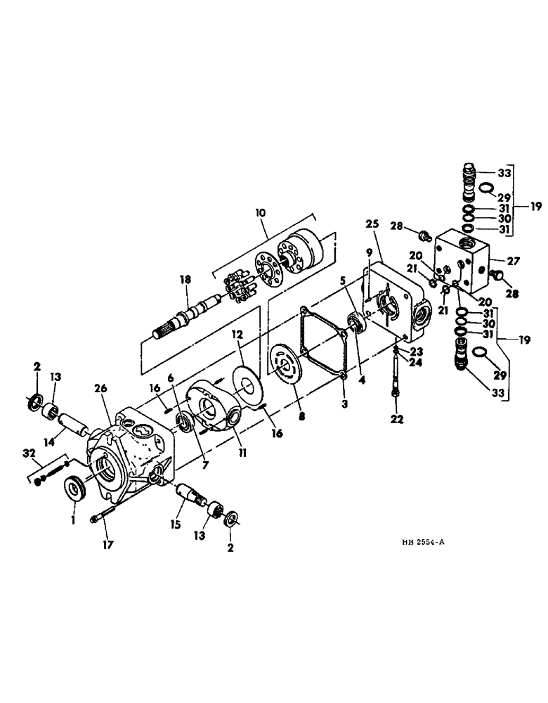
128140C91

MOTOR ASSY, hydrostatic variable, Consist of

1шт.

1

123100C1

SEAL

shaft lip

1шт.

2

123101C1

SEAL

trunnion lip

2шт.

3

71895C1

GASKET

end cap

1шт.

4

651815R91

BEARING ASSY,7.508" ID x 17.82" OD x 6"

BEARING, rear cone

1шт.

4

651815R91GV

BEARING CONE

Value, Cone Bearing

1шт.

5

651814R1

BEARING CUP

BEARING, rear cup

1шт.

224331C1

SHIM

bearing cup

1шт.

6

463911R91

ROLLER BEARING,1" ID x 0.58"

BEARING, front cone

1шт.

7

572564R1

BEARING CUP

BEARING, cup

1шт.

8

133467C1

PLATE

valve

1шт.

9

133466C1

PIN

valve plate

1шт.

10

133468C91

KIT

cylinder block

1шт.

11

133469C1

LARGE PLATE

HOUSING, variable swashplate

1шт.

12

133470C1

PLATE

thrust

1шт.

13

550839R91

BEARING, NEEDLE

BEARING ASSY, needle

2шт.

14

133473C1

SHAFT

trunnion

1шт.

15

133474C1

SHAFT

tapered trunnion

1шт.

124556

WOODRUFF KEY,#18, 1/4" x 1 1/8", HT

2шт.

16

19738R1

PIN,5/16" x 3/4", Coiled

4шт.

17

27992R1

SCREW,Hex Soc Hd, 7/16"-14 x 2 1/4"

7/16 x 2-1/4 soc-hd cap

4шт.

18

133485C1

SHAFT

motor

1шт.

19

133360C2

VALVE

ASSY, relief, Consists of

2шт.

NSS

NOT SOLD SEPARAT

VALVE

1шт.

297459R1

O-RING,0.116" Thk x 1.048" ID, -914, Cl 6, 90 Duro

1шт.

20947R1

O-RING,0.103" Thk x 0.799" ID, -117, Cl 6, 90 Duro

1шт.

393887R1

BACK-UP RING

WASHER

2шт.

20

377952R1

O-RING,0.103" Thk x 0.549" ID, -113, Cl 6, 90 Duro

valve

2шт.

21

133489C1

WASHER

valve back-up

2шт.

22

133482C1

VALVE

by-pass

1шт.

23

379365R1

O-RING,0.07" Thk x 0.364" ID, -12, Cl 6, 90 Duro

by-pass valve

1шт.

24

133483C1

WASHER

back-up by-pass valve

1шт.

25

HOUSING, end cap, Not serviced separately order 1-128140C91 motor assy

1шт.

26

HOUSING, motor, Not serviced separately order 1-128140C91 motor assy

1шт.

27

HOUSING, valve relief, Not serviced separately order 1-128140C91 motor assy

1шт.

180112

BOLT,Hex, 5/16" - 18 x 2 3/4", Gr 5

5/16-18 x 2-3/4 hex-hd

4шт.

394880R1

WASHER

manifold valve

4шт.

28

9410356

PLUG

7/16-20 o-ring boss

2шт.

369751R1

O-RING,0.072" Thk x 0.351" ID, -904, Cl 6, 90 Duro

4-1, 90 Duro, .351" ID x .072" Thk, 1/4 OD tube

2шт.

29

297459R1

O-RING,0.116" Thk x 1.048" ID, -914, Cl 6, 90 Duro

1.048 I.D. relief valve, Part of 393885R91 package

2шт.

30

20947R1

O-RING,0.103" Thk x 0.799" ID, -117, Cl 6, 90 Duro

.8125 I.D. relief valve, Part of 393885R91 package

2шт.

31

393887R1

BACK-UP RING

WASHER, relief valve back-up, Part of 393885R91 package

4шт.

32

133769C91

KIT

adjusting stud package, Consists of

1шт.

NSS

NOT SOLD SEPARAT

STUD

1шт.

NSS

NOT SOLD SEPARAT

WASHER

1шт.

NSS

NOT SOLD SEPARAT

WASHER

1шт.

NSS

NOT SOLD SEPARAT

NUT

1шт.

33

VALVE, relief, For service order 133360C2 valve assy

2шт.

133480C91

KIT

PACKAGE, gasket and seal, Consists of

1шт.

71895C1

GASKET

1шт.

123100C1

SEAL

1шт.

123101C1

SEAL

2шт.

379365R1

O-RING,0.07" Thk x 0.364" ID, -12, Cl 6, 90 Duro

1шт.

377952R1

O-RING,0.103" Thk x 0.549" ID, -113, Cl 6, 90 Duro

2шт.

20947R1

O-RING,0.103" Thk x 0.799" ID, -117, Cl 6, 90 Duro

2шт.

297459R1

O-RING,0.116" Thk x 1.048" ID, -914, Cl 6, 90 Duro

2шт.

133483C1

WASHER

1шт.

133489C1

WASHER

2шт.

393887R1

BACK-UP RING

WASHER

4шт.

393885R91

GASKET KIT

PACKAGE, relief valve service, Consists of

1шт.

393887R1

BACK-UP RING

WASHER

4шт.

20947R1

O-RING,0.103" Thk x 0.799" ID, -117, Cl 6, 90 Duro

2шт.

297459R1

O-RING,0.116" Thk x 1.048" ID, -914, Cl 6, 90 Duro

2шт.

Выбрано товаров: 63