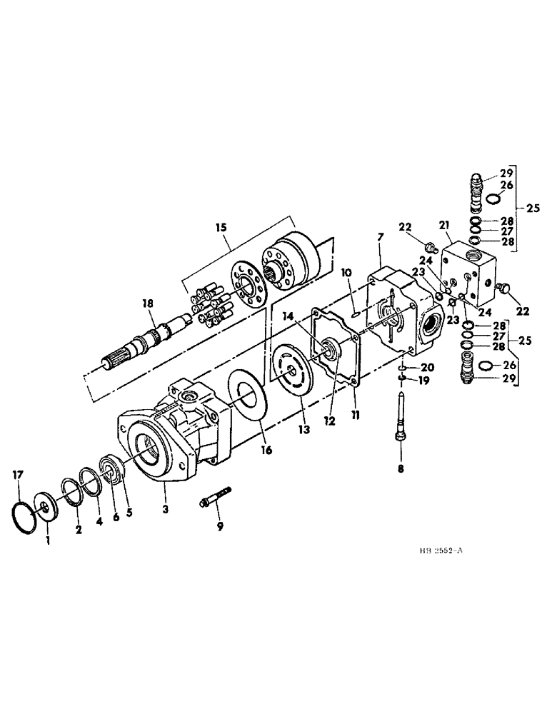
Запчасти Case IH 5000 (07-19) - DRIVE TRAIN, HYDROSTATIC MOTOR-FIXED (04) - Drive Train

Схема запчастей Case IH 5000 - (07-19) - DRIVE TRAIN, HYDROSTATIC MOTOR-FIXED (04) - Drive Train
FIT
1:1
100%

Артикул

Название

Примечание

Количество

128139C92

REMAN-HYD MOTOR

MOTOR ASSY, hydrostatic fixed, Includes all parts listed

2шт.

1

123100C1

SEAL

shaft lip

1шт.

2

133487C1

RING

bearing retainer

1шт.

3

HOUSING, motor, Not serviced separately order 1-128139C92 motor assy

1шт.

4

133486C1

WASHER

bearing retainer

1шт.

5

572564R1

BEARING CUP

BEARING, cup

1шт.

6

463911R91

ROLLER BEARING,1" ID x 0.58"

BEARING, front cone

1шт.

7

HOUSING, end cap, Not serviced separately order 1-128139C92 motor assy

1шт.

8

133484C1

VALVE

by-pass w/9/16-18 unf thread and 3.307 inch length

1шт.

8

133482C1

VALVE

by-pass w/5/8-18 unf thread and 3.195 inch length

1шт.

9

319675R1

SCREW, 7/16 x 2.500 type 8 12 Pt Flg, 7/16"-14 x 2 1/2", G8

4шт.

133481C1

WASHER, plain

4шт.

10

133466C1

PIN

valve plate

1шт.

11

71905C1

GASKET

end cap

1шт.

12

651814R1

BEARING CUP

BEARING, rear cup

1шт.

224331C1

SHIM

bearing cup

1шт.

13

133467C1

PLATE

valve

1шт.

14

651815R91

BEARING ASSY,7.508" ID x 17.82" OD x 6"

BEARING, rear cone

1шт.

14

651815R91GV

BEARING CONE

Value, Cone Bearing

1шт.

15

133468C91

KIT

cylinder block

1шт.

16

133470C1

PLATE

thrust

1шт.

17

133488C1

RING

lip seal retaining

1шт.

18

133485C1

SHAFT

motor

1шт.

19

71893C1

WASHER, valve back-up, For use w/133484C1 valve

1шт.

19

133483C1

WASHER

valve back-up, For use w/133482C1 valve

1шт.

20

379366R1

O-RING,0.07" Thk x 0.301" ID, -11, Cl 6, 90 Duro

valve, For use w/133484C1 valve

1шт.

20

379365R1

O-RING,0.07" Thk x 0.364" ID, -12, Cl 6, 90 Duro

valve, For use w/133482C1 valve

1шт.

21

HOUSING, valve relief, Not serviced separately order 1-128139C92 motor assy

1шт.

180112

BOLT,Hex, 5/16" - 18 x 2 3/4", Gr 5

5/16-18 x 2-3/4 hex-hd

4шт.

394880R1

WASHER

manifold valve

4шт.

22

9410356

PLUG

7/16-20 o-ring boss

2шт.

369751R1

O-RING,0.072" Thk x 0.351" ID, -904, Cl 6, 90 Duro

4-1, 90 Duro, .351" ID x .072" Thk, 1/4 OD tube

2шт.

23

133489C1

WASHER

valve back-up

2шт.

24

377952R1

O-RING,0.103" Thk x 0.549" ID, -113, Cl 6, 90 Duro

valve

2шт.

25

133360C2

VALVE

ASSY, relief, Consists of

2шт.

NSS

NOT SOLD SEPARAT

VALVE

1шт.

297459R1

O-RING,0.116" Thk x 1.048" ID, -914, Cl 6, 90 Duro

1шт.

20947R1

O-RING,0.103" Thk x 0.799" ID, -117, Cl 6, 90 Duro

1шт.

393887R1

BACK-UP RING

WASHER

2шт.

26

297459R1

O-RING,0.116" Thk x 1.048" ID, -914, Cl 6, 90 Duro

1.048 I.D. relief valve, Part of 393885R91 package

2шт.

27

20947R1

O-RING,0.103" Thk x 0.799" ID, -117, Cl 6, 90 Duro

.8125 I.D. relief valve, Part of 393885R91 package

2шт.

28

393887R1

BACK-UP RING

WASHER, relief valve back-up, Part of 393885R91 package

4шт.

29

VALVE, relief, For serviced order 133360C2 valve assy

2шт.

393885R91

GASKET KIT

PACKAGE, relief valve service, Consists of

1шт.

393887R1

BACK-UP RING

WASHER

4шт.

20947R1

O-RING,0.103" Thk x 0.799" ID, -117, Cl 6, 90 Duro

2шт.

297459R1

O-RING,0.116" Thk x 1.048" ID, -914, Cl 6, 90 Duro

2шт.

133361C91

PACKAGE

gasket and seal, Refer to item no. 8, Consists of

1шт.

71905C1

GASKET

1шт.

123100C1

SEAL

1шт.

3777952R1

O-RING

2шт.

20947R1

O-RING,0.103" Thk x 0.799" ID, -117, Cl 6, 90 Duro

2шт.

297459R1

O-RING,0.116" Thk x 1.048" ID, -914, Cl 6, 90 Duro

2шт.

393887R1

BACK-UP RING

WASHER

4шт.

133489C1

WASHER

2шт.

71893C1

WASHER

1шт.

379366R1

O-RING,0.07" Thk x 0.301" ID, -11, Cl 6, 90 Duro

1шт.

145275C91

PACKAGE

gasket and seal, Refer to item no. 8, Consists of

1шт.

71905C1

GASKET

1шт.

123100C1

SEAL

1шт.

377952R1

O-RING,0.103" Thk x 0.549" ID, -113, Cl 6, 90 Duro

2шт.

20947R1

O-RING,0.103" Thk x 0.799" ID, -117, Cl 6, 90 Duro

2шт.

297459R1

O-RING,0.116" Thk x 1.048" ID, -914, Cl 6, 90 Duro

2шт.

393887R1

BACK-UP RING

WASHER

4шт.

133489C1

WASHER

2шт.

379365R1

O-RING,0.07" Thk x 0.364" ID, -12, Cl 6, 90 Duro

1шт.

133483C1

WASHER

1шт.

Выбрано товаров: 67