Запчасти Case IH 650 (06) - ENGINE ADAPTER PARTS AND VARI-DRIVE

Схема запчастей Case IH 650 - (06) - ENGINE ADAPTER PARTS AND VARI-DRIVE
FIT
1:1
100%

Артикул

Название

Примечание

Количество

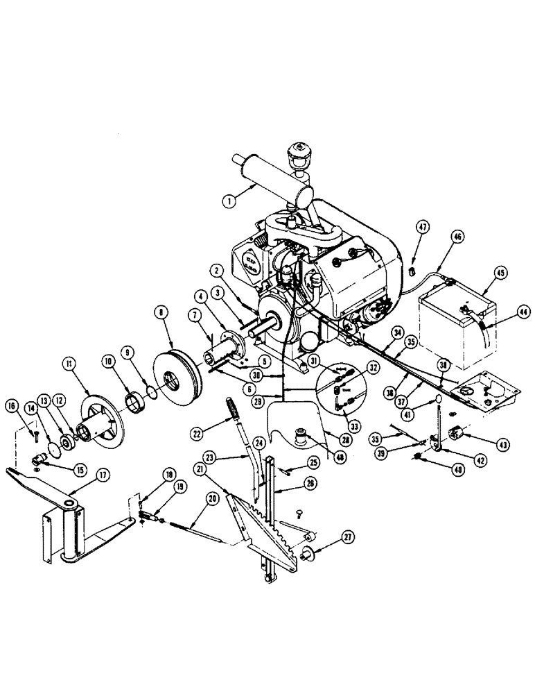
1

FHO41335

MUFFLER

1шт.

2

FH113985

BOLT - draw

2шт.

3

W9286-S

KEY

1шт.

4

FH297408

HUB

1шт.

5

138-142

LOCK PIN,1/4" x 2", Slotted

PIN, 1/4" x 2", Slotted

1шт.

6

FH129601

KEY

1шт.

7

138-105

LOCK PIN,3/16" x 2 1/4", Slotted

PIN, LOCK, 3/16" x 2 1/4", Slotted

1шт.

8

FH318378

SHEAVE

1шт.

9

FHO52027

RING, SNAP

SNAP RING

1шт.

10

FHO50229

BEARING, ROLLER

BEARING - needle

1шт.

11

F2448

HALF SHEAVE

1шт.

12

FHO52019

SNAP RING

1шт.

13

O3163CS

X

BEARING - ball

1шт.

14

FHO52035

RING, SNAP

SNAP RING

1шт.

15

FH318329

BEARING - spindle (Replaced by FH382788 when exhausted)

1шт.

FH382788

BEARING - spindle (Replaces FH318329 when exhausted)

1шт.

16

O2809CS

PIN - clevis 3/8" x 1-1/2"

1шт.

17

FH318428

PIVOT

1шт.

18

FHO63685

PIN - clevis 1/2" x 1-1/2"

1шт.

19

O381SC

CLEVIS

1шт.

20

FH318139

CONTROL

1шт.

21

FH317578

QUADRANT

1шт.

22

FHO27086

X

GRIP

1шт.

23

FH318105

LEVER - vari-drive

1шт.

24

FHO58925

SPRING

1шт.

25

FHO72835

SCREW - shoulder

1шт.

26

FH317636

LEVER

1шт.

27

FH318337

BUSHING

1шт.

28

FH751453

TANK - fuel

1шт.

29

FH318162

LINE

- fuel

1шт.

30

FHO41152

CLAMP - line

2шт.

31

FHO46029

X

FITTING - half union

1шт.

32

221-52

BUSHING,Hex, 3/8" x 1/8" NPT

- NPTF reducible pipe

1шт.

33

FHO46961

FITTING - elbow union 3/8" x 1/8" NPTF

1шт.

34

FH297242

CLAMP - wiring

3шт.

35

FH721134

CONTROL - throttle

1шт.

36

FH721209

HARNESS - wire

1шт.

37

FH721217

CONTROL - choke

1шт.

38

FH751628

CLAMP

1шт.

39

FH317883

PIN - pivot

1шт.

40

FHO58024

SPRING - compression

1шт.

41

FHO41848

KNOB

1шт.

42

FH297200

LEVER - throttle

1шт.

43

FH760264

DISC - friction

1шт.

44

FH721324

CABLE - ground, positive

1шт.

45

FHO41616

RACK - battery, upper

1шт.

46

FH721159

CABLE - battery, negative

1шт.

47

FH125971

CLAMP

1шт.

48

FHO45088

CAP

- fuel tank

1шт.

G44805

X

BATTERY - 12 volt (Ground positive terminal) Note: Order M20405

1шт.

M20405

X

BATTERY - 12 volt

1шт.

Выбрано товаров: 51