Запчасти Case IH 6500 (7-02) - PARK BRAKE GROUP (07) - BRAKES

Схема запчастей Case IH 6500 - (7-02) - PARK BRAKE GROUP (07) - BRAKES
FIT
1:1
100%

Артикул

Название

Примечание

Количество

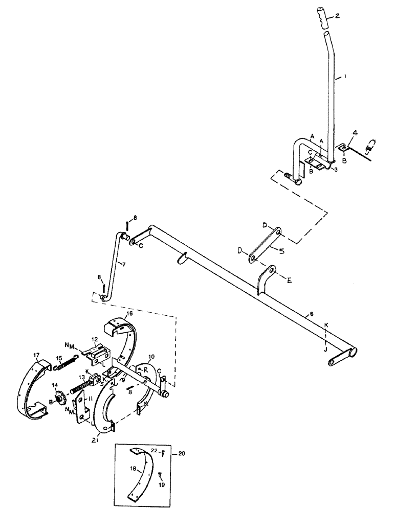
1

1336317C1

LEVER

- brake

1шт.

2

1336318C1

GRIP

- handle

1шт.

3

1336319C1

BRACKET

- pivot

1шт.

a

598809R1

CARRIAGE BOLT,Sht Sq Nk, 3/8" - 16 x 3/4", Gr 5

BOLT - round head square neck, 3/8 NC x 3/4 inch

4шт.

b

482256R1

BEARING LOCK NUT,Flg, USR, 3/8"-16

- serrated flange lock, 3/8 inch NC

4шт.

c

495-11053

WASHER,1/2", SAE

- flat, 17/32 I.D. (Shim)

1шт.

4

1336320C1

BRACKET

MOUNT - brake light switch

1шт.

5

1336321C1

LINK

- brake

1шт.

d

9413956

LOCK NUT,1/2"-13, GB

NUT - lock, 1/2 inch NC distorted thread

2шт.

e

180177

BOLT,Hex, 1/2" - 13 x 1 1/2", Gr 5

CAPSCREW - hex head, 1/2 NC x 1-1/2 inch

1шт.

6

1336322C1

PIPE

- brake

1шт.

j

441549R1

CARRIAGE BOLT,Sq Nk, 3/8" - 16 x 2 1/2", Gr 5

BOLT - round head square neck, 3/8 NC x 2-1/2 inch

3шт.

k

9413953

LOCK NUT,3/8"-16, GB

NUT - lock, 3/8 inch NC distorted thread

3шт.

7

1336323C1

ROD

- brake

2шт.

c

495-11053

WASHER,1/2", SAE

- flat, 17/32 I.D.

4шт.

8

432-1220

COTTER PIN,3/16" x 1 1/4"

Pin, Split (Cotter), 3/16" x 1 1/4"

6шт.

9

1336324C1

PIPE

- brake engaging - 15-1/2 inch (395 MM) overall length

2шт.

9

1960437C1

PIPE

- brake engaging - 17-1/2 inch (445 MM) overall length

2шт.

10

1336326C1

SHIELD

"B" - L/H front and R/H rear

2шт.

k

9413953

LOCK NUT,3/8"-16, GB

NUT - lock, 3/8 inch NC distorted thread

4шт.

q

495967R1

CARRIAGE BOLT,Short NK, 3/8"-16 x 1", G5, Full Thd

BOLT - round head square neck, 3/8 NC x 1 inch

2шт.

r

113-206

BOLT,Hex, 3/8" - 16 x 3/4", Gr 5, Full Thd

CAPBOLT - hex head, 3/8 NC x 3/4 inch

2шт.

11

1336327C1

GUIDE

- brake band

4шт.

l

271548

BOLT (SPREADER),Hex, 5/8" - 11 x 1 3/4", Gr 5

CAPSCREW - hex head, 5/8 NC x 1-3/4 inch

12шт.

m

492-11062

BEARING WASHER,5/8"

WASHER, LOCK, 5/8"

12шт.

n

280374

NUT,Hex, 5/8" - 11, Gr 5

- hex, 5/8 inch NC

12шт.

12

1336328C2

ANCHOR

- brake

2шт.

l

NLS

NO LONGER SERVICED

CAPSCREW - hex head, 5/8 NC x 1-3/4 inch

4шт.

m

492-11062

BEARING WASHER,5/8"

WASHER, LOCK, 5/8"

4шт.

n

280374

NUT,Hex, 5/8" - 11, Gr 5

- hex, 5/8 inch NC

4шт.

13

1336329C1

ROD

- adjuster

2шт.

k

9413953

LOCK NUT,3/8"-16, GB

NUT - lock, 3/8 inch NC distorted thread

2шт.

s

180124

BOLT,Hex, 3/8" - 16 x 1 1/4", Gr 5

CAPSCREW - hex head, 3/8 NC x 1-1/4 inch

2шт.

b

482256R1

BEARING LOCK NUT,Flg, USR, 3/8"-16

- serrated flange lock, 3/8 inch NC

2шт.

14

1336330C1

ADJUSTER

- brake

2шт.

15

1336331C1

SPRING

- tension

2шт.

16

1336332C1

BAND

ASSEMBLY "A" - includes items 18 & 19

2шт.

17

1336333C1

BAND

ASSEMBLY "B" - includes items 18, 19 & 22

2шт.

18

1336334C1

LINING

- brake

4шт.

19

24699R1

RIVET,FH, 9/64" x 7/16", Brass

- tubular brass, 9/64 dia. x 1/2 in. long x 3/8 dia. head

30шт.

20

1336335C1

KIT

LINING KIT - includes one of item 18, eight of item 19 and one of item 22

1шт.

21

1336325C1

SHIELD

"A" - R/H front and L/H rear

2шт.

22

RIVET - pop, 3/16 dia. x 1/4 to 3/8 inch grip range

2шт.

Выбрано товаров: 0