Запчасти Case IH 6500 (9-12) - WALKING BEAM AND CASTERS (09) - CHASSIS

Схема запчастей Case IH 6500 - (9-12) - WALKING BEAM AND CASTERS (09) - CHASSIS
FIT
1:1
100%

Артикул

Название

Примечание

Количество

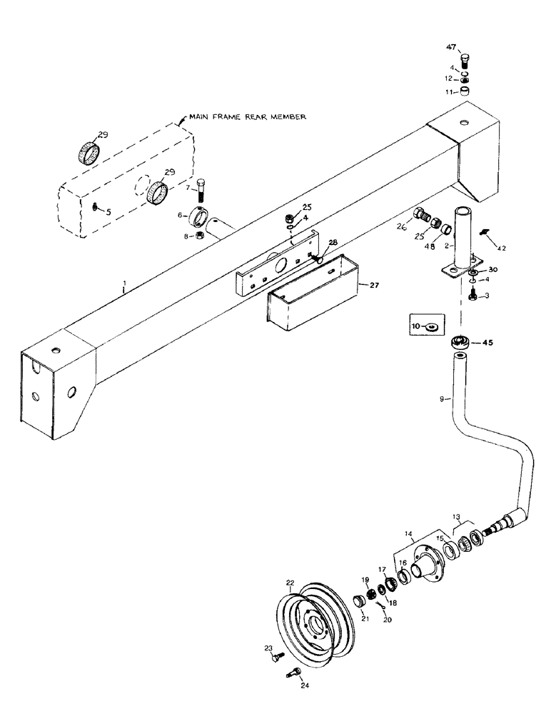
1

1336950C1

AXLE

BEAM - 10 foot, c/w decals

1шт.

2

1336957C1

AXLE

PIVOT - caster

2шт.

3

180177

BOLT,Hex, 1/2" - 13 x 1 1/2", Gr 5

CAPSCREW - hex head, 1/2 NC x 1-1/2 inch

4шт.

4

120384

WASHER,1/2"

LOCK, 1/2"

10шт.

5

219-8

LUBE NIPPLE,1/4" - 28 NPTF

NIPPLE, LUBE, 1/4"-28 NPT x .54" lg

1шт.

6

1336952C1

SLEEVE

- beam

1шт.

7

180194

BOLT,Hex, 1/2" - 13 x 4", Gr 5

CAPSCREW - hex head, 1/2 NC x 4 inch

1шт.

8

9413956

LOCK NUT,1/2"-13, GB

NUT - lock, 1/2 inch NC distorted thread

1шт.

9

1336953C1

AXLE

CASTER - tail wheel

2шт.

10

1336954C1

WASHER

- flat 0.78 I.D. x 2 O.D. x 1/4 inch thick

2шт.

11

573713R1

SPACER,3/4" Tube x 11/16"

- .66 inch long, used with thrust washer (Ref. item 10)

2шт.

11

1960318C1

SPACER

- .94 inch long, used with thrust bearing (Ref. item 4-5)

2шт.

12

57343C2

WASHER - flat

2шт.

13

602957R91

BEARING ASSY,31.75mm ID x 59.13mm OD x 16mm W

CONE - bearing, c/w seal

2шт.

14

824255C91

HUB

- c/w bearing cups

2шт.

15

651817R1

BEARING CUP

CUP - inner bearing

2шт.

16

651814R1

BEARING CUP

CUP - outer bearing

2шт.

17

651815R91

BEARING ASSY,7.508" ID x 17.82" OD x 6"

CONE - bearing

2шт.

17

651815R91GV

BEARING CONE

Value, Cone Bearing

2шт.

18

467750R1

WASHER

- flat, 13/16 inch I.D.

2шт.

19

427640

SLOTTED NUT,3/4"-16, G5

NUT - slotted hex, 3/4 inch NF

2шт.

20

432-1220

COTTER PIN,3/16" x 1 1/4"

Pin, Split (Cotter), 3/16" x 1 1/4"

2шт.

21

824257C1

CAP

- dust

2шт.

22

824089C1

RIM

- wheel, 14 x 6 KB (For 7.5 or 8.5L tires)

2шт.

23

351079R1

BOLT,Hex Counter Shank, 1/2" - 20 x 23/32"

- wheel, 1/2 NF x 3/4 inch

10шт.

24

387841R91

VALVE

- tire

2шт.

25

120378

NUT,Hex, 1/2" - 13, Gr 5

NUT, 1/2"-13, G5

6шт.

26

1336958C1

BOLT,Hex, 1/2" - 13 x 51mm, Gr 5, Full Thd

CAPSCREW - hex head, 1/2 NC x 2 inch, thread full length

2шт.

27

1336955C1

BAR

BRACKET - weight

1шт.

28

88530

CARRIAGE BOLT,Sq Nk, 1/2" - 13 x 1 3/4", Gr 5

BOLT - round head square neck, 1/2 NC x 1-3/4 inch

4шт.

29

1336956C1

BUSHING

- bronze

2шт.

30

NLS

NO LONGER SERVICED

- flat, 17/32 inch I.D.

4шт.

42

219-8

LUBE NIPPLE,1/4" - 28 NPTF

NIPPLE, LUBE, 1/4"-28 NPT x .54" lg

2шт.

45

1960319C1

BEARING WASHER

- thrust

2шт.

47

180179

BOLT,Hex, 1/2" - 13 x 1 3/4", Gr 5

CAPSCREW - hex head, 1/2 NC x 1-3/4 inch

2шт.

48

573713R1

SPACER,3/4" Tube x 11/16"

- bolt

2шт.

Выбрано товаров: 36