Запчасти Case IH 725 (07-004) - HEADER FRAME ASSEMBLY (58) - ATTACHMENTS/HEADERS

Схема запчастей Case IH 725 - (07-004) - HEADER FRAME ASSEMBLY (58) - ATTACHMENTS/HEADERS
10
17
19
4
15
4
13
17
9
8
7
5
7
11
14
1
16
18
20
3
17
2
1
12
7
6
FIT
1:1
100%

Артикул

Название

Примечание

Количество

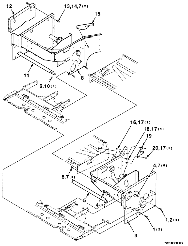
1

700711262

BOLT

SCREW flange, hex, 5/8"-11 x 1-1/2", grade 8

6шт.

2

232-53110

FLANGE NUT,Flg, 5/8"-11

4шт.

3

700149766

FRAME

WA left

1шт.

4

8701237

BOLT

SCREW flange, hex, 1/2"-13 x 1-1/2", grade 8

8шт.

5

700149841

SUPPORT

shield, left

1шт.

6

700710984

SCREW,Hex Flg, 1/2" x 1 1/4", G8 NC

8шт.

7

231-5348

FLANGE NUT,Flg, 1/2"-13

lock, hex flange top, GR/G, 1/2"-13

16шт.

8

700149767

FRAME

WA right

1шт.

9

121-115

SERRATED BOLT,Hex, 5/16" - 18 x 3/4"

6шт.

10

231-5145

SERRATED NUT,Flg, USR, 5/16"-18

6шт.

11

700149969

SUPPORT

shield, right

1шт.

12

700149846

WEIGHT

1шт.

13

411-864

CARRIAGE BOLT,Sq Nk, 1/2" - 13 x 4", Gr 2

BOLT square neck, round head, 1/2"-13 x 4"

2шт.

14

700711557

WASHER

plain, wide, hardened, 1/2"

2шт.

15

700149972

SUPPORT

right

1шт.

16

433-620

CARRIAGE BOLT,Sq Nk, 3/8" - 16 x 1 1/4", Gr 5

2шт.

17

232-5316

FLANGE NUT,Flg, 3/8"-16

lock, hex flange top, GR/G, 3/8"-16

8шт.

18

434-616

CARRIAGE BOLT,Sht Sq Nk, 3/8" - 16 x 1", Gr 5

4шт.

19

700149970

SUPPORT

left

1шт.

20

111-361

CARRIAGE BOLT,Short NK, 3/8"-16 x 1 1/2", G5

2шт.

Выбрано товаров: 20