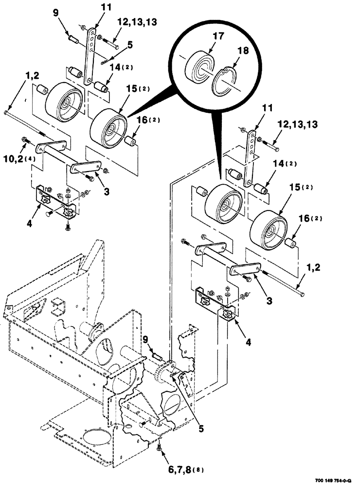
Запчасти Case IH 725 (07-022) - GAUGE WHEEL ASSEMBLY (44) - WHEELS

Схема запчастей Case IH 725 - (07-022) - GAUGE WHEEL ASSEMBLY (44) - WHEELS
18
11
13
5
13
8
3
2
9
6
14
1
4
1
17
16
4
13
9
12
5
16
15
3
13
2
11
12
7
14
10
15
2
FIT
1:1
100%

Артикул

Название

Примечание

Количество

1

7773419

BOLT

hex, 1/2"-13 x 12"

2шт.

2

231-5348

FLANGE NUT,Flg, 1/2"-13

lock, hex flange top, GR/G, 1/2"-13

6шт.

3

700149953

STRAP

ARM, WA

2шт.

4

700130291

ANGLE

2шт.

5

S120261

PIN

cotter, wire hair, .148

2шт.

6

433-820

CARRIAGE BOLT,Sq Nk, 1/2" - 13 x 1 1/4", Gr 5

8шт.

7

705541

WASHER,0.53" ID x 1.06" OD x 0.14" Thk

plain, hardened, 1/2"

8шт.

8

425-108

NUT,1/2" - 13, Gr 5

8шт.

9

A35113

PIN

clevis, 3/4" x 2"

2шт.

10

8701237

BOLT

SCREW hex flange, 1/2"-13 x 1-1/2", grade 8

4шт.

11

700130292

STRAP

2шт.

12

413-864

BOLT,Hex, 1/2" - 13 x 4", Gr 5

SCREW cap, hex, 1/2"-13 x 4"

2шт.

13

231-5148

FLANGE NUT,Flg, USR, 1/2"-13

4шт.

14

700130290

SPACER

4шт.

15

700119691

WHEEL

ASSEMBLY, Includes: Ref. 17 and 18

4шт.

16

700130293

SPACER

4шт.

17

700709106

BEARING, ROLLER, CYL,29.99mm ID x 55mm OD x 23.02mm W

double row

1шт.

Part of Wheel Assembly Ref.15 P/N 700119691

1шт.

18

100-21218

SNAP RING,2.165", Int, #216

1шт.

Part of Wheel Assembly Ref.15 P/N 700119691

1шт.

Выбрано товаров: 20