Запчасти Case IH 725 (09-004) - ELECTRICAL SWATHBOARD ACTUATOR (55) - ELECTRICAL SYSTEMS

Схема запчастей Case IH 725 - (09-004) - ELECTRICAL SWATHBOARD ACTUATOR (55) - ELECTRICAL SYSTEMS
7
3
6
3
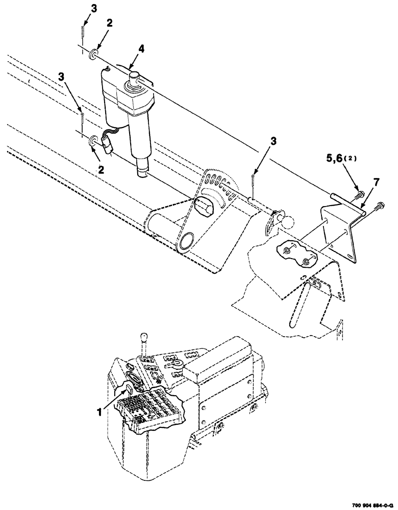
1
5
2
4
2
3
FIT
1:1
100%

Артикул

Название

Примечание

Количество

HK10615

SKID/SHOE

ACTUATOR swathboard, electric

1шт.

HK60962

ACTUATOR swathboard, electric

1шт.

Order thru wholegoods only

1шт.

1

700718426

BREAKER

circuit, 15 amp.

1шт.

2

705541

WASHER,0.53" ID x 1.06" OD x 0.14" Thk

plain, hardened, 1/2"

2шт.

3

432-812

COTTER PIN,3/4" OAL x 1/8" W

3шт.

4

700716432

ACTUATOR

1шт.

5

121-115

SERRATED BOLT,Hex, 5/16" - 18 x 3/4"

2шт.

6

231-5145

SERRATED NUT,Flg, USR, 5/16"-18

2шт.

7

700149966

SUPPORT

WA actuator

1шт.

Выбрано товаров: 10