Запчасти Case IH 840 (22) - REVERSE DRIVE

Схема запчастей Case IH 840 - (22) - REVERSE DRIVE
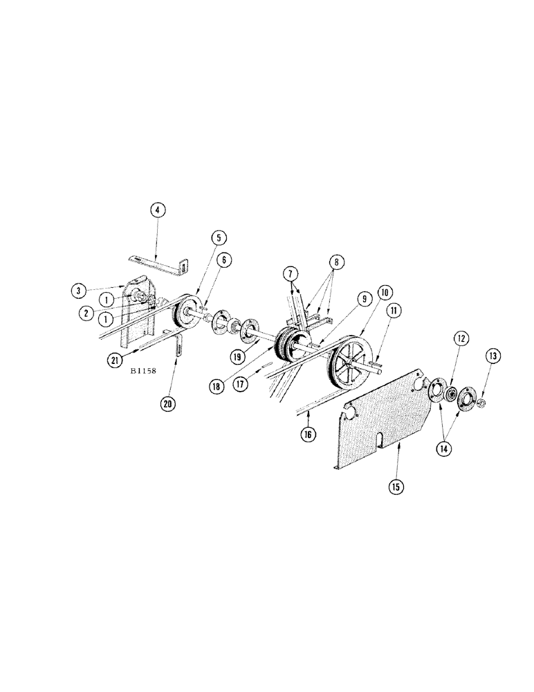
21
5
16
10
15
11
1
6
2
14
12
1
7
9
3
4
8
19
13
17
18
20
FIT
1:1
100%

Артикул

Название

Примечание

Количество

1

FHO47407

COUPLING - hydraulic pump

2шт.

2

FHO47415

SPIDER

1шт.

3

FH129809

MOUNTING - pump

1шт.

4

FH130062

BRACE - mounting

1шт.

5

F2452

PULLEY - header

1шт.

6

O3312AB

KEY

1шт.

7

FHO56325

BELT

- wheel drive

2шт.

8

FH132647

GUIDE - belt

3шт.

9

FH156620

KEY

1шт.

10

F2431

PULLEY - reverse

1шт.

11

O2227CH

KEY

1шт.

12

313CBA

BEARING (Fafnir #1103KLLB-3)

2шт.

13

O697CB

X

COLLAR

1шт.

14

O650CB

X

FLANGE

4шт.

15

FH128108

BRACKET - support

1шт.

16

FHO56333

BELT

Reverse Drive

1шт.

17

138-137

LOCK PIN,1/4" x 1 3/8", Slotted

PIN, 1/4" x 1 3/8", Slotted

1шт.

18

F2430

PULLEY - vari-steering

1шт.

19

FH129734

SHAFT - drive

1шт.

20

FH127258

GUIDE - belt

1шт.

21

FHO55590

X

BELT - header drive

1шт.

B12474

CHAIN (AG)

CHAIN SECTION (Contains 49 riveted and 1 conn. link #50 roller chain)

1шт.

B12475

CHAIN (AG)

CHAIN SECTION (Contains 19 riveted and 1 conn. link #50 roller chain)

1шт.

B12478

CHAIN SECTION (Contains 49 riveted and 1 conn. link #60 roller chain)

1шт.

B12480

CHAIN (AG)

CHAIN SECTION (Contains 9 riveted and 1 conn. link #60 roller chain)

1шт.

F94692

PIN - "S" for F94698 connecting link (Packaged 25 per box)

1шт.

B12505

LINK

- connecting, #50 roller chain

1шт.

B12507

CHAIN (AG)

LINK - roller, #50 roller chain

1шт.

B12508

CLIP

- spring, for B12505 conn. link (Pkg. 25 per box)

1шт.

F94698

LINK - connecting, #60 roller chain with "S" cotter pin

1шт.

B12511

LINK

- roller, #60 roller chain

1шт.

Выбрано товаров: 31