Запчасти Case IH 856 (26) - F49385 HYDRAULIC PUMP

Схема запчастей Case IH 856 - (26) - F49385 HYDRAULIC PUMP
FIT
1:1
100%

Артикул

Название

Примечание

Количество

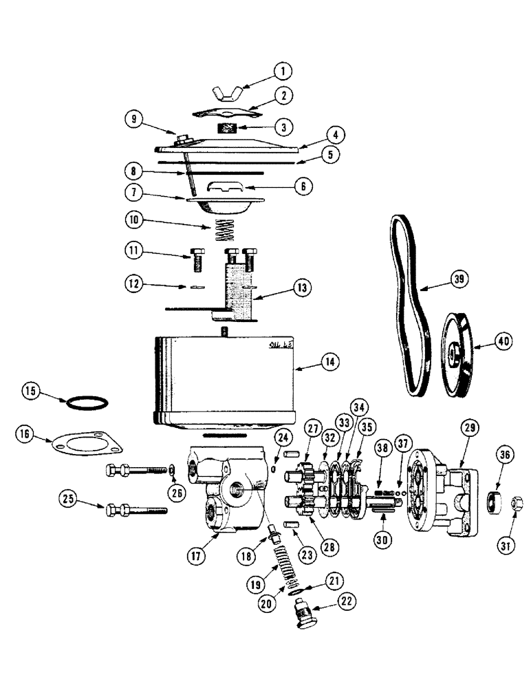
1

129-409

WING NUT,1/4"-20

NUT, WING, 1/4"-20

1шт.

2

FHO40782

CAP - breather

1шт.

3

FH730887

FILTER

- air

1шт.

4

F49893

LID - reservoir with gasket

1шт.

5

FHO40758

GASKET - lid

1шт.

6

FH730895

X

CAP - filter

1шт.

7

FH733766

X

POCKET - filter with gasket

1шт.

8

FH730762

GASKET - filter pocket

1шт.

F49630

KIT - reservoir lid gasket seal

1шт.

3

FH730887

FILTER

- air

1шт.

5

FHO40758

GASKET - lid

1шт.

8

FH730762

GASKET - filter pocket

1шт.

9

F49629

DIPSTICK

1шт.

10

FH730879

SPRING

1шт.

11

13-510

BOLT,Hex, 5/16" - 18 x 5/8", Gr 5, Full Thd

3шт.

12

92-5

LOCK WASHER,5/16"

3шт.

13

FH730275

FILTER

- reservoir

1шт.

14

F59832

RESERVOIR

1шт.

15

F8220

O-RING,0.103" Thk x 1.487" ID, -128, Cl 5, 75 Duro

"O" RING

1шт.

16

FH730259

GASKET

1шт.

17

F59814

KIT - back plate repair

1шт.

NSS

NOT SOLD SEPARAT

BODY

1шт.

NSS

NOT SOLD SEPARAT

SEAT - relief valve

1шт.

18

FH732180

VALVE POPPET

POPPET - relief valve

1шт.

19

FH730853

X

SPRING - relief valve

1шт.

20

F12267

WASHER

SHIM - relief valve

1шт.

21

F59121

O-RING

"O" RING

1шт.

22

FH734962

PLUG - hex.

1шт.

23

FH730804

PIN - dowel

2шт.

24

FH734244

X

"O" RING

2шт.

F49854

KIT - relief valve spring

1шт.

19

FH730853

X

SPRING

1шт.

20

F12267

WASHER

SHIM

2шт.

21

F59121

O-RING

"O" RING

1шт.

F49855

KIT - relief valve service

1шт.

20

F12267

WASHER

SHIM

3шт.

25

13-440

BOLT,Hex, 1/4" - 20 x 2-1/2", Gr 5

4шт.

26

FH730663

X

WASHER - aluminum

2шт.

27

FH731034

GEAR - idler

1шт.

28

FH731026

GEAR - idler

1шт.

29

FH731067

PLATE

- front

1шт.

30

FH731042

KEY

1шт.

31

25-115

NUT,5/16"-24, G5

- 5/16" NF hex

1шт.

FH734160

KIT

- seal repair

1шт.

3

FH730887

FILTER

- air

1шт.

5

FHO40758

GASKET

1шт.

8

FH730762

GASKET - filter pocket

1шт.

15

F8220

O-RING,0.103" Thk x 1.487" ID, -128, Cl 5, 75 Duro

"O" RING

1шт.

16

FH730259

GASKET

- reservoir

1шт.

21

F59121

O-RING

"O" RING

1шт.

24

FH734244

X

"O" RING

2шт.

26

FH730663

X

WASHER - aluminum

2шт.

32

FH731075

DIAPHRAGM

1шт.

33

FH730770

GASKET

- backup

1шт.

34

FH730788

GASKET

- protector

1шт.

35

FH730739

SEAL

- diaphragm

1шт.

36

FH730747

SEAL

- shaft

1шт.

37

FH730796

BALL - steel, 3/16"

2шт.

38

FH731059

X

SPRING

2шт.

39

F49406

BELT - pump drive (Not part of pump assembly)

1шт.

40

F49386

PULLEY - drive (Not part of pump assembly)

1шт.

Выбрано товаров: 61