Запчасти Case IH 950 (38) - PARTS FOR FHO42820 HYDRAULIC PUMP

Схема запчастей Case IH 950 - (38) - PARTS FOR FHO42820 HYDRAULIC PUMP
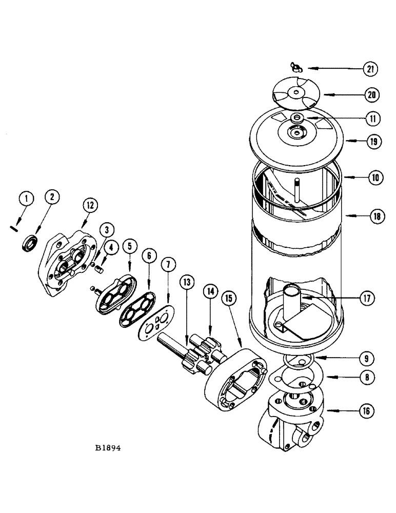
14
13
7
6
20
18
11
17
12
10
5
4
16
9
2
15
3
1
19
21
8
FIT
1:1
100%

Артикул

Название

Примечание

Количество

1

FHO40667

X

KEY - drive gear shaft

1шт.

FH730283

KIT

- repair, for FHO42820 pump

1шт.

2

FHO40626

SEAL - shaft

1шт.

3

211-6

BALL,7/32" Dia

steel 7/32" Dia

2шт.

4

F9883

SPRING

- steel ball

2шт.

5

FHO40659

SEAL

- diaphragm

1шт.

6

FHO40618

OIL SEAL

GASKET - back up

1шт.

7

FHO40600

BODY

DIAPHRAGM

1шт.

8

FH730259

GASKET

- reservoir

1шт.

9

F8220

O-RING,0.103" Thk x 1.487" ID, -128, Cl 5, 75 Duro

"O" RING

1шт.

10

FHO40758

GASKET - reservoir lid

1шт.

11

FHO40741

FILTER - air

1шт.

12

FHO40642

PLATE

- front

1шт.

13

FHO40675

GEAR - drive (Includes shaft)

1шт.

14

FHO40683

GEAR

- idler (Includes shaft)

1шт.

15

FHO40725

BODY

- pump

1шт.

16

FH730242

PLATE - back

1шт.

BOLT - 5/16" x 2-3/4" N.C. hex. (13-544)

2шт.

SCREW - 5/16" x 2-3/4" N.C. socket pt. set (166-33)

2шт.

17

FH730275

FILTER

- reservoir

1шт.

18

FH730515

RESERVOIR - pump

1шт.

BOLT - 5/16" x 5/8" N.C. hex. (13-510) L.W. (92-5)

3шт.

19

FHO40790

LID - reservoir

1шт.

20

FHO40782

CAP - breather

1шт.

21

129-409

WING NUT,1/4"-20

NUT, WING, 1/4"-20

1шт.

Выбрано товаров: 25