Запчасти Case IH 950 (64) - HAY CONDITIONER

Схема запчастей Case IH 950 - (64) - HAY CONDITIONER
13
45
55
23
48
4
51
6
11
15
41
32
7
38
43
49
10
30
1
37
18
46
53
26
35
57
12
21
42
8
20
27
34
5
50
28
2
9
31
39
19
36
56
22
24
33
47
17
25
52
3
14
58
44
40
29
16
54
FIT
1:1
100%

Артикул

Название

Примечание

Количество

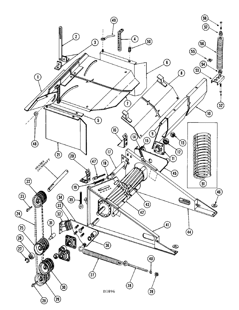
1

FH222406

SHIELD - deflector

1шт.

BOLT - 5/16" x 3/4" N.C. hex. (13-512) Nut (25-105) and L.W. (92-5)

2шт.

BOLT - 3/8" x 3/4" N.C. hex. (13-612) Nut (25-106) and L.W. (92-6)

4шт.

WASHER - 3/8" pl. (195-25)

8шт.

BOLT - 3/8" x 1" N.C. hex. (13-616) Nut (25-106) and L.W. (92-6)

1шт.

2

FH238204

STRAP - adjustment

1шт.

BOLT - 3/8" x 1" N.C. hex. (13-616) Nut (25-106) and L.W. (92-6) Pl. wshr. (195-25)

1шт.

3

FH238196

BRACKET - attachment

2шт.

BOLT - 3/8" x 3/4" N.C. hex. (13-612) Nut (25-106) and L.W. (92-6)

2шт.

4

FH267468

BRACKET - mounting

2шт.

BOLT - 3/8" x 3/4" N.C. hex. (13-612) L.W. (92-6)

4шт.

5

FHO27417

PAD - (Before #8242401)

2шт.

6

FH316887

SHIELD - L.H. Windrow forming (#8262501 and after)

1шт.

FH289397

SHIELD - L.H. Windrow forming (Before #8262501)

1шт.

BOLT - 3/8" x 3/4" N.C. hex. (13-612) Nut (25-106) and L.W. (92-6)

2шт.

7

FH316349

DEFLECTOR - (#8262501 and after)

1шт.

FH289389

DEFLECTOR - (Before #8262501)

1шт.

BOLT - 3/8" x 1" N.C. hex. (13-616) Nut (25-106) and L.W. (92-6)

6шт.

8

FH267401

EXTENSION - shield

1шт.

BOLT - 5/16" x 3/4" N.C. hex. (13-512) Nut (25-105) and L.W. (92-5) Pl. wshr. (195-21)

6шт.

9

FH289439

COVER - shield

1шт.

10

FH267435

PLATE - filler

1шт.

BOLT - 5/16" x 3/4" N.C. hex. (13-512) Nut (25-105) and L.W. (92-5) Pl. wshr. (195-21)

3шт.

11

FHO50435

FLANGE

HOUSING

3шт.

SCREW - cap 3/8" x 3/4" N.C. fl. hd. (66-612) Nut (25-106) and L.W. (92-6)

16шт.

FITTING - grease 1/8" 90 degrees (219-55)

4шт.

12

1925CSA

BEARING - (Fafnir #G1108KLLB)

1шт.

13

O2991CS

X

COLLAR

1шт.

14

FH235168

STOP - L.H., roll

1шт.

15

FHO27409

PAD

1шт.

FHO64014

RIVET

4шт.

16

FH267369

BRACKET - left, rear mounting

1шт.

BOLT - 3/8" x 1" N.C. hex. (13-616) Nut (25-106) and L.W. (92-6)

3шт.

BOLT - 1/2" x 1-3/4" N.C. hex. (13-828) Nut (25-108) and L.W. (92-8) Pl. wshr. (195-33)

2шт.

17

FH267245

BRACE - cross

1шт.

18

FH270512

BRACKET - drawbolt (Replaced by FH307256 when stocks are exhausted)

1шт.

19

FH700229

DRAWBOLT - (Replaced by FH307256 when stocks are exhausted)

1шт.

NUT - 1/2" N.C. (25-108) L.W. (92-8) Fl. wshr. (95-8)

1шт.

20

FH267377

BRACKET - right, rear mounting

1шт.

BOLT - 3/8" x 1" N.C. hex. (13-616) Nut (25-106) and L.W. (92-6)

3шт.

BOLT - 1/2" x 1-3/4" N.C. hex. (13-828) Nut (25-108) and L.W. (92-8) Pl. wshr. (195-33)

2шт.

Выбрано товаров: 41