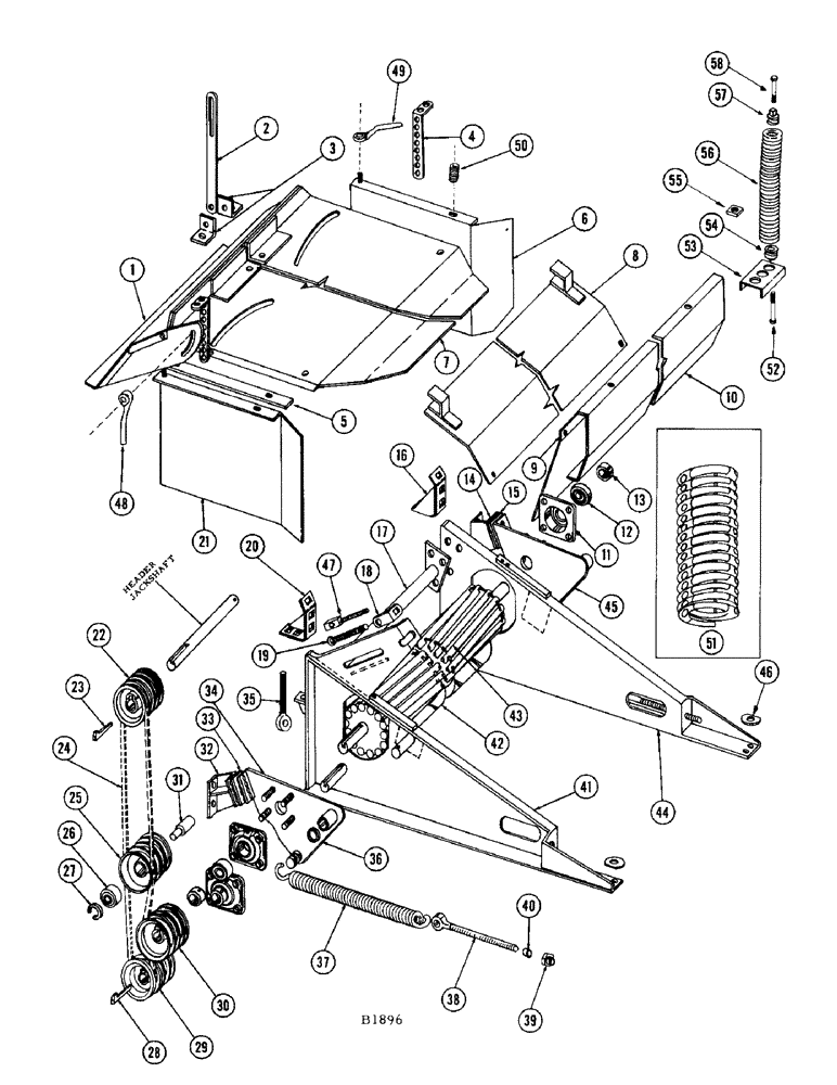
Запчасти Case IH 950 (66) - HAY CONDITIONER (CONTD), COMPRESSION SPRING FLOTATION, TENSION SPRING FLOTATION

Схема запчастей Case IH 950 - (66) - HAY CONDITIONER (CONTD), COMPRESSION SPRING FLOTATION, TENSION SPRING FLOTATION
30
24
21
8
33
47
51
56
52
20
12
55
13
53
44
27
23
45
54
5
22
36
58
19
15
18
39
3
25
2
35
17
10
34
11
46
49
40
31
41
28
7
26
42
57
1
14
4
32
37
29
9
16
50
6
43
48
38
FIT
1:1
100%

Артикул

Название

Примечание

Количество

21

FH315937

SHIELD - R.H. Windrow forming (#8262501 and after)

1шт.

21

FH289405

SHIELD - R.H. (Before #8262501)

1шт.

BOLT - 3/8" x 3/4" N.C. hex. (13-612) Nut (25-106)

2шт.

22

FH267492

SHEAVE - drive

1шт.

23

FHO61739

KEY

- gib

1шт.

24

FH267500

SET OF BELTS

SET OF 4 BELTS (Matched), Drive

1шт.

25

FH267484

SHEAVE - idler

1шт.

BOLT - 5/8" x 4" N.C. hex. (13-1064) Nut (25-1010) and L.W. (92-10) Fl. wshr. (95-10)

1шт.

26

N4651

BALL BEARING,0.9843" ID x 2.0472" OD x 0.5906"

BEARING - (N.D. Z99505)

1шт.

27

O2822CK

X

SNAP RING

1шт.

28

FHO61796

KEY

2шт.

29

FH279257

SHEAVE

1шт.

30

FH279240

SHEAVE

1шт.

31

FH289785

SPACER - (#8242401 and after)

1шт.

31

FH26526

SPACER - (Before #8242401)

1шт.

32

FH235176

STOP - R.H., roll

1шт.

33

FHO27409

PAD

1шт.

FHO64014

RIVET - (.123 x 9/16" ctsk.)

4шт.

34

FH267278

ARM - pivot, R.H.

1шт.

SCREW - 1/2" x 1-1/2" N.C. fl. hd. mach. (73-824)

4шт.

35

FH238469

DRAWBOLT - stop adjustment

2шт.

NUT - 3/8" N.C. (25-106) L.W. (92-6)

2шт.

36

FHO52282

WASHER

2шт.

37

FHO58537

SPRING - tension

2шт.

38

FH235150

DRAWBOLT - tension adjustment

2шт.

NUT - 5/8" N.C. jam (25-1410)

2шт.

39

FHO26252

NUT

2шт.

40

Y3

SPACER

2шт.

41

FH267310

PANEL - R.H. side

1шт.

BOLT - 5/8" x 1-1/2" N.C. hex. (13-1024) Nut (25-1010) L.W. (92-10) and pl. wshr. (195-41)

1шт.

42

FHO27599

ROLL - pressure and pickup

1шт.

43

FH267351

ROLL - crusher

1шт.

44

FH267302

PANEL - L.H. side

1шт.

SCREW - 1/2" x 1-1/2" N.C. fl. hd. mach. (73-824)

4шт.

45

FH267260

ARM - pivot, L.H.

1шт.

BOLT - 5/8" x 1-1/2" N.C. hex. (13-1024) Nut (25-1010) L.W. (92-10) and pl. wshr. (195-41)

1шт.

46

FH240317

WASHER

1шт.

47

FH307256

DRAWBOLT - (Replaces FH270512 and FH700229 when stocks are exhausted)

1шт.

48

FHO66472

NUT - lever, deflector (#8262501 and after)

2шт.

BOLT - 5/16" x 1-1/4" rhd. sq. nk. (111-204) Wshr. (195-104)

2шт.

49

FHO66423

NUT - lever forming shield (#8262501 and after)

2шт.

LOCKWASHER - 3/8" (192-21) Fl. wshr. (195-104)

2шт.

50

FHO58853

SPRING - forming shield bolt (#8262501 and after)

2шт.

BOLT - 3/8" x 1-3/4" N.C. hex. (113-233) Nut (129-103)

2шт.

WASHER - 3/8" flat (195-104)

2шт.

51

FHO58305

SPRING - heavy load

2шт.

52

113-606

BOLT,Hex, 5/8" - 11 x 1-1/4", Gr 5, Full Thd

2шт.

LOCKWASHER - 5/8" (92-10)

2шт.

53

FH287581

BRACKET

1шт.

54

FH299230

PLUG

1шт.

55

25-2810

SQUARE NUT

- 5/8" N.C. square

1шт.

56

FHO58826

SPRING

1шт.

57

FH299222

PLUG

1шт.

58

13-820

BOLT,Hex, 1/2" - 13 x 1-1/4", Gr 5, Full Thd

1шт.

Выбрано товаров: 54