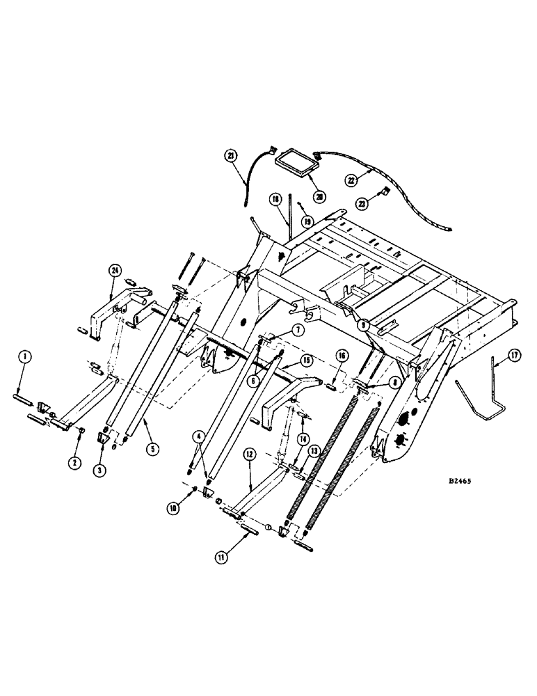
Запчасти Case IH 950 (042) - MAIN FRAME AND HEADER LIFT

Схема запчастей Case IH 950 - (042) - MAIN FRAME AND HEADER LIFT
FIT
1:1
100%

Артикул

Название

Примечание

Количество

1

FH299172

PIN - lower, spring

2шт.

132-95

COTTER PIN,3/16" x 1 1/2"

Pin, Split (Cotter), 3/16" x 1 1/2"

4шт.

2

O4710C

SPACER

4шт.

3

FH299180

BRACKET - lower, spring

4шт.

4

FH299230

PLUG

- spring, lower

6шт.

13-820

BOLT,Hex, 1/2" - 13 x 1-1/4", Gr 5, Full Thd

6шт.

92-8

LOCK WASHER,1/2"

6шт.

5

FHO58826

SPRING - header lift

6шт.

6

FH299222

PLUG - spring, upper

6шт.

13-1020

BOLT,Hex, 5/8" - 11 x 1-1/4", Gr 5, Full Thd

6шт.

92-10

LOCK WASHER,5/8"

WASHER, LOCK, 5/8"

6шт.

25-2810

SQUARE NUT

- 5/8" N.C. sq.

3шт.

7

FH287581

BRACKET - upper, spring

4шт.

8

FH299347

PIN - upper, spring

4шт.

132-95

COTTER PIN,3/16" x 1 1/2"

Pin, Split (Cotter), 3/16" x 1 1/2"

4шт.

9

FHO73627

BOLT - header lift spring

4шт.

25-1010

NUT,5/8"-11, G5

4шт.

10

195-2096

BUSHING - 1" x 14 ga. mach.

2шт.

11

FH158501

SPACER - lower lift arm

2шт.

12

FH299206

ARM - lower lift

2шт.

86636814

LUBE NIPPLE,1/4"-28 x .52" lg

FITTING - grease, 1/4" - 28

2шт.

219-58

FITTING

- grease 1/4" - 28 x 90 degrees

2шт.

13-1280

BOLT,Hex, 3/4" - 10 x 5", Gr 5

Nut and L.W. Hex, 3/4"-10 x 5", G5

2шт.

13-1296

BOLT,Hex, 3/4" - 10 x 6", Gr 5

Nut and L.W. Hex, 3/4"-10 x 6", G5

2шт.

13

FH158519

SPACER - lower lift arm

2шт.

14

FH763169

PIN - cylinder (Replaces FH119990 when exhausted)

4шт.

15

FH146720

ARM - L.H. upper, header lift

1шт.

16

FH158501

SPACER - upper lift arm

4шт.

17

FH268409

STEP - left

1шт.

113-120

BOLT,Hex, 5/16" - 18 x 1-3/4", Gr 5

Nut and L.W. Hex, 5/16"-18 x 1 3/4", G5

4шт.

195-521

WASHER,5/16", SAE

- 5/16" flat

2шт.

18

FH291732

STEP - right (A126 engine)

1шт.

113-104

BOLT,Hex, 5/16" - 18 x 1-1/4", Gr 5

Nut and L.W. Hex, 5/16"-18 x 1 1/4", G5

2шт.

113-120

BOLT,Hex, 5/16" - 18 x 1-3/4", Gr 5

Nut and L.W. Hex, 5/16"-18 x 1 3/4", G5

2шт.

195-521

WASHER,5/16", SAE

- 5/16" flat

2шт.

19

FH158741

SPACER - R.H. step (A126 engine)

2шт.

20

FHO41616

HOLD DOWN - battery

1шт.

13-5160

BOLT,Hex, 5/16" - 18 x 10", Gr 5

- 5/16" x 10" N.C. hex., nut and L.W.

2шт.

195-521

WASHER,5/16", SAE

- 5/16" flat

4шт.

21

A27985

CABLE

- battery ground

1шт.

22

O3035AB

CABLE -, Serial Range: battery-solenoid

1шт.

23

FH251348

CLAMP - cable (A126 engine)

1шт.

FH121723

CLAMP - cable (VG4D engine)

1шт.

24

FH146738

ARM - R.H. upper, heater lift

1шт.

Выбрано товаров: 44