Запчасти Case IH 950 (044) - DRIVE WHEELS AND CHAIN CASE

Схема запчастей Case IH 950 - (044) - DRIVE WHEELS AND CHAIN CASE
FIT
1:1
100%

Артикул

Название

Примечание

Количество

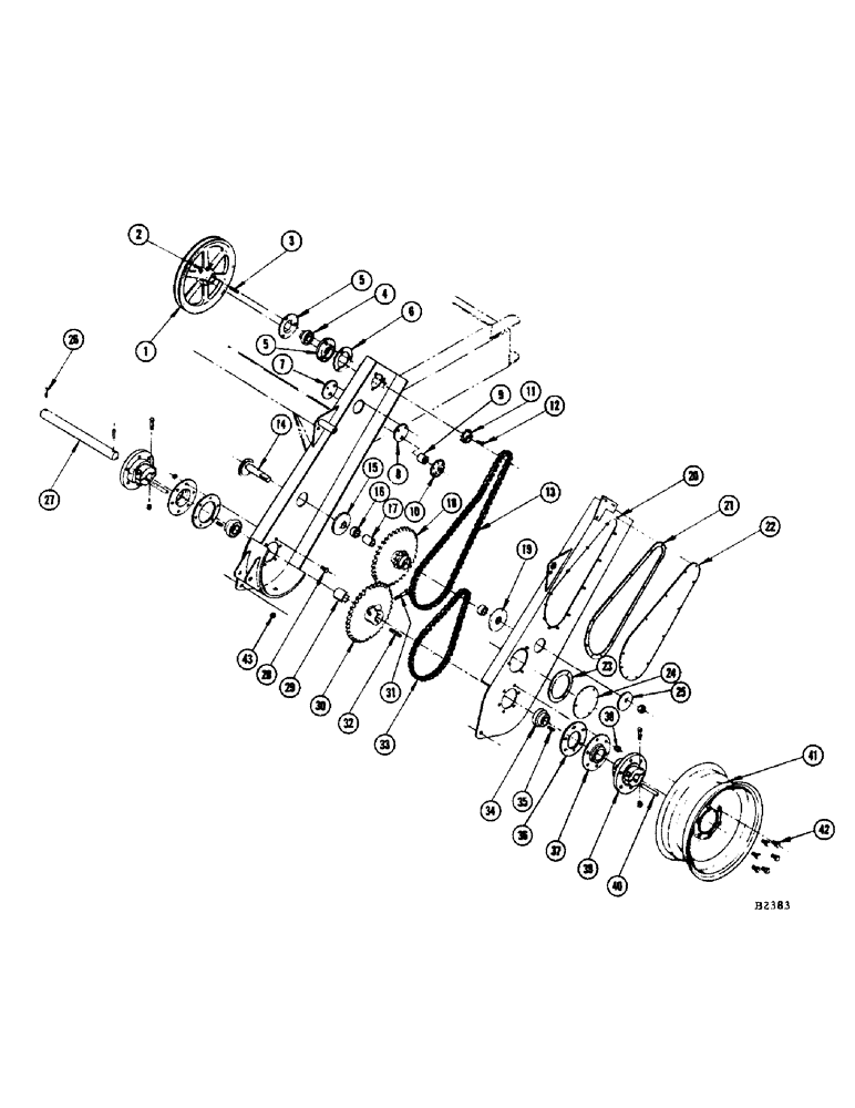
1

FH222653

PULLEY - driven, R.H. and L.H. wheel shaft

2шт.

83-55

SET SCREW,Hex Soc, 5/16"-18 x 5/16", Cup Pt

2шт.

2

61-664

SCREW - 3/8" x 4" N.C. socket hd. cap (Driven sheaves)

4шт.

25-106

NUT,3/8"-16, G5

- 3/8" N.C. hex. and L.W.

4шт.

3

T25070

KEY

- driven pulley

2шт.

4

F51085

BEARING

- R.H. and L.H. shafts

4шт.

F62226

COLLAR

1шт.

5

F62225

FLANGE

- bearing

4шт.

11-616

CARRIAGE BOLT,Short NK, 3/8"-16 x 1", G2

BOLT, CARRIAGE, , Nut and L.W. Short NK, 3/8"-16 x 1", G2

6шт.

6

FHO44073

GASKET - bearing flange

2шт.

7

FH312256

COVER - cam

2шт.

13-612

BOLT,Hex, 3/8" - 16 x 3/4", Gr 5, Full Thd

and L.W. Hex, 3/8"-16 x 3/4", G5, Full Thd

4шт.

13-844

BOLT,Hex, 1/2" - 13 x 2-3/4", Gr 5

Hex, 1/2"-13 x 2 3/4", G5, and L.W.

2шт.

8

FH312249

CAM - chain tightener

2шт.

9

FH315044

BUSHING - chain tightener

2шт.

10

F78573

SPROCKET ASSY.

SPROCKET - tightener

2шт.

11

FHO87932

SPROCKET ASSY.

SPROCKET - wheel drive shaft (11T) Standard

2шт.

FHO47035

SPROCKET - wheel drive shaft (13T) Speed-up

2шт.

12

FHO61341

KEY - gib

2шт.

13

FHO47878

CHAIN - jackshaft sprocket (See chain page)

2шт.

14

FH285585

JACKSHAFT - spindle

2шт.

15

FH315028

SPACER - spindle jackshaft

2шт.

16

O7285A

BALL BEARING,0.9843" ID x 2.0472" OD x 0.5906"

BEARING - spindle jackshaft

4шт.

17

FH379917

SPACER - jackshaft sprocket

2шт.

18

FH379768

SPROCKET ASSY.

SPROCKET - spindle jackshaft

2шт.

19

FH315002

SPACER - spindle jackshaft

2шт.

20

FHO72777

BOLT - cover plates

34шт.

9635082

NUT,5/16" - 18, Gr 5

- 5/16" N.C. hex. and L.W.

34шт.

21

FHO44297

GASKET - cover plate

2шт.

22

FH236778

PLATE - cover, upper chain housing

2шт.

23

FHO44289

GASKET - lower cover plate

2шт.

24

FH235515

PLATE - cover, lower chain housing

2шт.

25

FH285601

CAM - spindle jackshaft

2шт.

26

138-177

LOCK PIN,3/8" x 2", Slotted

PIN, , Axle 3/8" x 2", Slotted

4шт.

27

FH130054

AXLE - wheel

2шт.

28

FHO73049

BOLT - wheel hub flange

24шт.

29

FH379792

SPACER - axle

2шт.

30

FH379776

SPROCKET - drive wheel

2шт.

31

26-1048

BOLT,Hex, 5/8" - 11 x 3", Gr 8

SCREW - 5/8" x 3" cap and L.W.

2шт.

32

O8065HT1

KEY -, Serial Range: sprocket-axle

2шт.

33

FHO85670

CHAIN - drive wheel sprocket (#80 chain)

2шт.

34

FHO50401

BEARING, BALL

BEARING - axle

4шт.

F59131

COLLAR

2шт.

35

FHO29207

PLUG - axle

4шт.

36

FHO44354

GASKET - wheel hub flange

4шт.

37

FH241224

FLANGE - bearing, wheel hub

4шт.

38

N4221

WHEEL NUT

- wheel bolt

24шт.

39

FH310367

HUB - drive wheel

2шт.

13-840

BOLT,Hex, 1/2" - 13 x 2-1/2", Gr 5

- 1/2" x 2-1/2" N.C. hex.

4шт.

131-354

LOCK NUT,1/2"-13, GA

NUT - 1/2" N.C. Gripco

4шт.

40

O4053AB

KEY - hub

4шт.

41

O9930HT

WHEEL - drive (For 7.50 x 18 implement tire)

2шт.

42

A31040

WHEEL BOLT,9/16" - 18 x 1 13/32", Gr 5

BOLT - wheel

24шт.

43

221-843

PLUG,Hex Soc, 3/8"-18

- (3/8" ctsk. pipe) Chain case

4шт.

Выбрано товаров: 54