Запчасти Case IH 950 (062) - PARTS FOR FH742270 HYDRAULIC VALVE

Схема запчастей Case IH 950 - (062) - PARTS FOR FH742270 HYDRAULIC VALVE
FIT
1:1
100%

Артикул

Название

Примечание

Количество

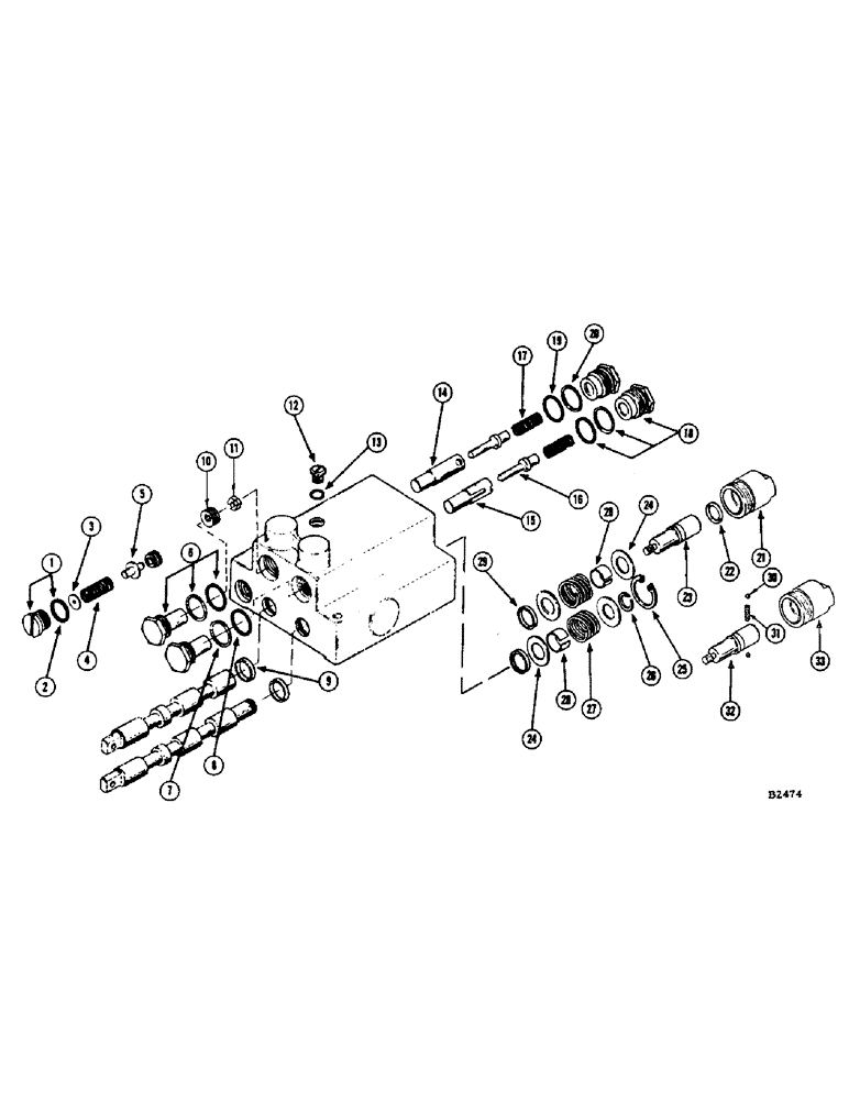
1

HO63016

PLUG - slotted, assembly

1шт.

NSS

NOT SOLD SEPARAT

PLUG

1шт.

2

A30097

O-RING,0.549" ID x 0.755" OD x 0.103"

"O" RING

1шт.

Part of repair kit P/N FH734228

1шт.

3

FH732651

SHIM

1шт.

4

F12862

SPRING - relief valve

1шт.

5

FH731679

VALVE POPPET

POPPET - relief valve

1шт.

6

F87746

PLUG - assembly

2шт.

NSS

NOT SOLD SEPARAT

PLUG

1шт.

7

FH732685

X

WASHER - back up

1шт.

Part of repair kit P/N FH734228

1шт.

8

A27365

O-RING,0.103" Thk x 0.75" ID, -116, Cl 5, 75 Duro

"O" RING

1шт.

Part of repair kit P/N FH734228

1шт.

9

A7982

O-RING,0.103" Thk x 0.612" ID, -114, Cl 5, 75 Duro

"O" RING - plunger

2шт.

Part of repair kit P/N FH734228

1шт.

10

F8245

RETAINER - orifice plate

1шт.

11

F8223

PLATE - orifice

1шт.

12

FH733956

PLUG - slotted

1шт.

13

T29653

O-RING,11/32" ID x 7/32" OD x 1/16"

"O" RING

1шт.

Part of repair kit P/N FH734228

1шт.

14

FH733964

PLUNGER - lockout

1шт.

15

FH732271

PLUNGER

1шт.

16

F77048

VALVE POPPET

POPPET

2шт.

Part of repair kit P/N FH734228

1шт.

17

F8228

SPRING

- lockout

2шт.

18

FH731711

PLUG - port adaptor

2шт.

NSS

NOT SOLD SEPARAT

PLUG

1шт.

19

A27365

O-RING,0.103" Thk x 0.75" ID, -116, Cl 5, 75 Duro

"O" RING

1шт.

Part of repair kit P/N FH734228

1шт.

20

FH732685

X

WASHER - back up

1шт.

Part of repair kit P/N FH734228

1шт.

21

FH731422

CAP - detent (Early production)

1шт.

22

FH730473

SPRING

- detent cap garter (Early production)

1шт.

23

FH731430

SCREW - detent (Early production)

1шт.

24

F8235

WASHER

4шт.

25

FH732719

SNAP RING

1шт.

26

F8237

RING

SNAP RING

1шт.

27

F14091

VALVE SPRING

SPRING - spool center

2шт.

28

F37885

SPACER

- spool

2шт.

29

F37887

O-RING

"O" RING

2шт.

Part of repair kit P/N FH734228

1шт.

30

211-6

BALL,7/32" Dia

steel, Late production 7/32" Dia

2шт.

31

FH734038

SPRING

- detent (Late production)

1шт.

32

FH734046

SCREW - detent (Late production)

1шт.

33

FH734053

CAP - detent (Late production)

1шт.

FH734228

REPAIR KIT, Include: Ref. 2, 7 - 9, 13, 16, 19, 20 and 29

1шт.

Выбрано товаров: 46