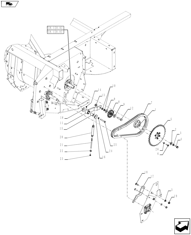
Запчасти Case IH RD163 (58.100.04) - CHAIN DRIVE (58) - ATTACHMENTS/HEADERS

Схема запчастей Case IH RD163 - (58.100.04) - CHAIN DRIVE (58) - ATTACHMENTS/HEADERS
18
13
26
19
25
58.120.02
58.120.03
1
4
23
24
16
22
7
2
home
9
11
3
12
14
15
8
21
9
6
10
16
17
3
20
5
FIT
1:1
100%

Артикул

Название

Примечание

Количество

1

86543237

HUB

1шт.

2

695335

WASHER,12.95mm ID x 37.59mm OD x 4.75mm Thk

1шт.

3

86513238

LOCK WASHER,.515” ID x 1.070” OD x .120” TK

2шт.

4

86521614

BOLT,Hex, 1/2" - 13 x 1 1/4", Gr 5

1шт.

5

86620746

DRIVEN SPROCKET

37T, RC80

1шт.

Optional

1шт.

6

280523

BOLT,Hex, 3/8" - 16 x 1 1/4", Gr 5

6шт.

5

87646883

SPROCKET

33T, RC80

1шт.

7

86588944

CHAIN

RC80, 62 Pitches, For 37T Sprocket

1шт.

Optional

1шт.

8

87011880

SPROCKET,13T

13T, RC80

1шт.

9

80299

WASHER,0.69" ID x 1.75" OD x 0.13" Thk

2шт.

7

87470940

CHAIN (AG),RC 80, 60 Links x 25.4mm = 2032mm

RC80, 60 Pitches, For 33T Sprocket

1шт.

10

27697

WASHER,16.66mm ID x 27mm OD x 1.52mm Thk

2шт.

11

84215640

ARM

1шт.

12

87630

BOLT,Hex, 5/8" - 11 x 2 1/2", Gr 5

1шт.

13

86521608

FLANGE NUT,Flg, 5/8"-11, G5

1шт.

14

87415

LUBE NIPPLE,90 Degree, 1/4" NPT x 3/4" L, Drive

1шт.

15

9849929

SPACER

1шт.

16

29684

WASHER,13.5mm ID x 50.8mm OD x 5.52mm Thk

2шт.

17

86633568

ARM

DK GR

1шт.

18

87868

CARRIAGE BOLT,Sq Nk, 1/2" - 13 x 1 1/4", Gr 5, Full Thd

1шт.

19

86521607

FLANGE NUT,Flg, 1/2"-13, G5

1шт.

20

84525937

SPRING

1шт.

21

631201

EYEBOLT

1шт.

22

80702

WASHER,0.44" ID x 1" OD x 0.08" Thk

1шт.

23

9628503

NUT,3/8"-16, G5

1шт.

24

80679

LOCK WASHER,1/20.507 CST ZND

1шт.

25

280620

BOLT,Hex, 1/2" - 13 x 3", Gr 8

1шт.

26

140045

BELLEVILLE WASHER,M10 Bolt Size x 22mm OD x 1.6mm Thk

6шт.

Выбрано товаров: 30