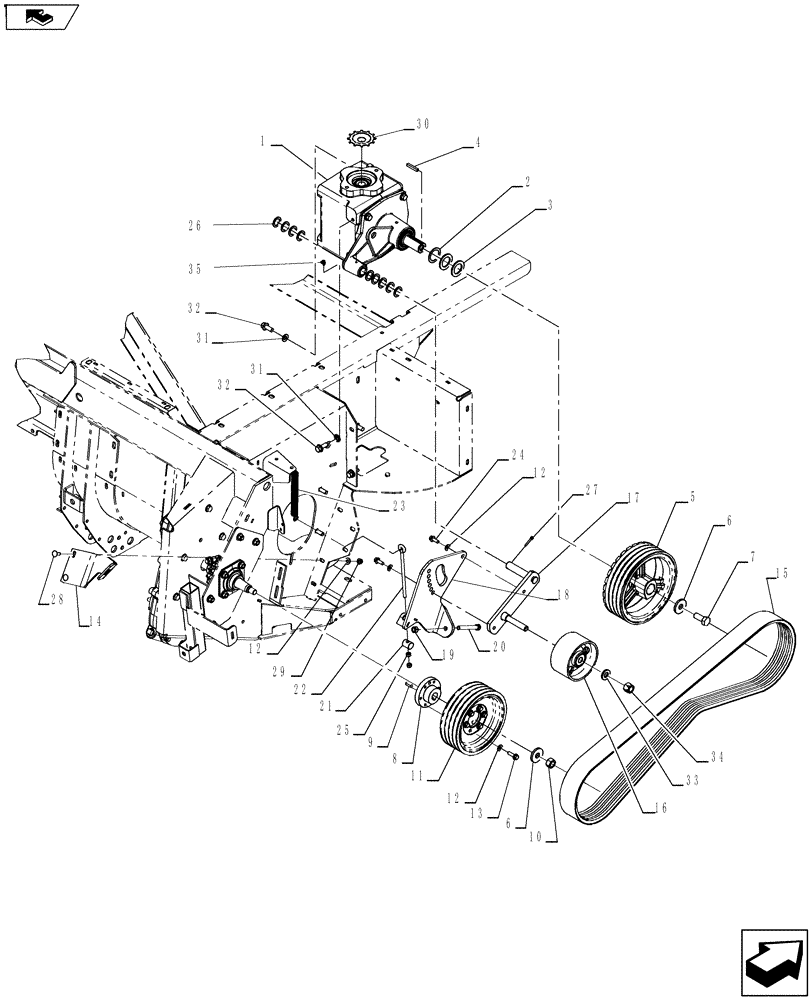
Запчасти Case IH RD163 (58.100.05) - BELT DRIVE (58) - ATTACHMENTS/HEADERS

Схема запчастей Case IH RD163 - (58.100.05) - BELT DRIVE (58) - ATTACHMENTS/HEADERS
9
6
1
26
3
34
13
25
16
17
22
2
28
home
27
12
15
18
32
31
7
6
30
4
33
11
35
32
8
14
12
10
24
12
29
20
23
19
21
31
5
FIT
1:1
100%

Артикул

Название

Примечание

Количество

1

84368918

GEARBOX

1шт.

2

614717

WASHER

1шт.

3

28581

WASHER,38.9mm ID x 60.3mm OD x 3.5mm Thk

2шт.

4

87485

KEY,50.8mm OAL x 7.96mmThk

1шт.

5

84177738

SHEAVE

1шт.

6

86516694

WASHER

2шт.

7

88725

BOLT,Hex, 3/4" - 10 x 1 3/4", Gr 5, Full Thd

1шт.

8

86540073

HUB

1шт.

9

86626994

KEY

1шт.

10

280954

NUT,3/4"-10, G5

1шт.

11

86633564

PULLEY

1шт.

11

84497138

PULLEY

8" Pulley for Speed Up, For Light Crop Conditions - when Merger is being used

1шт.

12

140045

BELLEVILLE WASHER,M10 Bolt Size x 22mm OD x 1.6mm Thk

8шт.

13

280523

BOLT,Hex, 3/8" - 16 x 1 1/4", Gr 5

6шт.

14

84380641

BRACKET

1шт.

15

86582818

V-BELT,0.66" W x 101.00" L, 4 Ribs

1шт.

15

84522359

BELT

For Speed Up for Light Crop Conditions - when Merger is being used

1шт.

16

771623

IDLER

1шт.

17

87474533

ARM

1шт.

18

87474526

ARM

1шт.

19

280431

NUT,1/2"-13, G5

1шт.

20

88965

BOLT,Hex, 1/2"-13 x 4", G5, Full Thd

1шт.

21

84218038

PIVOT

1шт.

22

86628567

EYEBOLT

1шт.

23

12

SPRING

1шт.

24

86533474

FLANGE BOLT,Hex, 1/2" - 13 x 1", Gr 5

2шт.

25

9628503

NUT,3/8"-16, G5

2шт.

26

26402

WASHER,25.8mm ID x 38.1mm OD x 1.7mm Thk

8шт.

27

87398

COTTER PIN,3/16" OD x 1-1/4" OAL

1шт.

28

88682

CARRIAGE BOLT,Short Nk, 3/8"-16 x 1", Gr 5

2шт.

29

86521606

FLANGE NUT,Hex, 3/8" - 16, Gr 5

2шт.

30

84194525

FUNNEL

1шт.

31

86513238

LOCK WASHER,.515” ID x 1.070” OD x .120” TK

8шт.

32

86521614

BOLT,Hex, 1/2" - 13 x 1 1/4", Gr 5

6шт.

33

87021862

WASHER,19.8mm ID x 38.1mm OD x 4.76mm Thk

1шт.

34

9626598

NUT,3/4"-10, GB

1шт.

35

87415

LUBE NIPPLE,90 Degree, 1/4" NPT x 3/4" L, Drive

1шт.

Выбрано товаров: 37