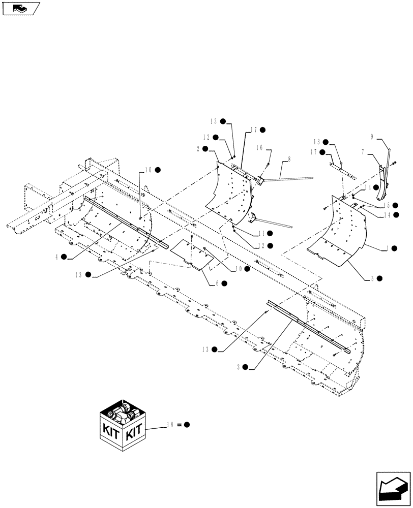
Запчасти Case IH RD193 (88.090.01) - DIA., 60 IN. CLOSURE KIT (88) - ACCESSORIES

Схема запчастей Case IH RD193 - (88.090.01) - DIA., 60 IN. CLOSURE KIT (88) - ACCESSORIES
11
4
14
8
3
10
1
home
13
10
5
17
12
12
13
9
2
13
17
16
18
14
6
13
15
7
FIT
1:1
100%

Артикул

Название

Примечание

Количество

1

84360615

FLOOR

Left Hand Extension

1шт.

2

84360618

FLOOR

Right Hand Extension

1шт.

3

87755271

STRIPPER

Left Hand

1шт.

4

87755272

STRIPPER

Right Hand

1шт.

5

84360098

FLOOR

Left Hand Insert

1шт.

6

84360181

FLOOR

Right Hand Insert

1шт.

7

84416073

BRACKET

2шт.

Grass Seed Applications

1шт.

8

87012927

ROD

Upper Right Hand

2шт.

Grass Seed Applications

1шт.

9

87012926

ROD

Upper Left Hand

2шт.

Grass Seed Applications

1шт.

10

80280503

CARRIAGE BOLT,Sht Sq Nk, 3/8" - 16 x 1", Gr 5, Full Thd

18шт.

11

140045

BELLEVILLE WASHER,M10 Bolt Size x 22mm OD x 1.6mm Thk

18шт.

12

86521606

FLANGE NUT,Hex, 3/8" - 16, Gr 5

18шт.

13

88992

CARRIAGE BOLT,Short Sq Nk, 5/16" - 18 x 1", Gr 5

12шт.

14

322358

BELLEVILLE WASHER,M8 Bolt Size x 18mm OD x 1.4mm Thk

12шт.

15

86521605

FLANGE NUT,5/16"-18, Cl 5

12шт.

16

86521613

BOLT,Hex, 3/8" - 16 x 1", Gr 5

8шт.

Grass Seed Applications

1шт.

17

NSS

NOT SOLD SEPARAT

Angle

2шт.

18

84360151

DIA KIT, HARVESTER

60" Closure, Includes Ref. 1 Thru 6, 10 Thru 15, & 17

1шт.

Выбрано товаров: 22