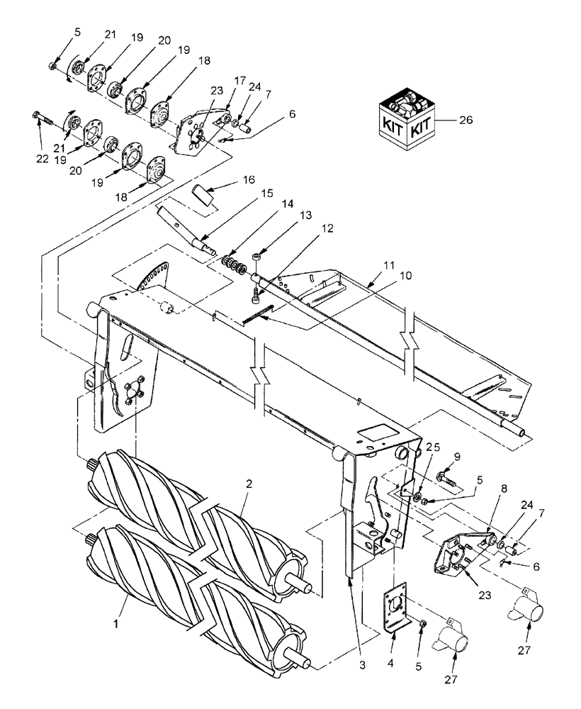
Запчасти Case IH RDX161 (002[1]) - CONDITIONING ROLLS, PRIOR TO 2/07 (58) - ATTACHMENTS/HEADERS

Схема запчастей Case IH RDX161 - (002[1]) - CONDITIONING ROLLS, PRIOR TO 2/07 (58) - ATTACHMENTS/HEADERS
27
18
23
5
11
9
7
26
13
3
19
20
6
16
7
25
24
21
4
23
19
20
24
5
18
6
8
1
15
17
5
14
19
21
27
19
2
12
10
22
FIT
1:1
100%

Артикул

Название

Примечание

Количество

1

86610313

ROLL

Steel, Lower

1шт.

Do Not Intermix Steel and Rubber Rolls

1шт.

1

86610945

ROLLER ASSY.

Spiral Rubber, Lower

1шт.

Do Not Intermix Steel and Rubber Rolls

1шт.

1

87379267

ROLL

Lower, Spiral J, Hi Contact

1шт.

2

86610314

ROLL

Steel, Upper

1шт.

Do Not Intermix Steel and Rubber Rolls

1шт.

2

86610941

ROLLER ASSY.

Spiral Rubber, Upper

1шт.

Do Not Intermix Steel and Rubber Rolls

1шт.

2

87379254

ROLL

Upper, Spiral J, Hi Contact

1шт.

3

86633053

ASSEMBLY

Frame, Conditioner

1шт.

Prior to PIN HCA0016065

1шт.

3

87028163

HEAD ASSY.

Frame, Conditioner

1шт.

After PIN HCA0016065

1шт.

4

86633048

MOUNTING PLATE

1шт.

5

425-288

FLANGE NUT,Flg, 1/2"-13, G5

18шт.

6

219-90

LUBE NIPPLE,45 Degree Elbow, 1/4" -28 NPTF

2шт.

7

9849929

SPACER

2шт.

8

86629686

ARM

Roll, Includes: Ref. 23 & 24

1шт.

Prior to PIN HCA0016065

1шт.

8

87022623

ARM ASSY.

Includes: Ref. 23 & 24

1шт.

After PIN HCA0016065

1шт.

9

433-848

CARRIAGE BOLT,Sq Nk, 1/2" - 13 x 3", Gr 5

2шт.

10

510362

SPRING

2шт.

11

86633051

SWATHBOARD

1шт.

12

61-35032

HEX SOC SCREW,1/2"-13 x 2"

2шт.

13

231-5348

FLANGE NUT,Flg, 1/2"-13

2шт.

14

673

WASHER,29mm ID x 41mm OD x 1.52mm Thk

1шт.

15

86633031

HANDLE

1шт.

16

698486

HANDLE GRIP

1шт.

Prior to PIN HCA0016094

1шт.

17

86629687

ARM

Roll, Includes: Ref. 23 & 24

1шт.

Prior to PIN HCA0016065

1шт.

17

87022624

BRUSH ASSY.

Arm, Roll, Includes: Ref. 23 & 24

1шт.

After PIN HCA0016065

1шт.

18

86633047

SHROUD

4шт.

19

86629969

FLANGE

8шт.

20

B92630

BEARING

4шт.

21

45393

COLLAR

4шт.

22

86521614

BOLT,Hex, 1/2" - 13 x 1 1/4", Gr 5

8шт.

23

433-824

CARRIAGE BOLT,Sq Nk, 1/2" - 13 x 1 1/2", Gr 5

12шт.

24

86540342

BUSHING,30.15mm ID x 36.41mm OD x 19.05mm L

1-3/16"x 1-7/16"x 3/4"

4шт.

25

86513238

LOCK WASHER,.515” ID x 1.070” OD x .120” TK

Belleville, 1/2"

2шт.

26

W0

ORDER WHOLEGOODS

HI Contact Roll Kit; Includes: (1) Upper & (1) Lower Roll

1шт.

Order through Wholegoods

1шт.

27

86607882

TUBE,115 mm L

2шт.

For Use W/Hi Contact Rolls

1шт.

Use Existing Hardware

1шт.

Выбрано товаров: 48