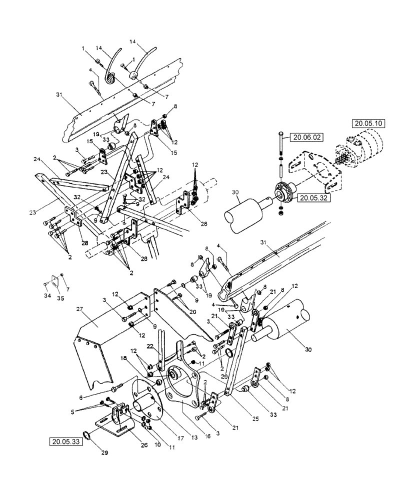
Запчасти Case IH DH302 (20.05.31[1]) - UII REEL (13) - REEL

Схема запчастей Case IH DH302 - (20.05.31[1]) - UII REEL (13) - REEL
1
31
35
26
23
12
6
31
15
20
20.05.32
12
24
28
21
17
3
9
24
18
14
19
19
12
9
21
11
28
23
8
32
12
33
4
7
12
5
32
33
3
30
11
2
26
29
9
25
2
29
21
14
13
12
3
27
1
4
2
3
5
2
20.06.02
8
20.05.10
12
8
9
33
13
20.05.33
10
22
30
7
2
16
2
5
21
4
12
34
3
33
3
7
19
FIT
1:1
100%

Артикул

Название

Примечание

Количество

1

413-416

BOLT,Hex, 1/4" - 20 x 1", Gr 5

For Plastic Tine

1шт.

1

86511904

SCREW,Pan, #4 - 40 x 3/4"

For Wire Tine

1шт.

2

413-424

BOLT,Hex, 1/4" - 20 x 1-1/2", Gr 5

1шт.

3

413-528

BOLT,Hex, 5/16" - 18 x 1-3/4", Gr 5

1шт.

4

413-544

BOLT,Hex, 5/16" - 18 x 2-3/4", Gr 5

1шт.

5

433-624

CARRIAGE BOLT,Sq Nk, 3/8" - 16 x 1 1/2", Gr 5

1шт.

6

86562215

FLANGE BOLT,3/8"-16 x 1.75", Cl 5

Flg Hd, G5, 3/8"-16 x 1-3/4"

1шт.

7

280129

NUT,1/4"-20

1шт.

8

231-1445

NUT,5/16"-18, GB

1шт.

9

495-21038

WASHER,5/16"

1шт.

10

495-21044

WASHER,3/8"

1шт.

11

232-4146

NUT,3/8"-16, GC

1шт.

12

86562216

NUT,Keps, w/LW,1/4"-20

Kep, 1/4"-20, w/Lock Washer

1шт.

13

219-1

LUBE NIPPLE,1/8" - 27 NPTF

1шт.

14

86562205

REEL TINE

Plastic

1шт.

14

86562180

REEL TINE

Wire

1шт.

15

86562181

PLATE

Tip

1шт.

16

86562182

RING

5 Bat

2шт.

16

86562206

RING

6 Bat

2шт.

17

87524555

CONTROL

Plate; Includes: Bushings

2шт.

17

87549064

BUSHING

Bushing

4шт.

Not Shown

1шт.

Used W/87524555

1шт.

18

86562184

ROLLER

Ctl Plt

6шт.

19

86562185

BEARING CARRIER

1шт.

20

86511930

SCREW,Pan, 1/4" - 20 x 3/8"

20шт.

21

86562186

END PLATE

1шт.

22

86562187

ARM

Fxd Control

2шт.

23

86562188

ARM

Lg, 5 x 42

1шт.

23

84550329

SUPPORT

ASN YBZB01446

1шт.

23

86562207

ARM

Lg, 6 x 42 (6 Bat)

1шт.

24

86562196

SUPPORT

Brace, 5 x 42

1шт.

24

86562208

SUPPORT

Brace, 6 x 42 (6 Bat)

1шт.

25

86562197

ARM

Reg Control

8шт.

26

86604795

CLAMP

2шт.

27

86562195

SHIELD

5 Bat

10шт.

27

86562209

SHIELD

End, 6 Bat

10шт.

28

86562199

PLATE

Inner, 5 x 42

1шт.

28

84550352

PLATE

ASN YBZB01446

1шт.

28

86562210

PLATE

Inner, 6 x 42 (6 Bat)

1шт.

29

86562200

WASHER

Shaft

4шт.

30

86562218

SHAFT

Center, DH182 & DH362

1шт.

30

87048896

SHAFT

Center, 6 Bat, DH182

1шт.

30

86562219

SHAFT

Center, DH212

1шт.

30

86624879

SHAFT

Center, 6 Bat, DH212

1шт.

30

86562201

SHAFT

Center, DH252

1шт.

30

86624872

SHAFT

Center, 6 Bat, DH252

1шт.

30

86562202

SHAFT

Center, DH302

1шт.

30

87048897

SHAFT

Center, 6 Bat, DH302

1шт.

30

87053087

SHAFT

Single Reel, DH362

1шт.

31

86562220

SUPPORT

Reel bat -Al, DH182 & DH362

5шт.

31

86562221

SUPPORT

Reel bat -Al, DH212

5шт.

31

86562203

SUPPORT

Reel bat -Al, DH252

5шт.

31

86562204

SUPPORT

Reel bat -Al, DH302

5шт.

32

86562214

BOLT,5/16" x 1 3/4"

5/16" x 1-3/4", NTL

1шт.

33

87052189

BALL BEARING

1шт.

34

9707580

BOLT,Hex, 1/4" - 20 x 3/4", Gr 5, Full Thd

12шт.

35

87499830

MOUNTING PLATE

End Tine

12шт.

Выбрано товаров: 0