Запчасти Case IH DHX212 (20.07.05[2.1]) - HYDRAULICS, SINGLE SWATH, PRIOR TO PIN Y8ZB00545 (07) - HYDRAULICS

Схема запчастей Case IH DHX212 - (20.07.05[2.1]) - HYDRAULICS, SINGLE SWATH, PRIOR TO PIN Y8ZB00545 (07) - HYDRAULICS
7
6
7
19
3
17
14
11
25
12
5
27
23
13
24
24
16
11
18
1
21
2
8
15
14
14
11
22
24
11
9
14
9
9
20
10
4
26
FIT
1:1
100%

Артикул

Название

Примечание

Количество

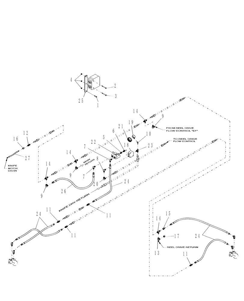
1

413-412

BOLT,Hex, 1/4" - 20 x 3/4", Gr 5

1шт.

2

413-436

BOLT,Hex, 1/4" - 20 x 2-1/4", Gr 5

1шт.

3

413-440

BOLT,Hex, 1/4" - 20 x 2-1/2", Gr 5

1шт.

4

231-5344

FLANGE NUT,Flg, 1/4"-20

3шт.

5

86563540

ADAPTER

1шт.

6

218-5062

HYD CONNECTOR,7/8"-14, 37 Degree x 7/8"-14, O-Ring

Includes: O-Ring

1шт.

6

237-6010

O-RING,0.097" Thk x 0.755" ID, -910, Cl 6, 90 Duro

1шт.

7

218-5107

90 ELBOW,90 Degree Elbow, 7/8" - 14 Male JIC x 7/8" - 14 Male ORB

Incl. O-Ring

2шт.

7

237-6010

O-RING,0.097" Thk x 0.755" ID, -910, Cl 6, 90 Duro

2шт.

8

218-5123

ELBOW,90 Degree Elbow, 1-1/16" - 12 Male JIC x 7/8" - 14 Male ORB

Includes: O-Ring

1шт.

8

237-6010

O-RING,0.097" Thk x 0.755" ID, -910, Cl 6, 90 Duro

1шт.

9

218-5231

ELBOW,90 Degree, 1 1/16"-12, 37 Degree x 1 1/16"-12, 37 Degree Fem Sw

3шт.

10

217-1085

ELBOW,45 Degree, 1/4"-18 Female x 1/4"-18 Male

1шт.

11

86563542

HYD CONNECTOR

10MJO x 12MJO

4шт.

12

86563521

HYD CONNECTOR

Nipple, 12MJO x 12MJO

1шт.

13

218-5221

TEE,37 Degree, 1 1/16"-12 x 1 1/16"-12, Fem Sw Run

1шт.

14

218-596

TEE,1 1/16"-12 37 Degree

4шт.

15

850459

REDUCER

1шт.

16

86563543

ADAPTER

6MJ x 12FJ

1шт.

17

219606

CAP,1-1/16" - 12 JIC

1шт.

18

86563544

DIVIDER

1шт.

19

86563546

GAUGE

1шт.

20

86595627

ELBOW

90°, 12MJO x 12FJ, Swivel

1шт.

21

87033323

COVER

1шт.

22

87051017

FLOW DIVIDER

1шт.

23

86563548

ELBOW

C/W, Gauge Hole

1шт.

24

86563549

HYDRAULIC HOSE,0.50" ID x 22.00"

5шт.

25

86593486

MOUNTING PLATE

1шт.

26

86563686

HYDRAULIC HOSE,12.70 mm ID x 762.00 mm

1шт.

27

87052007

HOSE ASSY.

97", 4FJX x 6FJX

1шт.

Выбрано товаров: 30