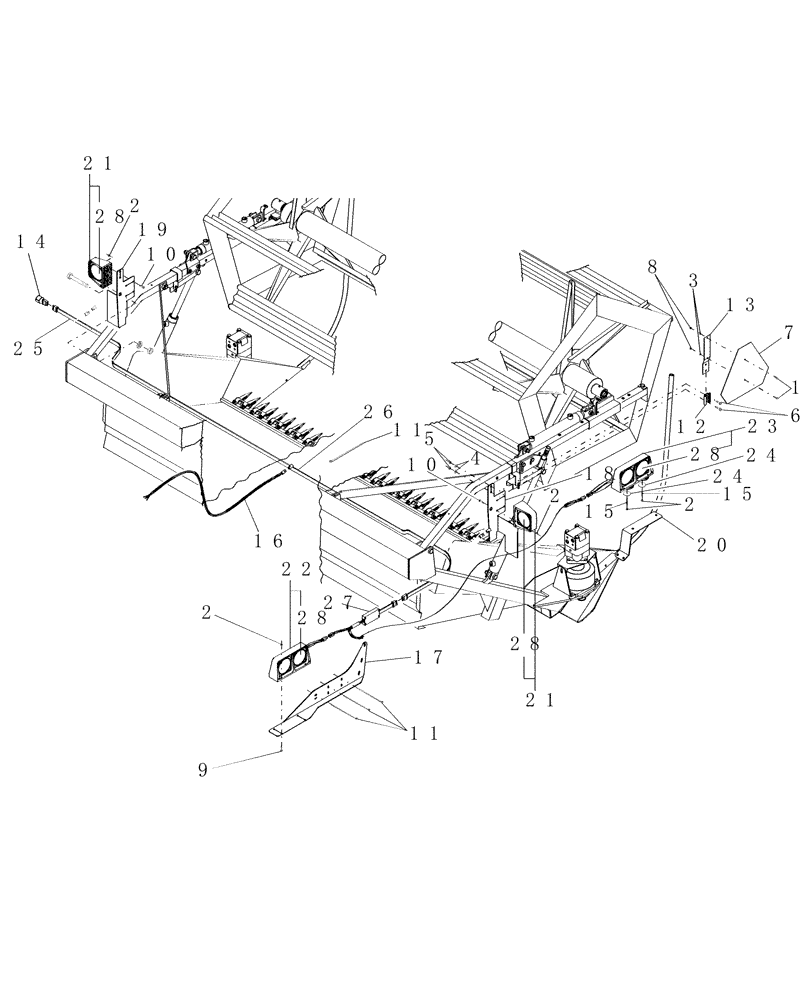
Запчасти Case IH DHX301 (6.05) - LIGHTS & LIGHT MOUNTING (06) - ELECTRICAL

Схема запчастей Case IH DHX301 - (6.05) - LIGHTS & LIGHT MOUNTING (06) - ELECTRICAL
2
27
9
24
20
21
15
18
17
10
11
5
28
16
28
7
2
10
25
15
12
14
19
13
28
28
21
4
8
3
26
2
1
24
2
6
23
22
11
FIT
1:1
100%

Артикул

Название

Примечание

Количество

1

413-412

BOLT,Hex, 1/4" - 20 x 3/4", Gr 5

2шт.

2

231-5344

FLANGE NUT,Flg, 1/4"-20

GF

14шт.

3

495-21031

WASHER,1/4"

2шт.

4

495-21038

WASHER,5/16"

2шт.

5

280736

NUT,5/16"-18, GC

2шт.

6

433-512

CARRIAGE BOLT,Sq Nk, 5/16" - 18 x 3/4", Gr 5

2шт.

7

86547710

EMBLEM

KIT SMV

1шт.

7

86547711

DECAL,SMV

SMV

1шт.

8

280129

NUT,1/4"-20

2шт.

9

86508769

CARRIAGE BOLT,Sq Nk, 1/4" - 20 x 1", Gr 5

4шт.

10

280687

CARRIAGE BOLT,Sq Nk, 1/4" - 20 x 1 1/4", Gr 5

8шт.

11

263117

CABLE TIE,292.1mm L, Nylon, Black

CABLE STRAP

20шт.

12

847590

BRACKET

1шт.

13

195035

SUPPORT

SMV Spade Mount

1шт.

14

86640272

ELEC CONNECTOR

Plug

1шт.

15

86640273

BOLT

Light Kit

2шт.

16

86563205

WIRE HARNESS

10 Ft Pigtail

1шт.

17

86640265

BRACKET

1шт.

18

87051989

BRACKET

RH

1шт.

19

87051950

BRACKET

LH

1шт.

20

86639789

BRACKET

Light, RH, Tail

1шт.

21

86563222

LAMP

Amber

2шт.

22

86640269

LIGHT

Dual, LH

1шт.

23

86640270

LIGHT

Dual, RH

1шт.

24

86640271

MAGNET

2шт.

25

86563206

WIRE HARNESS

46 Ft

1шт.

26

86563208

WIRE HARNESS

Warning Flashers

1шт.

27

86640268

WIRE HARNESS

1шт.

28

T34857

BULB,C6, #1157, 12.8V

1шт.

Выбрано товаров: 29